GM Service Manual Online
For 1990-2009 cars only
Makes
🢒
Chevrolet
🢒
1998
🢒
Metro
🢒
Body and Accessories
🢒
Instrument Panel, Gauges, and Console
🢒 Audible Warnings Schematics
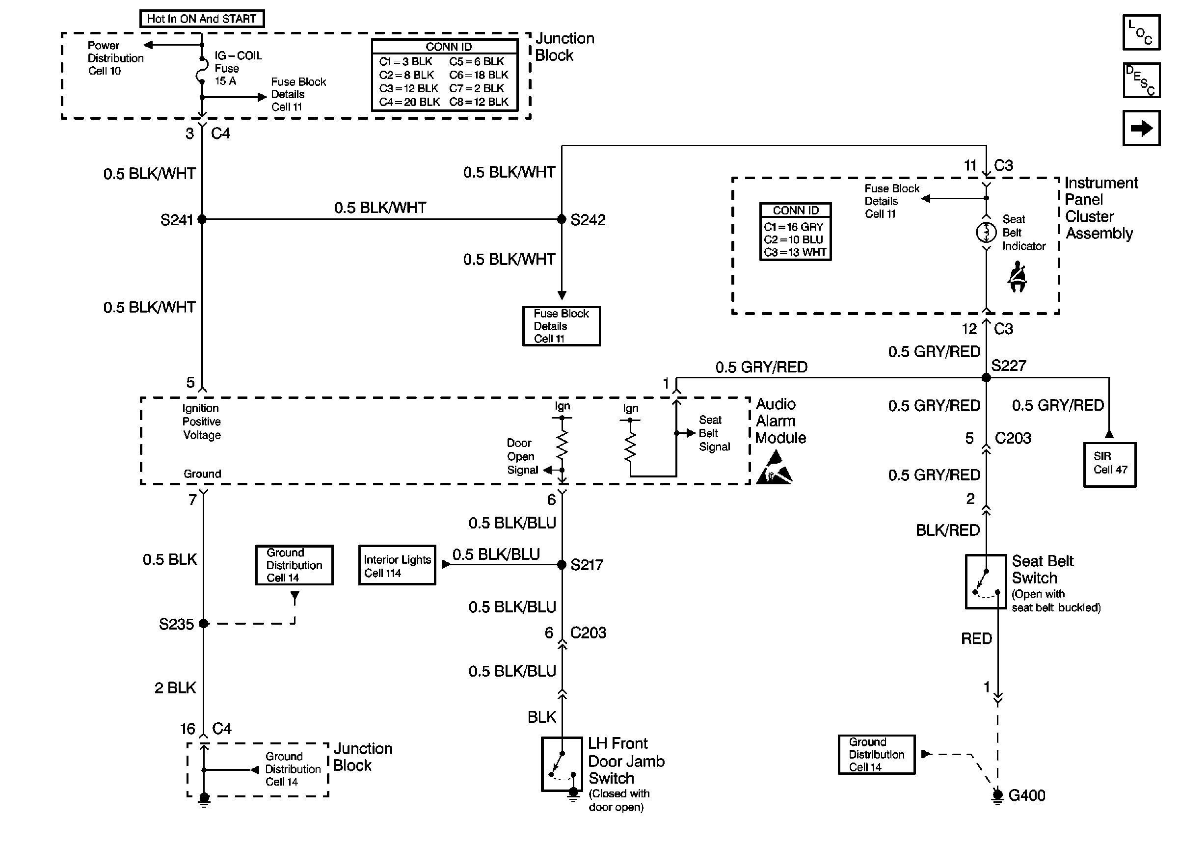
Figure
1:
Cell 76: Instrument Panel Cluster Assembly
Instrument Cluster Components
Cell 76: Ignition Key Warning Switch
SIR Schematics
Handling ESD Sensitive Parts Notice
Fuse Block Schematics
Ground Distribution Schematics
Ground Distribution Schematics
Interior Lights Schematics
Power Distribution Schematics
Fuse Block Schematics
Ground Distribution Schematics
Fuse Block Schematics
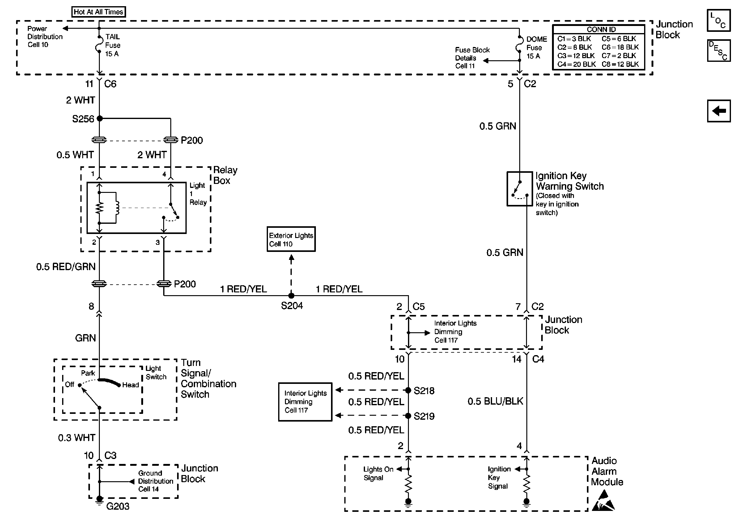
Figure
2:
Cell 76: Ignition Key Warning Switch
Power Distribution Schematics
Exterior Lights Schematics
Interior Lights Dimming Schematics
Ground Distribution Schematics
Handling ESD Sensitive Parts Notice
Interior Lights Dimming Schematics
Instrument Cluster Components
Cell 76: Instrument Panel Cluster Assembly