GM Service Manual Online
For 1990-2009 cars only
Makes
🢒
Chevrolet
🢒
2007
🢒
Optra
🢒 Air Delivery and Temperature Controls
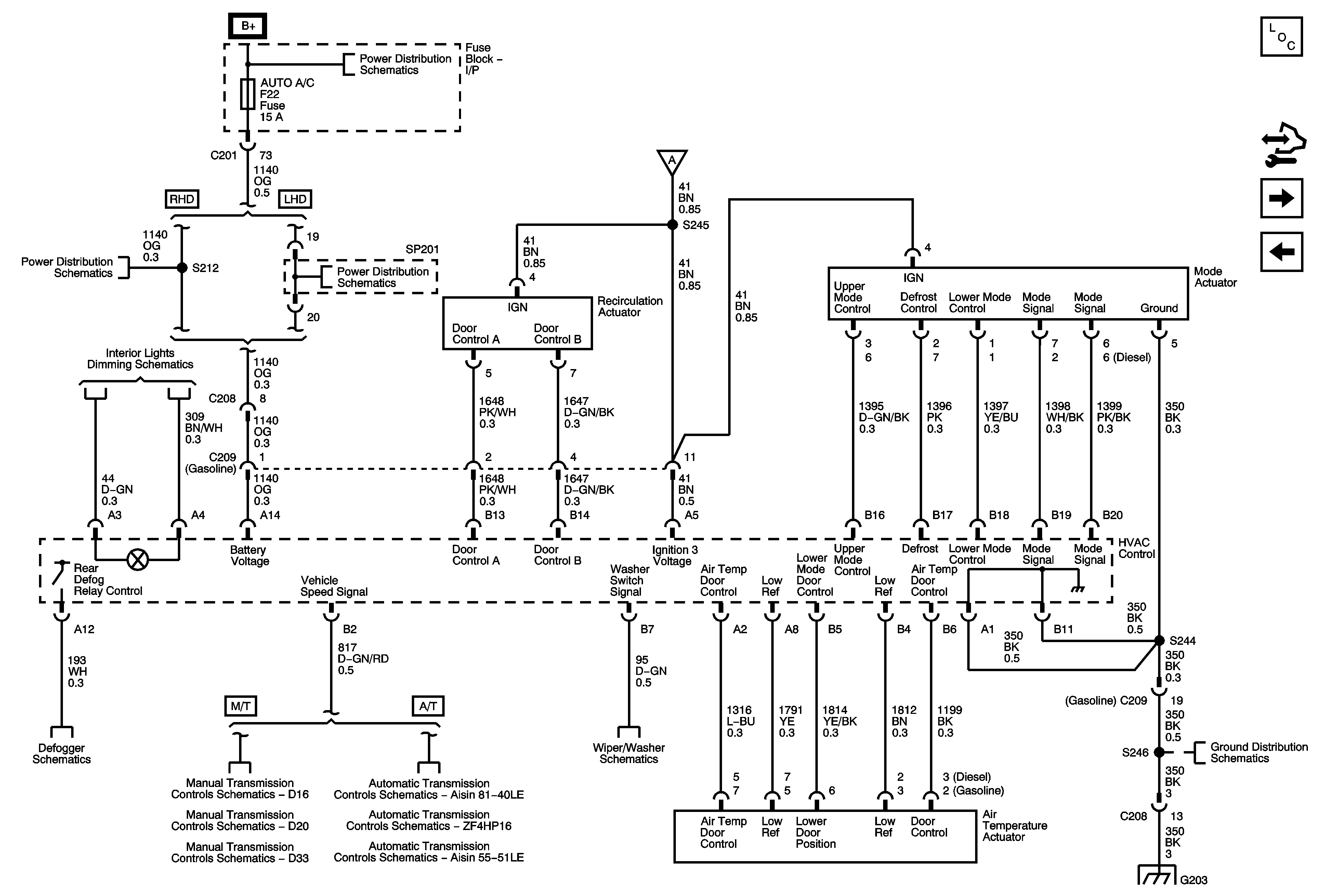
Air Delivery and Temperature Controls
Air Delivery and Temperature Controls
Master Electrical Component List
Control Module References
HVAC Sensors
Compressor Controls - Diesel
Underhood Fuse Block - BATT PWR, IGN 1 and IGN 2, Fuses, Ignition Switch, I/P Fuse Block - RADIO, IMMOBILIZER, DLC, AUTO A/C, HAZARD LAMPS, RKE TCM, and REAR FOG/CRUISE Fuses
Defogger Schematics
Manual Transmission Schematics
Manual Transmission Schematics
Manual Transmission Schematics
Vehicle Speed and Input Speed Sensors
Vehicle Speed Signal
Input Shaft, Output Shaft, Vehicle Speed Sensors
G203
G203