GM Service Manual Online
For 1990-2009 cars only
Makes
🢒
Chevrolet
🢒
2007
🢒
Optra
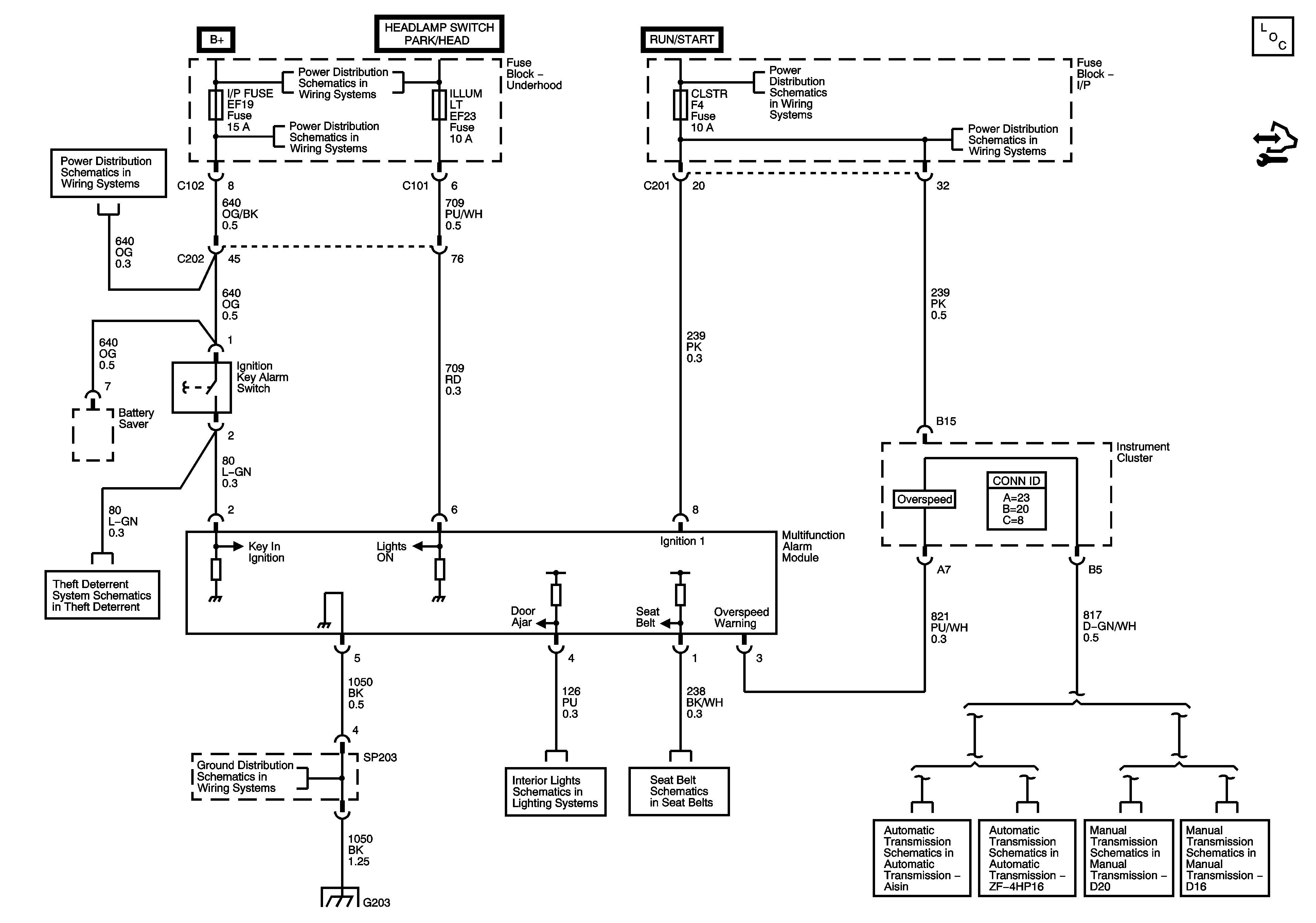
🢒 Audible Warnings Schematics
Audible Warnings Schematics
Master Electrical Component List
Control Module References
Underhood Fuse Block - Battery Feeds - 1of 2
Underhood Fuse Block - Battery Feeds - 1of 2
Underhood Fuse Block - Battery Feeds - 1of 2
Underhood Fuse Block - Battery Feeds - 1of 2
Underhood Fuse Block - Battery Feeds - 1of 2
Remote Function/Theft Deterrent Schematics
G101
G203
Interior Lights Schematics
Seat Belt Schematics
Module Power, Ground, Malfunction Indicator Lamp (MIL), Hold Lamp and Serial Data
Power, Ground, Hold Switch and DLC
Manual Transmission Schematics
Manual Transmission Schematics