GM Service Manual Online
For 1990-2009 cars only
Figure 1:

Headlamps - North America


Object Number: 1962877  Size: FS
Master Electrical Component List
Control Module References
Headlamps - LHD Except North America
Fuse Block - Underhood B+ Bus, 1 of 3
Fuse Block - Underhood B+ Bus, 1 of 3
Fuse Block - Underhood B+ Bus, 1 of 3
Fuse Block - Underhood B+ Bus, 1 of 3
Fuse Block - Underhood B+ Bus, 1 of 3
G101
G201 - 1 of 2
G101
G102
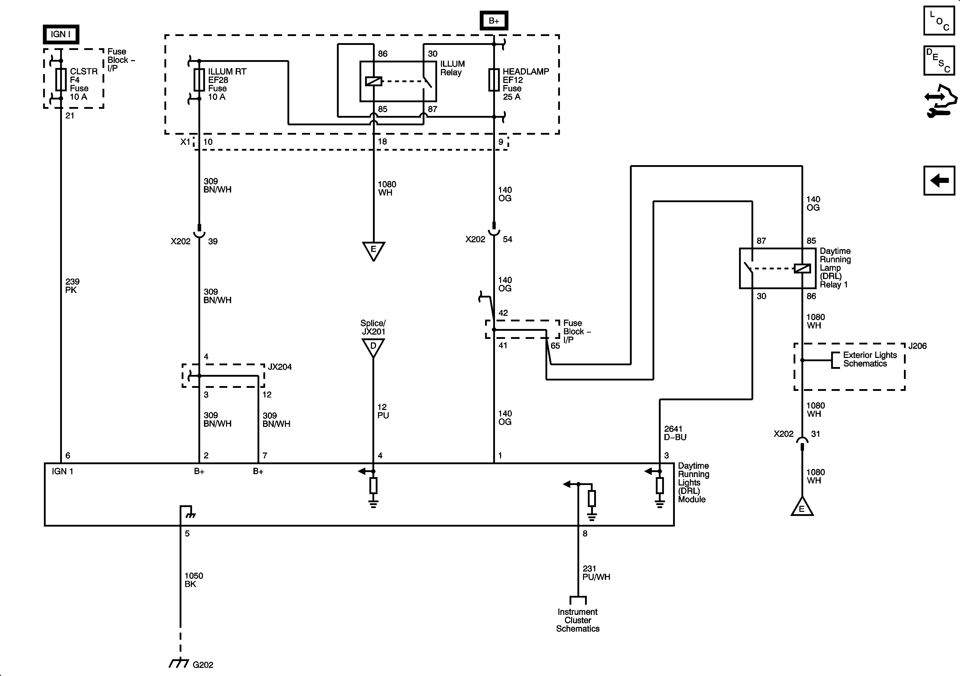
Figure 2:

Daytime Running Lamps - North America


Object Number: 1962908  Size: FS
Master Electrical Component List
Fuse Block - Underhood B+ Bus, 1 of 3
Fuse Block - Underhood B+ Bus, 1 of 3
Fuse Block - Underhood B+ Bus, 1 of 3
Hydraulic Brake
G101
G101
Headlights Schematics (RHD)
G203
Figure 3:

Headlamps - LHD Except North America


Object Number: 1962857  Size: FS
Master Electrical Component List
Control Module References
Headlamps - North America
Headlights Schematics (RHD)
Fuse Block - Underhood B+ Bus, 1 of 3
Fuse Block - Underhood B+ Bus, 1 of 3
Fuse Block - Underhood B+ Bus, 1 of 3
Fuse Block - Underhood B+ Bus, 1 of 3
Headlights Schematics (RHD)
G101
G201 - 1 of 2
G101
G102
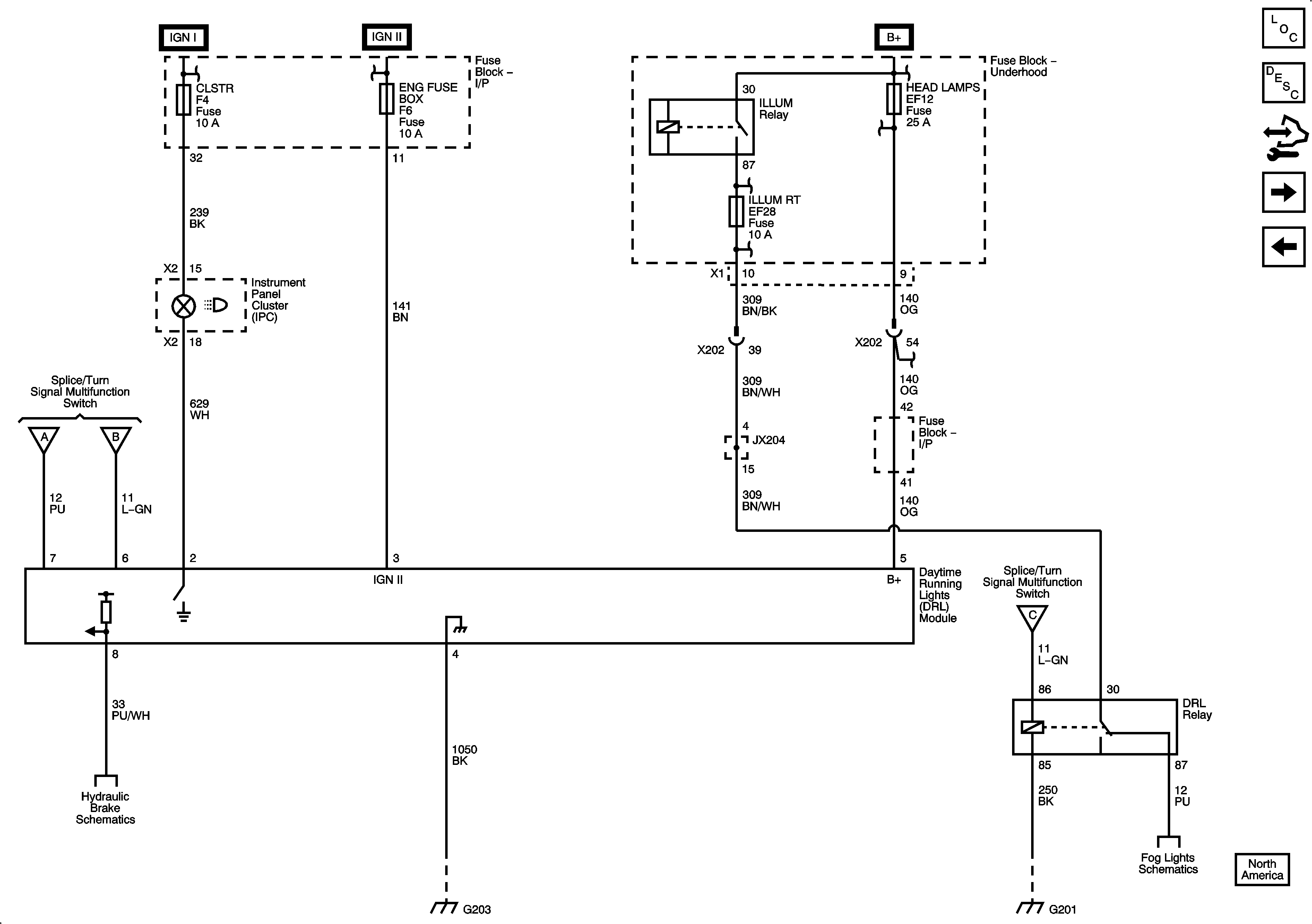
Figure 4:

Daytime Running Lights - LHD Except North America


Object Number: 1962911  Size: FS
Master Electrical Component List
Control Module References
Fuse Block - Underhood B+ Bus, 1 of 3
Fuse Block - Underhood B+ Bus, 1 of 3
Fuse Block - Underhood B+ Bus, 1 of 3
Fuse Block - Underhood B+ Bus, 1 of 3
Headlights Schematics (RHD)
Interior Lights
G101
G101
G203
G101
G201 - 1 of 2
Power, Ground, I/P Illumination, and Door Open Indicators