GM Service Manual Online
For 1990-2009 cars only
Makes
🢒
Chevrolet
🢒
2008
🢒
Optra
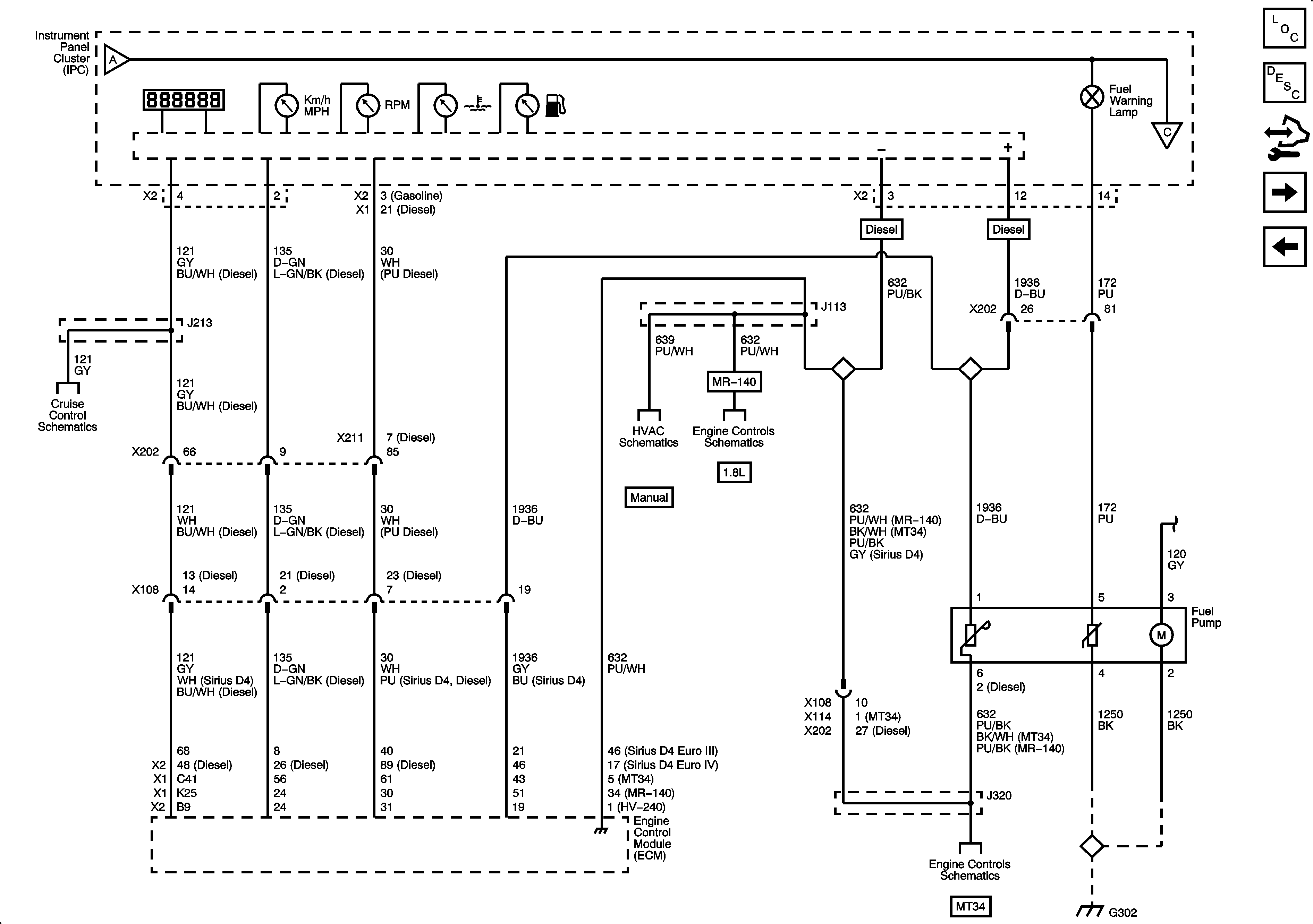
🢒 Gages
Gages
Gages
Master Electrical Component List
Control Module References
Power Steering, Shift Program, Air Bags, TPMS, ABS, TCS, Park Brake, and Charging Warning Lamps
Power, Ground, I/P Illumination, and Door Open Indicators
Power, Ground, I/P Illumination, and Door Open Indicators
Air Bag, MIL Lamp, Oil Pressure, DRL, Cruise, and Fog Indicators
with Throttle Actuator Control
Blower Controls
Module Power, Ground, Sensor Data, Malfunction Indicator Lamp (MIL)
Fuse Block - Underhood B+ Bus, 1 of 3
Module Power, Ground, Serial Data, Malfunction Indicator Lamp (MIL)
G302