GM Service Manual Online
For 1990-2009 cars only
Makes
🢒
Chevrolet
🢒
2000
🢒
Prizm
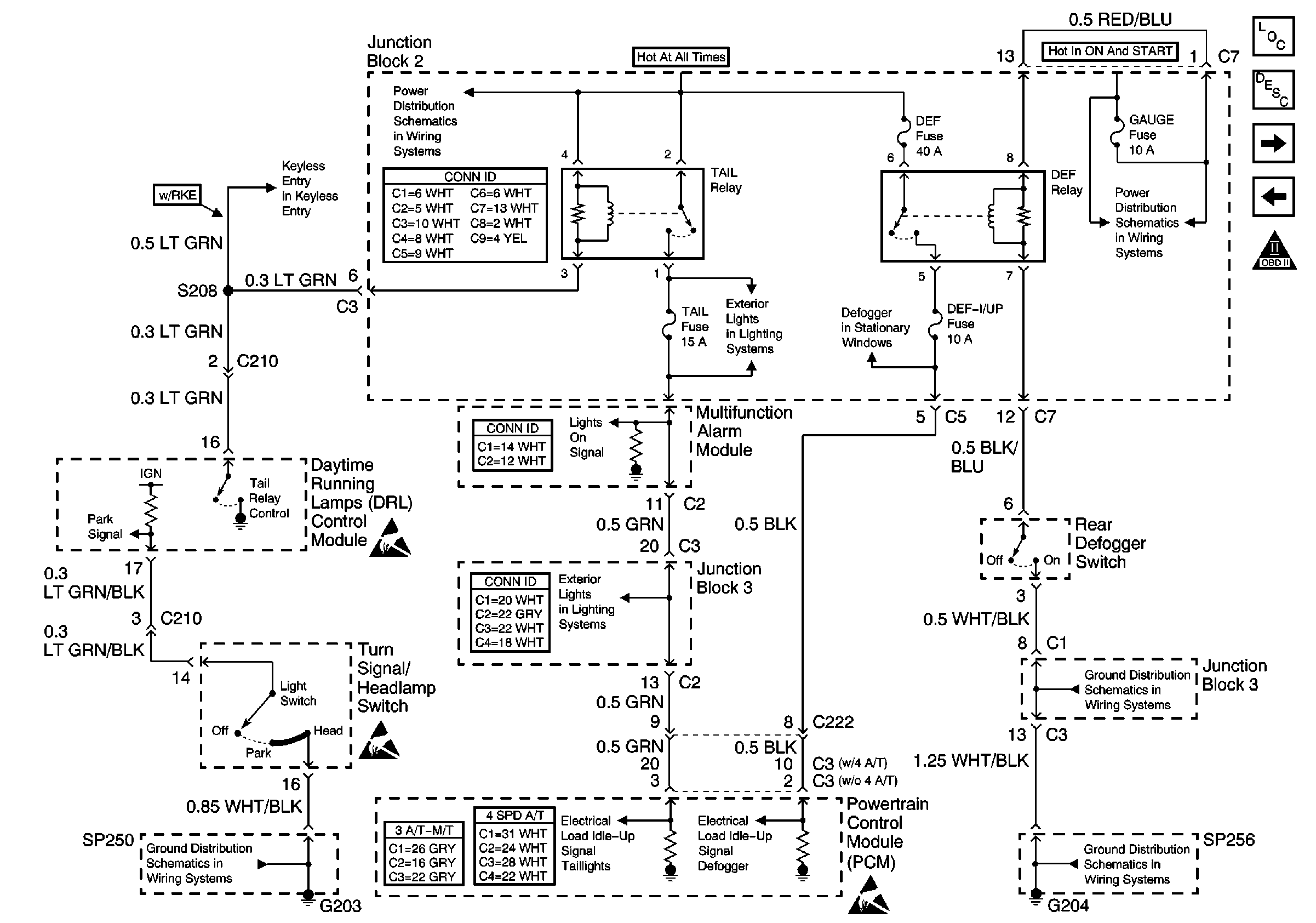
🢒 Idle Up signals
Idle Up signals
Idle Up signals
Engine Controls Components
A/T Controls Inputs
EVAP Controls, and IAC Valve
OBD II Symbol Description Notice
Handling ESD Sensitive Parts Notice
Handling ESD Sensitive Parts Notice
Handling ESD Sensitive Parts Notice
Cell 10: Gauge Fuse
Cell 10: Gauge Fuse
Cell 132: Ignition Key Alarm Switch, Remote Control Door Lock Receiver, and TAIL Relay
Cell 14: G200, G203, SP250 and SP650
Cell 14: Junction Block 3
Cell 14: G204 and SP256
Cell 110: DRL Control Module, Remote Control Door Lock Reciever, Tail, and Light
Cell 110: Cruise Control Module and Stoplamp Switch
Cell 61