GM Service Manual Online
For 1990-2009 cars only
Makes
🢒
Chevrolet
🢒
2000
🢒
Prizm
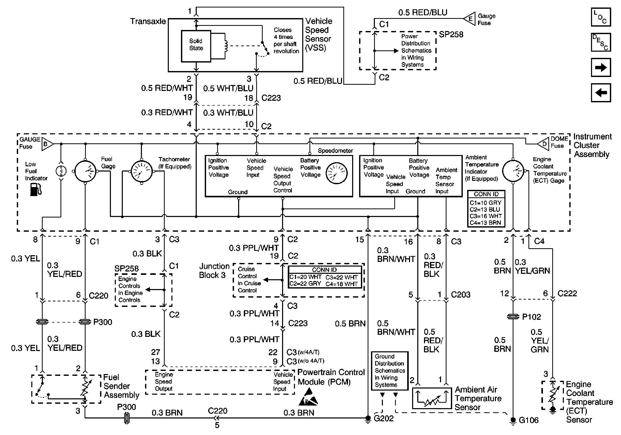
🢒 Temperature Gauge, Speedometer, and Low Fuel Indicator
Temperature Gauge, Speedometer, and Low Fuel Indicator
Temperature Gauge, Speedometer, and Low Fuel Indicator
Instrument Panel, Gages, and Console Component Views
Instrument Cluster Circuit Description
Illumination Lamps, Door Open, Air Bag, and Charge Indicators
ABS, Oil Pressure, MIL, O/D OFF, and Cruise Indicators
Handling ESD Sensitive Parts Notice
Cell 10: Gauge Fuse
Cell 14: G105 and G106 (1 of 2)
Cell 20: Tachometer
Cell 34: Vehicle Speed Sensor