GM Service Manual Online
For 1990-2009 cars only
Makes
🢒
Chevrolet
🢒
2000
🢒
Prizm
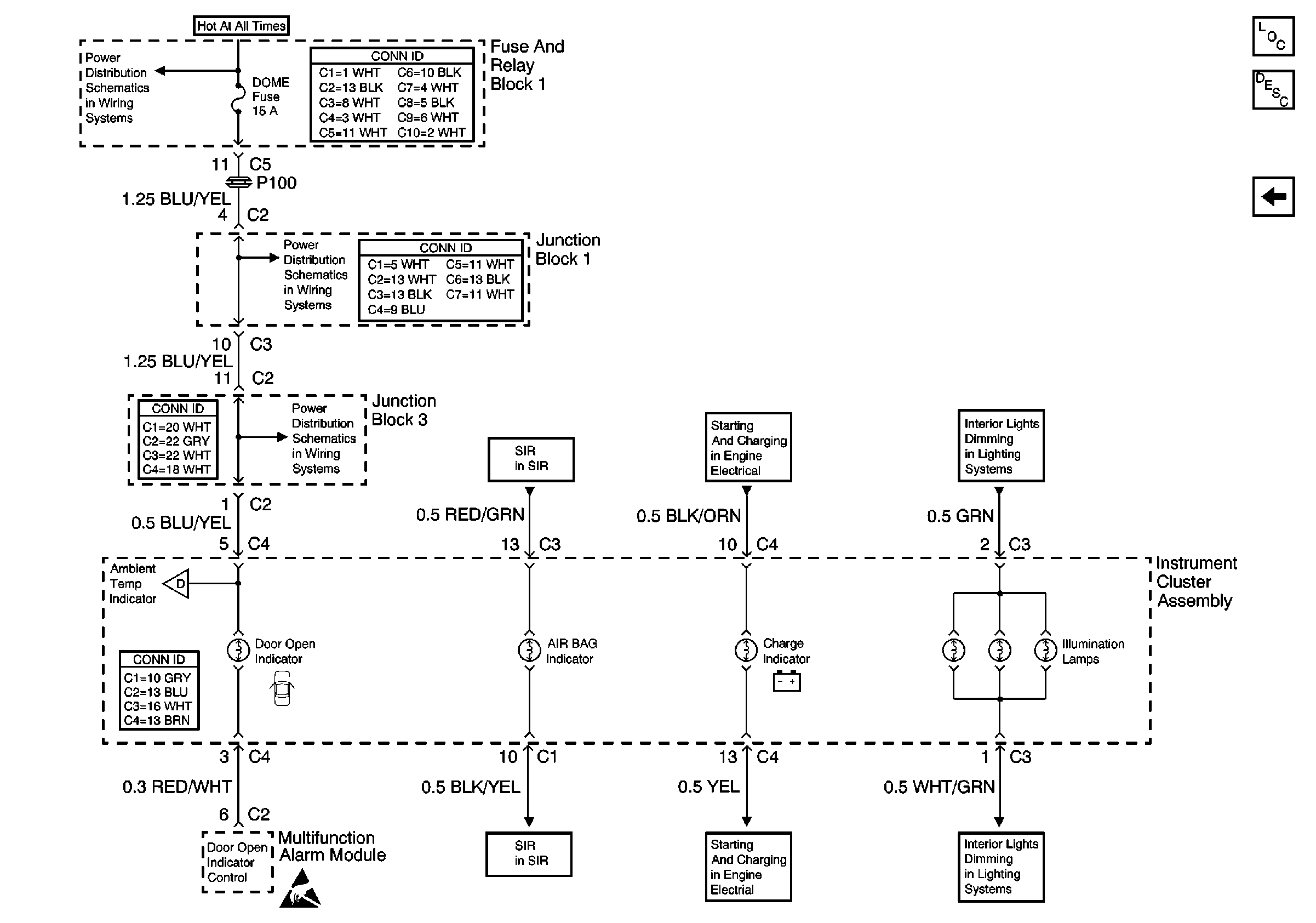
🢒 Illumination Lamps, Door Open, Air Bag, and Charge Indicators
Illumination Lamps, Door Open, Air Bag, and Charge Indicators
Illumination Lamps, Door Open, Air Bag, and Charge Indicators
Instrument Panel, Gages, and Console Component Views
Instrument Cluster Circuit Description
Temperature Gauge, Speedometer, and Low Fuel Indicator
Handling ESD Sensitive Parts Notice
Cell 10: Alt-S, AM2, Dome, EFI, Hazard, Horn, and Main Fuses
Cell 10: Alt-S, AM2, Dome, EFI, Hazard, Horn, and Main Fuses
Cell 10: Alt-S, AM2, Dome, EFI, Hazard, Horn, and Main Fuses
Cell 47: AIR BAG Indicator and Inflatable Restraint Sensing and Diagnostic Module
Cell 47: AIR BAG Indicator and Inflatable Restraint Sensing and Diagnostic Module
Cell 117: Ashtray, Cigar Lighter, and Manual Selector Illumination Lamps
Cell 117: Ashtray, Cigar Lighter, and Manual Selector Illumination Lamps
Cell 30: Battery, CPP Switch, Fusible Link, Ignition Switch, ST Relay, and Starter
Cell 30: Battery, CPP Switch, Fusible Link, Ignition Switch, ST Relay, and Starter