GM Service Manual Online
For 1990-2009 cars only

Circuit Description

The DCT P0451 Fuel Tank Pressure (FTP) Sensor Performance diagnostic checks the accuracy of the FTP sensor signal. The evaporative emission (EVAP) control system prevents the emission of the fuel vapors. The fuel vapor generated in the fuel tank while driving or idling enters the EVAP canister where a charcoal element absorbs and stores the fuel vapor. When certain engine operating conditions are met the powertrain control module (PCM) purges the EVAP canister of stored vapors by turning ON the EVAP canister purge valve.

Emissions laws require that the PCM detect any leakage within the EVAP system. The PCM monitors the EVAP system for leaks by controlling and observing the vapor pressures in the EVAP system. The FTP sensor is used to detect any unexpected pressure in the EVAP system. The PCM supplies a 5 volt reference and an electrical ground to the FTP sensor. The FTP sensor contains a silicon based chip that changes electrical resistance when pressure is applied. The sensor converts the positive or the negative pressure into an electrical signal and sends the signal to the PCM.

Conditions for Running the DTC

    • The engine is idling.
    • No vehicle speed is detected.
    • The EVAP pressure switching solenoid is OFF.

Conditions for Setting the DTC

The FTP sensor output voltage rapidly shifts from inside to outside a specified range.

Action Taken When the DTC Sets

    • The PCM illuminates the malfunction indicator lamp (MIL) after 2 consecutive ignition cycles in which the diagnostic runs with the fault active.
    • The PCM records the operating conditions at the time the diagnostic fails. This information is stored in the Freeze Frame buffer.

Conditions for Clearing the MIL/DTC

    • The MIL turns OFF after three consecutively passing trips without a fault present.
    • A History DTC clears after 40 consecutive warm-up cycles without a fault.
    • Use the scan tool Clear DTC Information function.

Diagnostic Aids

Check for any of the following conditions:

    • If a DTC P0450 is intermittent, road test the vehicle while observing the fuel tank pressure sensor with a scan tool. A momentary reading of -30.0 mm Hg (-16 in H2O) or less may indicate an intermittent short to ground in the sensor input circuit. A momentary reading of 15.0 mm Hg (8 in H2O) or more may indicate an open in the sensor input or ground circuit.
    • To perform a functional check of the FTP sensor, refer to Evaporative Emission Control System Diagnosis .
    • If a DTC P0451 is intermittent, driving the vehicle under the conditions outlined in the Inspection/Maintenance (I/M) section can verify whether the fault is present. Refer to Inspection/Maintenance Evaporative Emission System Set .
    • The EVAP system diagnostic can be monitored on the scan tool under the I/M System Information selection. When the EVAP test displays a YES status, indicating that the system diagnostic is completed, check for DTC P0451 in the Last Test Failed screen of the scan tool. If there is no DTC P0451 displayed the EVAP system diagnostic has run and passed, indicating that no malfunction was present this time. DTCs MUST be cleared in order to view the Current Status of the system diagnostics being performed. Do not forget that the I/M System Information tests only indicate that the test has run, not if the test passed or failed. The Last Test Failed screen must be checked for related DTCs in order to determine the outcome of the diagnostic test involved.

An intermittent malfunction may be caused by a fault in the FTP sensor electrical circuit. Inspect the wiring harness and the components for an intermittent condition. Refer to Intermittent Conditions .

Repair any electrical circuit faults that were found. Refer to Wiring Repairs in Wiring Systems.

The information included in the Freeze Frame data can be useful in determining the vehicle operating conditions when the DTC first set.

Test Description

The numbers below refer to the step numbers in the diagnostic table.

  1. The Diagnostic System Check-Engine Controls prompts the technician to complete some basic checks and store the Freeze Frame data on the scan tool if applicable. This creates an electronic copy of the data taken when the fault occurred. The information is then stored in the scan tool for later reference.

  2. This step determines if a FTP sensor malfunction is present. The input signal of the FTP sensor should indicate atmospheric pressure with the fuel tank filler cap removed. The fuel tank pressure sensor will vary with atmospheric pressure. A typical pressure at sea level is between 0.0-0.99 mm Hg (0.0-0.5 in H2O).

  3. This step determines if DTC P0451 is the result of a hard failure or an intermittent condition. Operating the vehicle in Check mode enhances the diagnostic capabilities of the PCM.

  4. This step determines if there is trapped negative or positive pressure at the FTP sensor.

  5. Checks for an open or a short in the FTP sensor 5 volt reference.

  6. Checks for an open or short in the FTP sensor input circuit.

  7. Checks for an open in the FTP sensor ground circuit.

Step

Action

Values

Yes

No

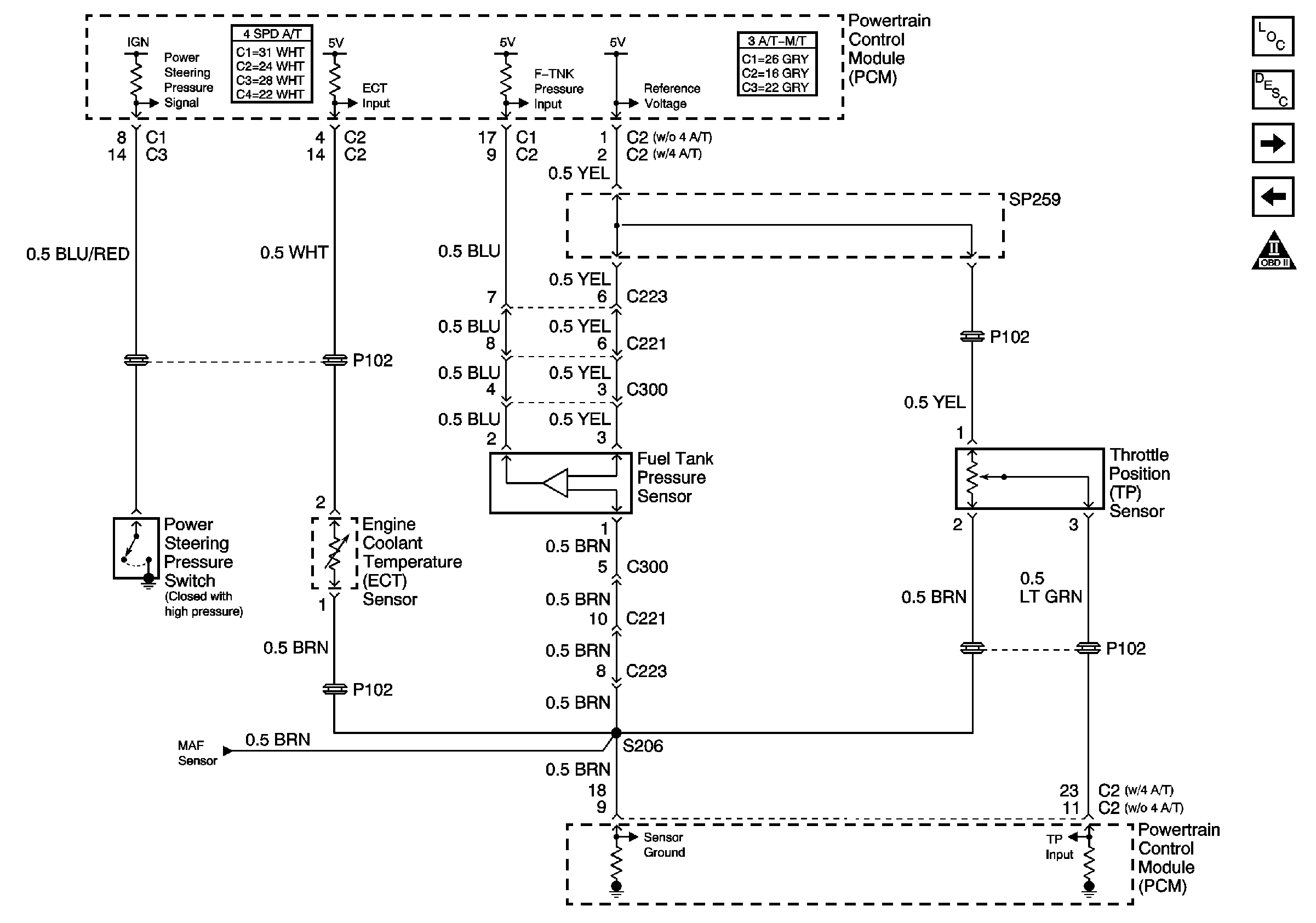
Schematic Reference:

Engine Data Sensors


Object Number: 688266  Size: FS
Master Electrical Component List
Powertrain Control Module Description
OBD II Symbol Description Notice
MAF Sensor
Fuel Injectors

1

Did you perform the Diagnostic System Check-Engine Controls?

--

Go to Step 2

Go to Diagnostic System Check - Engine Controls

2

  1. Loosen the fuel tank filler cap in order to release any pressure inside the fuel tank.
  2. Turn ON the ignition, with the engine OFF.
  3. Observe the fuel tank pressure sensor (FTP) parameter on the scan tool.

Is the FTP sensor within the specified range?

0.0-0.99 mm Hg (0.0-0.5 in H2O)

Go to Step 3

Go to Step 4

3

  1. Perform the scan tool Clear DTC Information function.
  2. Place the vehicle into Check Mode using the scan tool. Refer to Service Bay Test .
  3. Operate the vehicle within the Freeze Frame conditions as noted.

Does the DTC P0451 set?

--

Go to Step 6

Go to Diagnostic Aids

4

  1. Disconnect the vapor pressure supply hose to the FTP sensor.
  2. Turn ON the ignition, with the engine OFF.
  3. Observe the FTP sensor parameter on the scan tool.

Is the FTP sensor within the specified range?

0.0-0.99 mm Hg (0.0-0.5 in H2O)

Go to Step 5

Go to Step 6

5

  1. Repair the cause of the trapped vapor pressure to the FTP sensor. Check for any of the following conditions:
  2. • A pinched, crushed, or restricted vapor line or hose from the fuel tank
    • A blocked or restricted vapor pressure passage in the fuel tank
  3. Repair as necessary.

Is the action complete?

--

Go to Step 14

--

6

  1. Turn OFF the ignition.
  2. Disconnect the FTP sensor electrical connector.
  3. Turn ON the ignition, with the engine OFF.
  4. Measure the voltage from the FTP sensor connector cavity 3 on the harness side using a DMM.

Does the voltage equal the specified value?

5 V

Go to Step 7

Go to Step 8

7

Measure the voltage from the FTP sensor connector cavity 2 on the harness side using a DMM.

Is the voltage near the specified value?

4.9 V

Go to Step 10

Go to Step 9

8

Repair the open in the reference voltage circuit of the FTP sensor between the sensor and SP259. Refer to Wiring Repairs in Wiring Systems.

Is the action complete?

--

Go to Step 14

--

9

  1. Inspect the input circuit of the FTP sensor for an open or short. Verify that the input circuit is not shorted to the sensor ground circuit.
  2. Repair as necessary. Refer to Wiring Repairs in Wiring Systems.

Was a repair necessary?

--

Go to Step 14

Go to Step 13

10

Probe the FTP sensor connector cavity 1 on the harness side with a test lamp connected to battery voltage.

Does the test lamp illuminate?

--

Go to Step 12

Go to Step 11

11

Repair the open in the ground circuit of the FTP sensor between the sensor and S206. Refer to Wiring Repairs in Wiring Systems.

Is the action complete?

--

Go to Step 14

--

12

Replace the FTP sensor. Refer to Fuel Tank Pressure Sensor Replacement .

Is the action complete?

--

Go to Step 14

--

13

Replace the PCM. Refer to Powertrain Control Module Replacement .

Is the action complete?

--

Go to Step 14

--

14

  1. Use the scan tool in order to clear the DTCs.
  2. Turn OFF the ignition for 30 seconds.
  3. Start the engine.
  4. Operate the vehicle within the Conditions for Running the DTC or until the EVAP test is complete. Review the supporting text.

Does the DTC run and pass?

--

Go to Step 14

Go to Step 2

15

With a scan tool, observe the stored information, Capture Info.

Does the scan tool display any DTCs that you have not diagnosed?

--

Go to Diagnostic Trouble Code (DTC) List

System OK