GM Service Manual Online
For 1990-2009 cars only
Makes
🢒
Chevrolet
🢒
1999
🢒
S10 Pickup - 2WD
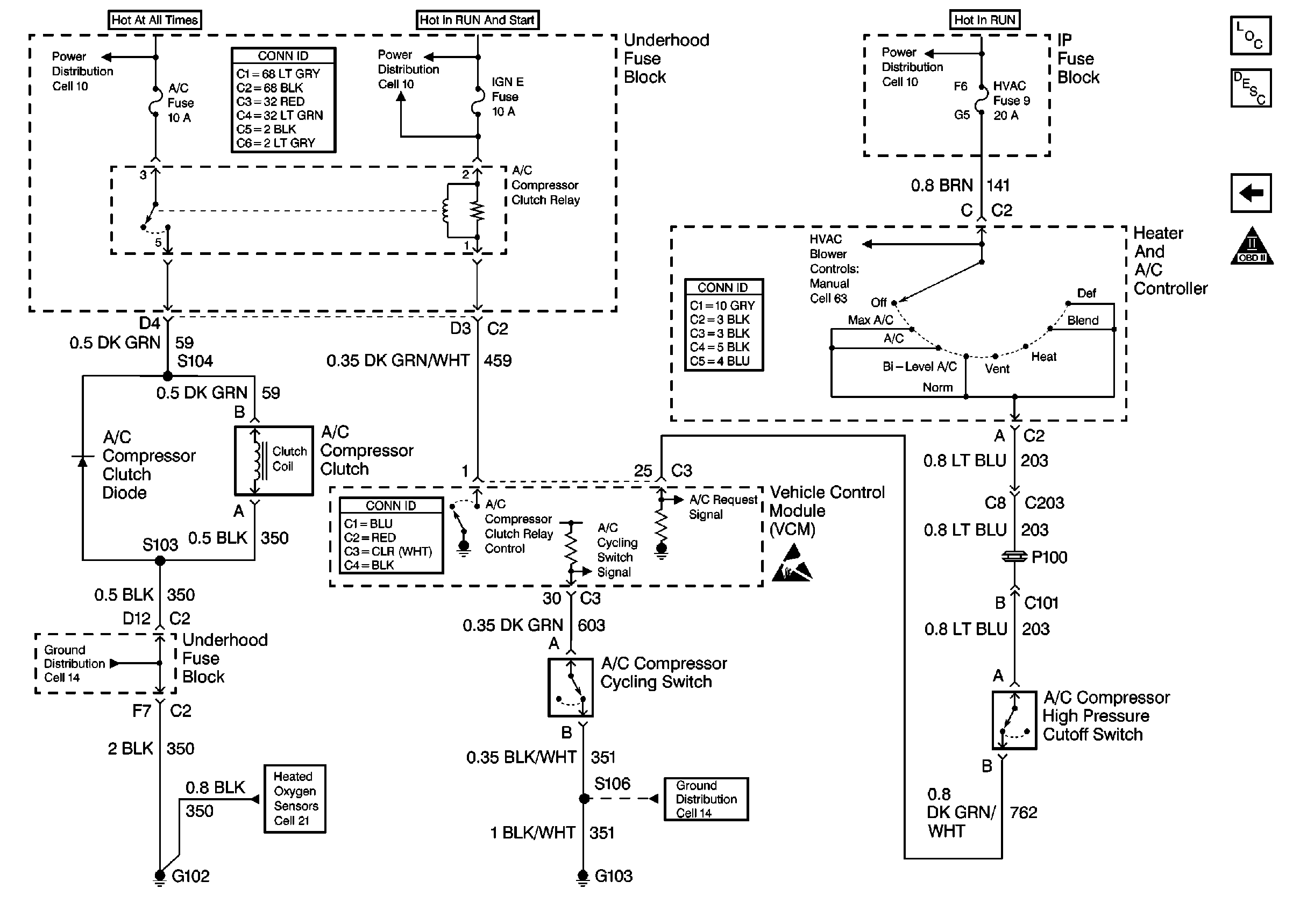
🢒 Cell 21: A/C Compressor Control
Cell 21: A/C Compressor Control
Cell 21: A/C Compressor Control
Cell 10: ATC, HVAC and A/C Fuses
Power and Grounding Connector End Views
Cell 14: Underhood Grounds
Cell 21: Heated Oxygen Sensors
VCM Connector End Views
Handling ESD Sensitive Parts Notice
HVAC Connector End Views
Cell 14: G103 and G105 (4.3L)
Cell 63
Cell 10: HVAC and CRUISE Fuses
Engine Controls Components
Vehicle Control Module Description
Cell 21: Automatic Transmission Switch Inputs
OBD II Symbol Description Notice
Cell 10: IGN E, RDO IGN Fuses and Power Window Circuit Breaker