GM Service Manual Online
For 1990-2009 cars only
Makes
🢒
Chevrolet
🢒
1999
🢒
S10 Pickup - 2WD
🢒 Cell 63
Cell 63
Cell 63
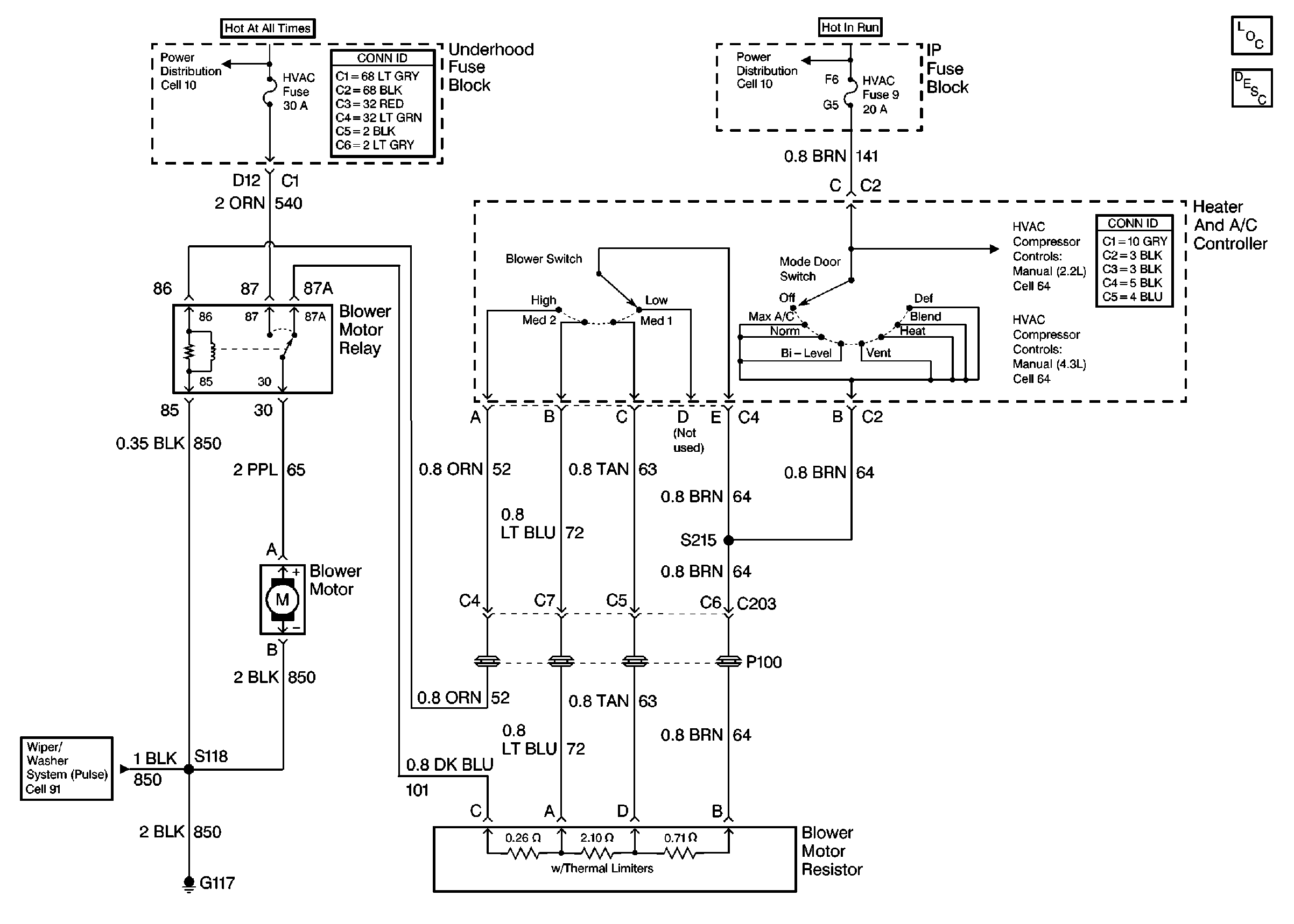
HVAC Components
Cigar Lighter/Auxiliary Outlet Circuit Description
Cell 10: ATC, HVAC and A/C Fuses
Power and Grounding Connector End Views
Cell 10: HVAC and CRUISE Fuses
Cell 91
HVAC Connector End Views
Cell 64 (2.2L)
Cell 64 (4.3L)
HVAC Components
HVAC Blower Controls Circuit Description