GM Service Manual Online
For 1990-2009 cars only
Makes
🢒
Chevrolet
🢒
2000
🢒
S10 Pickup - 2WD
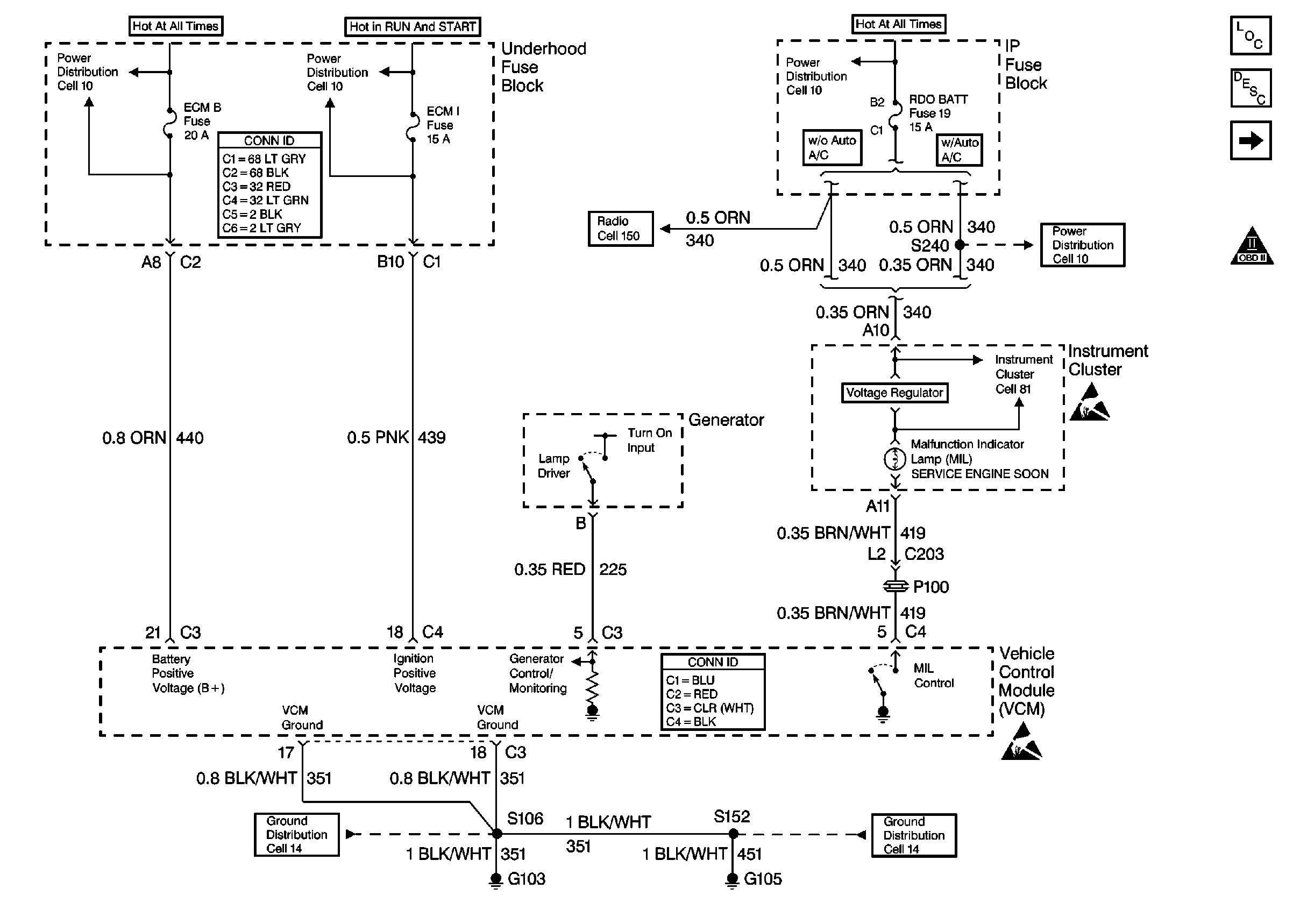
🢒 Cell 21: ECM B, ECM I and RDO BATT Fuses, GND, Generator and MIL
Cell 21: ECM B, ECM I and RDO BATT Fuses, GND, Generator and MIL
Cell 21: ECM B, ECM I and RDO BATT Fuses, GND, Generator and MIL
Cell 10: ECM B Fuse and Horn, Rear Defogger Relays
Power and Grounding Connector End Views
Cell 10: ECM I Fuse
Cell 10: AUX PWR, RDO BATT and HDLP SW Fuses
Cell 150: Power and Ground (Chevy/GMC)
Cell 10: AUX PWR, RDO BATT and HDLP SW Fuses
Engine Controls Components
Vehicle Control Module Description
Cell 21: CLSTR and 4WD Fuses
OBD II Symbol Description Notice
Handling ESD Sensitive Parts Notice
Cell 81: ILLUM, CLSTR and GAUGES Fuses and Instrument Cluster
Handling ESD Sensitive Parts Notice
VCM Connector End Views
Cell 14: G103 and G105 (4.3L)
Cell 14: G103 and G105 (4.3L)