GM Service Manual Online
For 1990-2009 cars only
Makes
🢒
Chevrolet
🢒
2000
🢒
S10 Pickup - 2WD
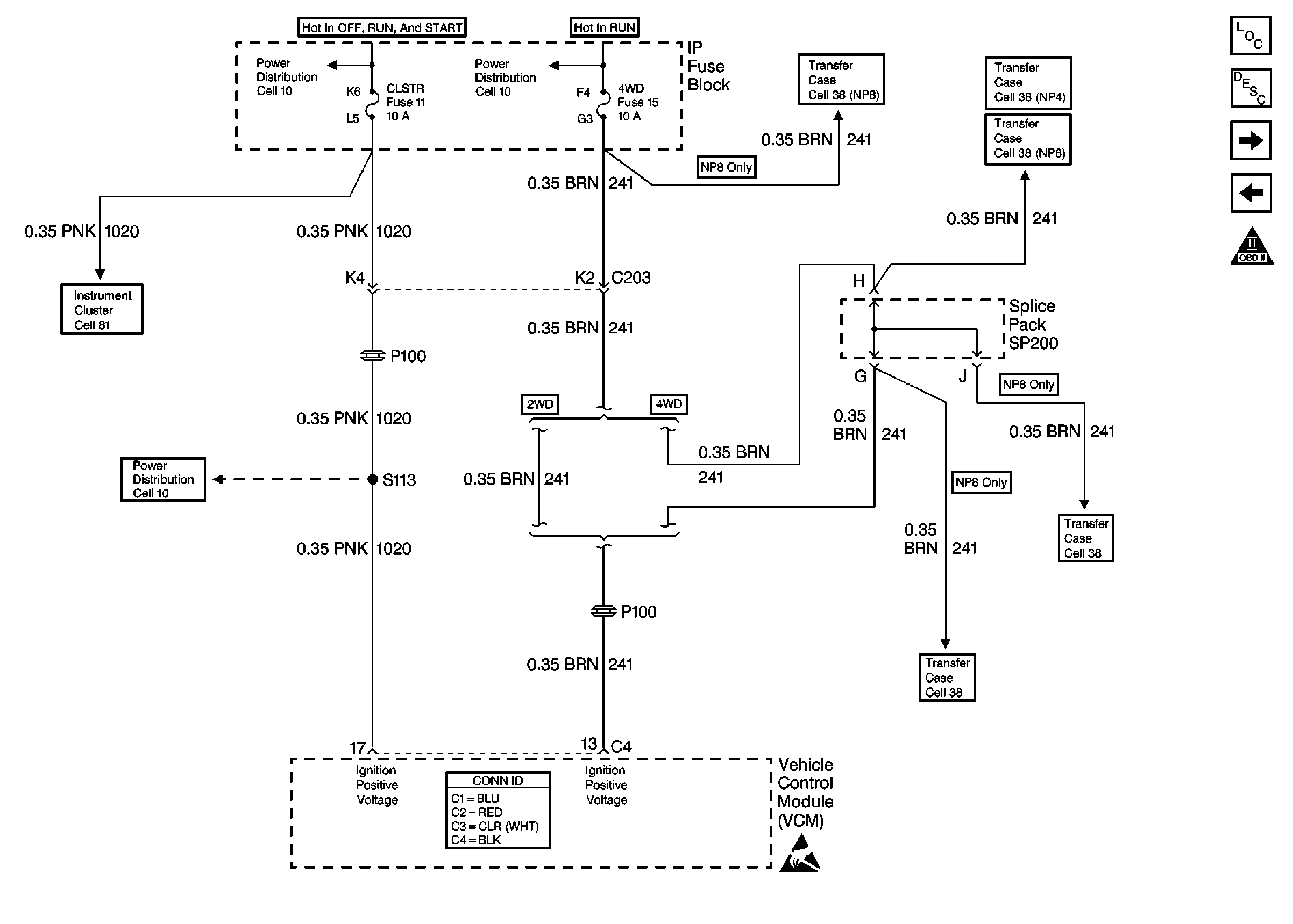
🢒 Cell 21: CLSTR and 4WD Fuses
Cell 21: CLSTR and 4WD Fuses
Cell 21: CLSTR and 4WD Fuses
Cell 81: ILLUM, CLSTR and GAUGES Fuses and Instrument Cluster
Cell 10: CRANK and CLSTR Fuses
VCM Connector End Views
Handling ESD Sensitive Parts Notice
Cell 38: Front Axle Clutch Solenoid and Front Axle Switch
Cell 38: Front Axle Clutch Solenoid and Front Axle Switch
Cell 38: Power and Ground
Cell 38: Transfer Case Encoder Motor
Cell 38: Power and Ground
Cell 10: 4WD Fuse (4.3L)
Cell 10: CRANK and CLSTR Fuses
Engine Controls Components
Vehicle Control Module Description
Cell 21: Data Link Connector
Cell 21: ECM B, ECM I and RDO BATT Fuses, GND, Generator and MIL
OBD II Symbol Description Notice