GM Service Manual Online
For 1990-2009 cars only
Makes
🢒
Chevrolet
🢒
2000
🢒
S10 Pickup - 2WD
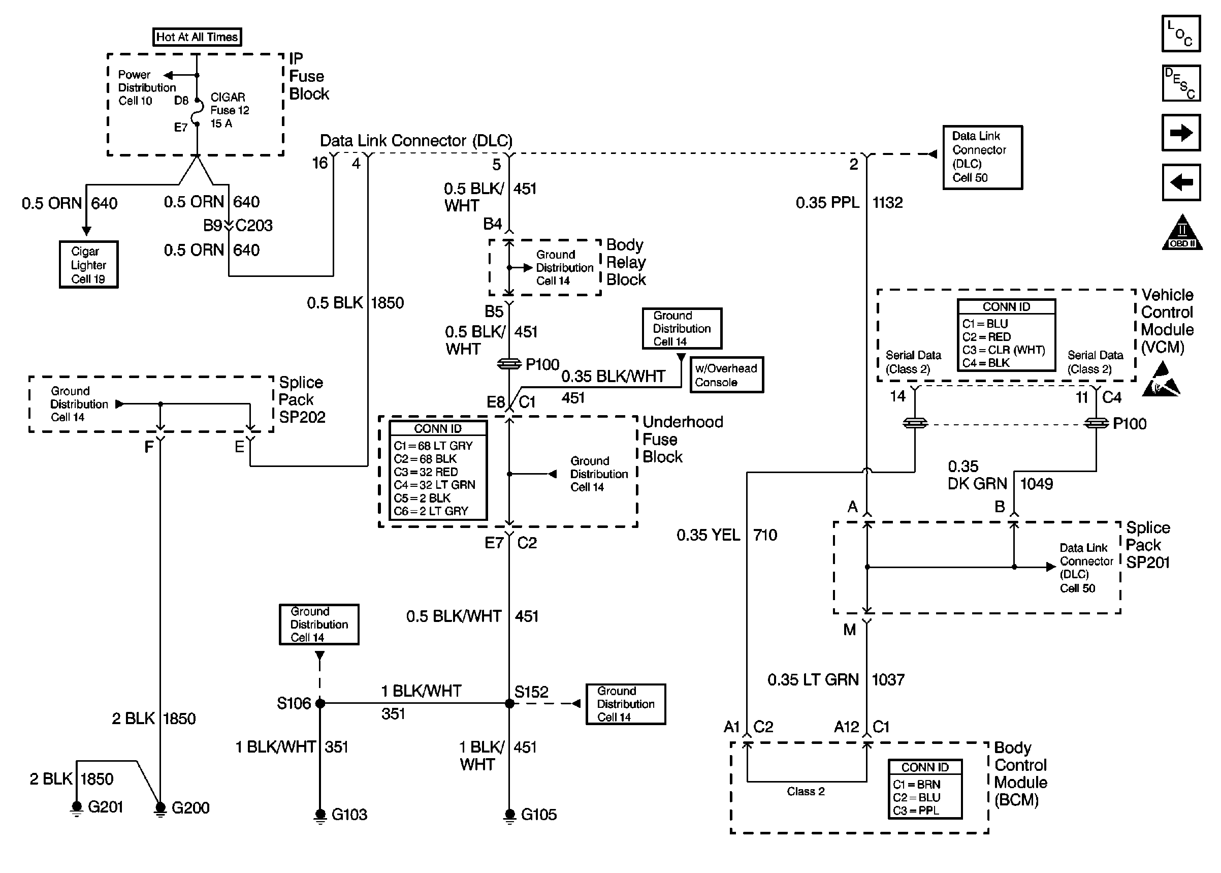
🢒 Cell 21: Data Link Connector
Cell 21: Data Link Connector
Cell 21: Data Link Connector
Cell 10: INT BATT Fuse
Cell 19 (Except Envoy)
Cell 14: G200, G201 and G207 (2-Door Utility w/ Endgate)
Power and Grounding Connector End Views
Cell 14: Body Relay Block and Underhood Fuse Block
Cell 14: Body Relay Block and Underhood Fuse Block
Cell 50: Power, Ground, SDM and VIU
VCM Connector End Views
Handling ESD Sensitive Parts Notice
Engine Controls Components
Vehicle Control Module Description
Cell 21: Ignition Controls
Cell 21: CLSTR and 4WD Fuses
OBD II Symbol Description Notice
Body Control System Connector End Views
Cell 14: G103 and G105 (4.3L)
Cell 14: G103 and G105 (4.3L)
Cell 50: Class 2 Communication (4.3L)
Cell 14: Body Relay Block and Underhood Fuse Block