GM Service Manual Online
For 1990-2009 cars only
Makes
🢒
Chevrolet
🢒
2000
🢒
S10 Pickup - 2WD
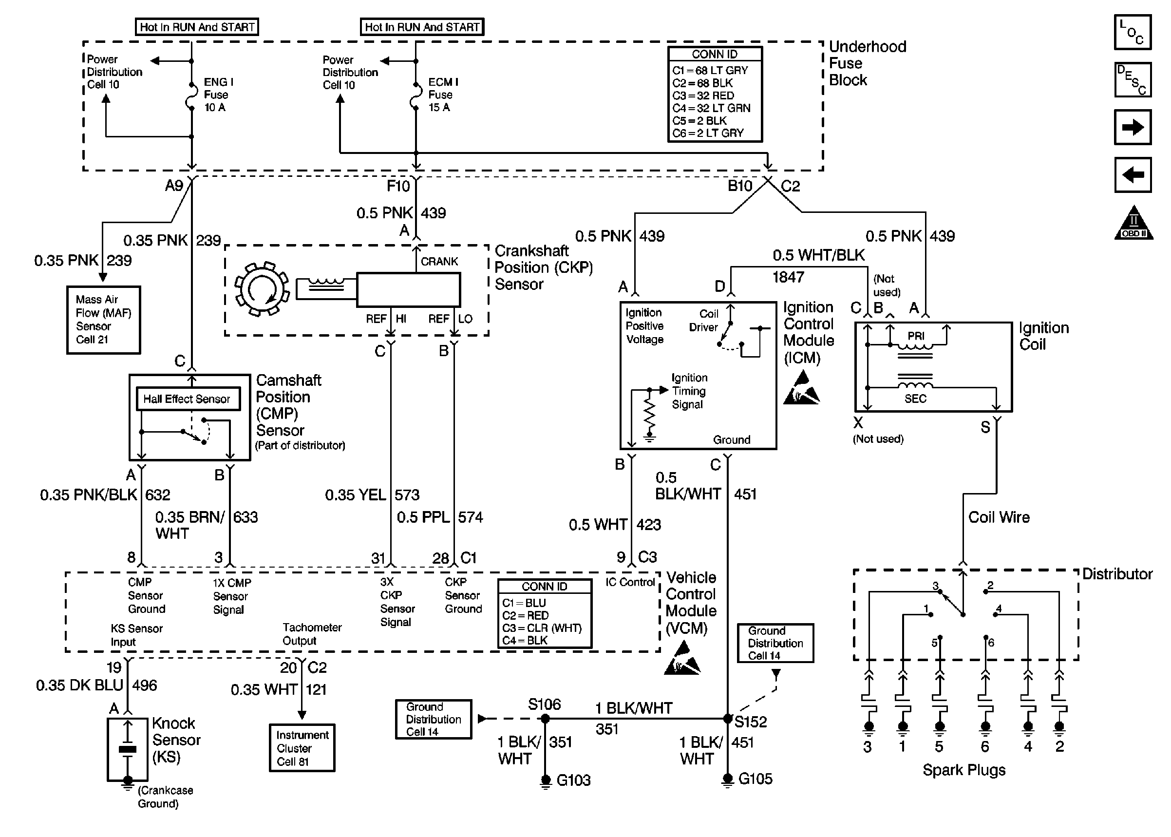
🢒 Cell 21: Ignition Controls
Cell 21: Ignition Controls
Cell 21: Ignition Controls
Cell 10: ENG I and OXYSEN Fuses
Cell 10: ECM I Fuse
Power and Grounding Connector End Views
Cell 21: MAF Sensor and IAC Valve
Cell 81: G203, G204, Park Switch and PCM/VCM
Cell 14: G103 and G105 (4.3L)
VCM Connector End Views
Handling ESD Sensitive Parts Notice
Cell 14: G103 and G105 (4.3L)
Engine Controls Components
Vehicle Control Module Description
Cell 21: Fuel Level Sensor
Cell 21: Data Link Connector
OBD II Symbol Description Notice
Handling ESD Sensitive Parts Notice