GM Service Manual Online
For 1990-2009 cars only
Makes
🢒
Chevrolet
🢒
2000
🢒
S10 Pickup - 2WD
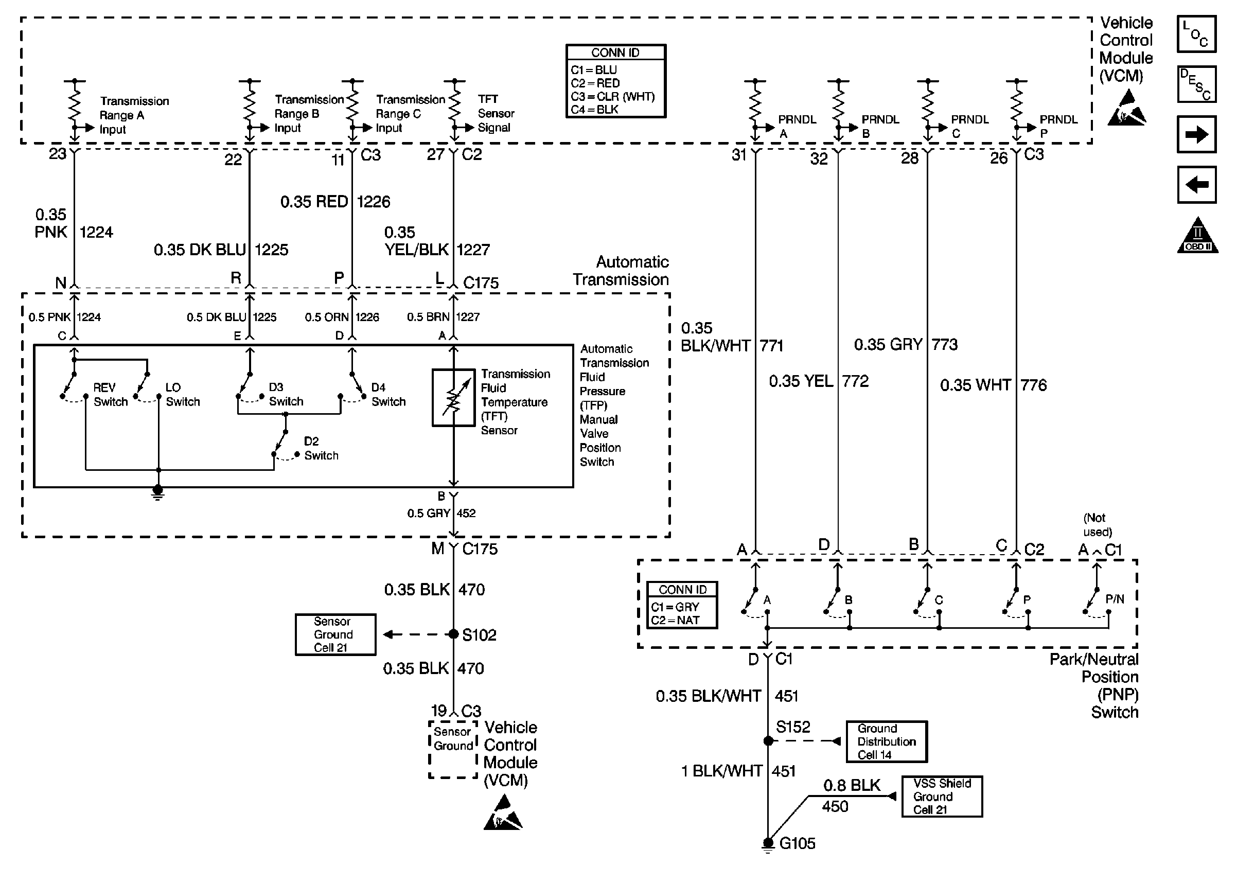
🢒 Cell 21: Automatic Transmission Switch Inputs
Cell 21: Automatic Transmission Switch Inputs
Cell 21: Automatic Transmission Switch Inputs
VCM Connector End Views
Handling ESD Sensitive Parts Notice
Engine Controls Components
Vehicle Control Module Description
Cell 21: Manual A/C Compressor Control
Cell 21: Automatic Transmission Valve Controls
OBD II Symbol Description Notice
Tilt Wheel/Column Connector End Views
Cell 21: Engine Sensors (Pickup)
Handling ESD Sensitive Parts Notice
Cell 14: G103 and G105 (4.3L)
Cell 21: Vehicle Speed Sensor