GM Service Manual Online
For 1990-2009 cars only
Makes
🢒
Chevrolet
🢒
2000
🢒
S10 Pickup - 2WD
🢒 Cell 51: Turn Signals
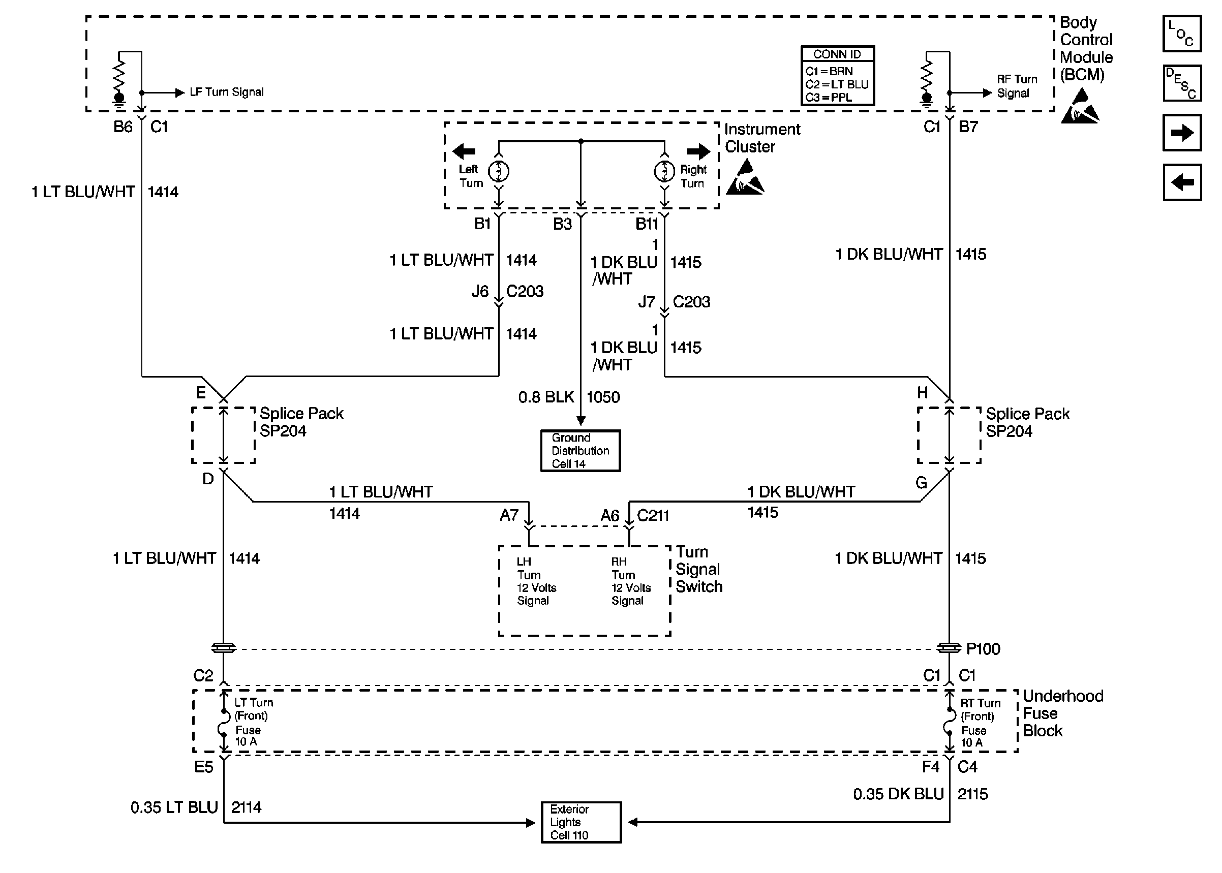
Cell 51: Turn Signals
Cell 51: Turn Signals
Body Control System Connector End Views
Handling ESD Sensitive Parts Notice
Handling ESD Sensitive Parts Notice
Cell 110: Front Park and Turn Signal Lamps
Cell 14: Body Relay Block and Underhood Fuse Block
Body Control Module Components
Body Control System Circuit Description
Cell 51: Headlamps (Except Envoy)
Cell 51: Headlamp Switch, Inadvertent Power Relay and Courtesy Lamp Relay