GM Service Manual Online
For 1990-2009 cars only
Makes
🢒
Chevrolet
🢒
2000
🢒
S10 Pickup - 2WD
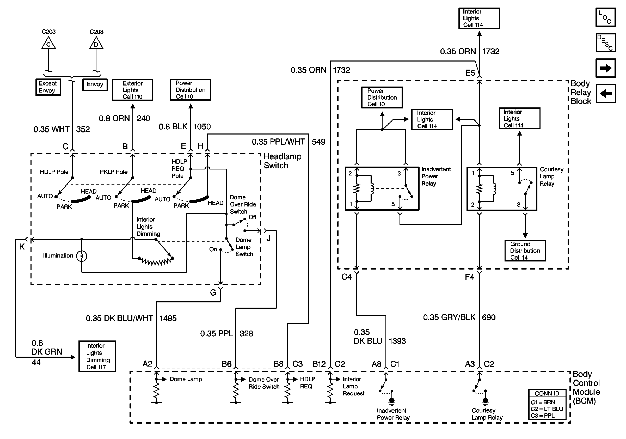
🢒 Cell 51: Headlamp Switch, Inadvertent Power Relay and Courtesy Lamp Relay
Cell 51: Headlamp Switch, Inadvertent Power Relay and Courtesy Lamp Relay
Cell 51: Headlamp Switch, Inadvertent Power Relay and Courtesy Lamp Relay
Cell 51: Headlamps (Except Envoy)
Cell 51: Headlamps (Envoy Only)
Cell 110: PARK LP Fuse and Headlamp Switch
Cell 10: ILLUM, PARK LP Fuses
Cell 10: Inadvertent Power Lamp Relay
Cell 114: Inadvertent Power Relay
Cell 114: CTSY LP Fuse and Courtesy Lamp Relay
Cell 14: G200, G201 and G207 (Pickup)
Cell 114: CTSY LP Fuse and Courtesy Lamp Relay
Body Control Module Components
Body Control System Circuit Description
Cell 51: Turn Signals
Cell 51: Door Handle Switches and Door Lock Cylinder Switches
Body Control System Connector End Views
Cell 117: Headlamp Switch