GM Service Manual Online
For 1990-2009 cars only
Makes
🢒
Chevrolet
🢒
2000
🢒
S10 Pickup - 2WD
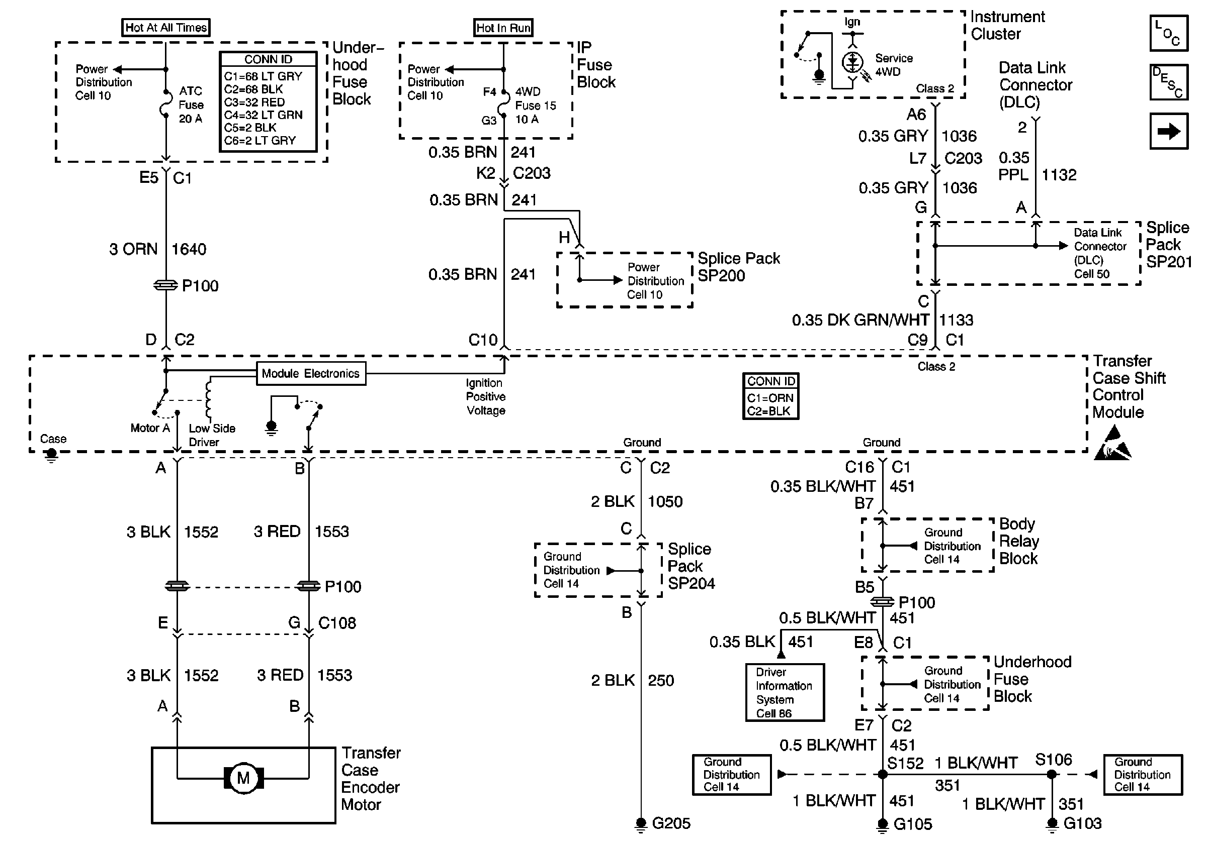
🢒 Cell 38: Transfer Case Encoder Motor
Cell 38: Transfer Case Encoder Motor
Cell 38: Transfer Case Encoder Motor
Cell 10: HTD SEAT, ATC, HVAC and A/C Fuses
Power and Grounding Connector End Views
Cell 10: 4WD Fuse (4.3L)
Cell 10: 4WD Fuse (4.3L)
Transfer Case Control Connector End Views
Handling ESD Sensitive Parts Notice
Cell 14: G205 and G206 (Utility)
Cell 86 (w/o Trip Computer)
Cell 14: G103 and G105 (4.3L)
Cell 14: Body Relay Block and Underhood Fuse Block
Cell 14: G103 and G105 (4.3L)
Cell 14: Body Relay Block and Underhood Fuse Block
Cell 50: Class 2 Communication (4.3L)
Transfer Case Control Components
Transfer Case Circuit Description
Cell 38: Speed Sensors