GM Service Manual Online
For 1990-2009 cars only
Makes
🢒
Chevrolet
🢒
2000
🢒
S10 Pickup - 2WD
🢒 Cell 130: Relay Control
Cell 130: Relay Control
Cell 130: Relay Control
Cell 10: INT BATT Fuse
Cell 130: BCM Inputs and Outputs
Cell 130: BCM Inputs and Outputs
Cell 130: Liftgate/Endgate Lock Cylinder Switch Inputs
Cell 130: BCM Inputs and Outputs
Cell 130: Liftgate/Endgate Lock Cylinder Switch Inputs
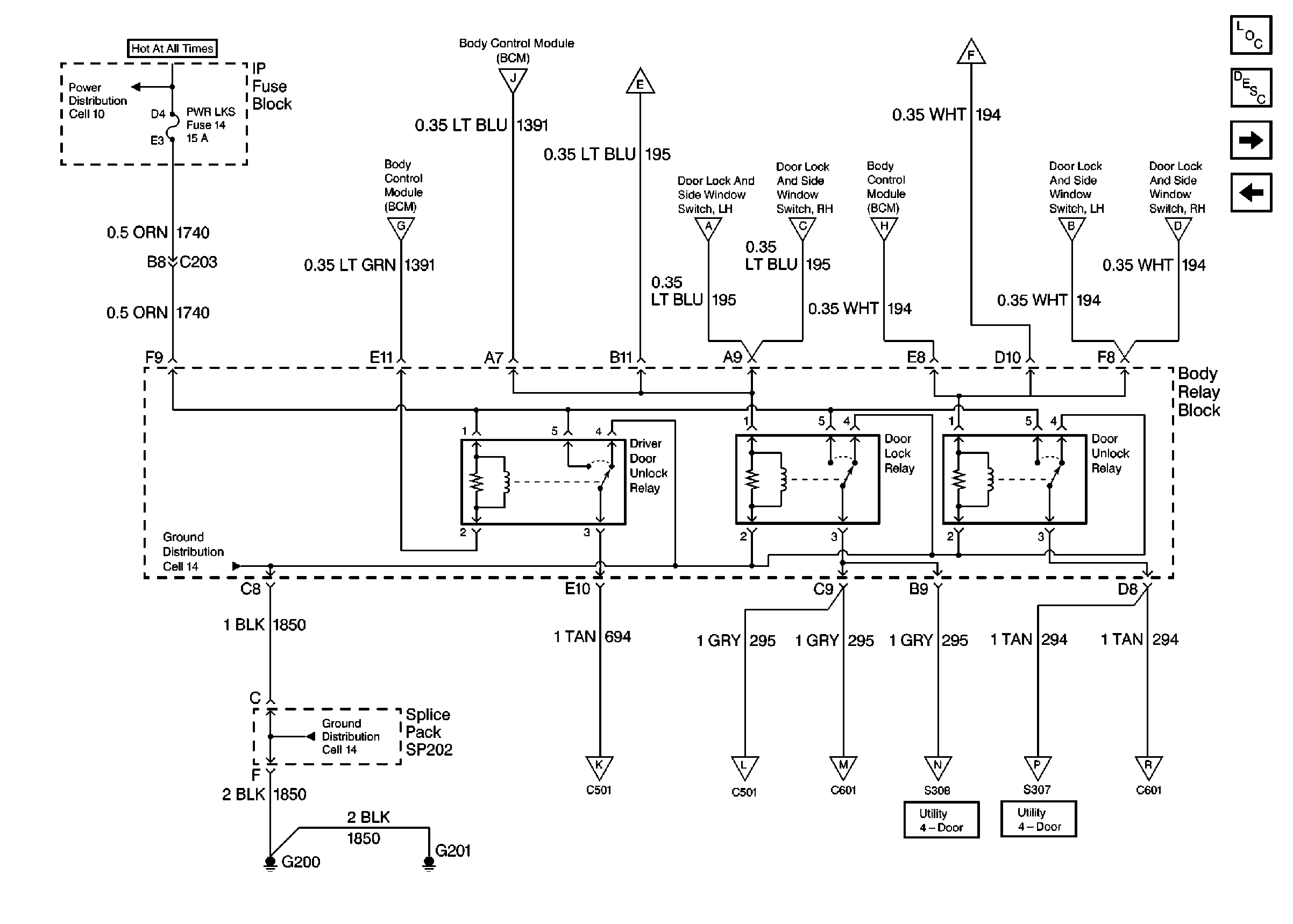
Power Door Systems Components
Power Door Locks Circuit Description
Cell 130: Door Lock Actuators
Cell 130: BCM Inputs and Outputs
Cell 130: Door Lock Actuators
Cell 130: Door Lock Switch Inputs
Cell 130: Door Lock Switch Inputs
Cell 14: G200, G201 and G207 (Pickup)
Cell 14: G200, G201 and G207 (Pickup)