GM Service Manual Online
For 1990-2009 cars only
Makes
🢒
Chevrolet
🢒
2000
🢒
S10 Pickup - 2WD
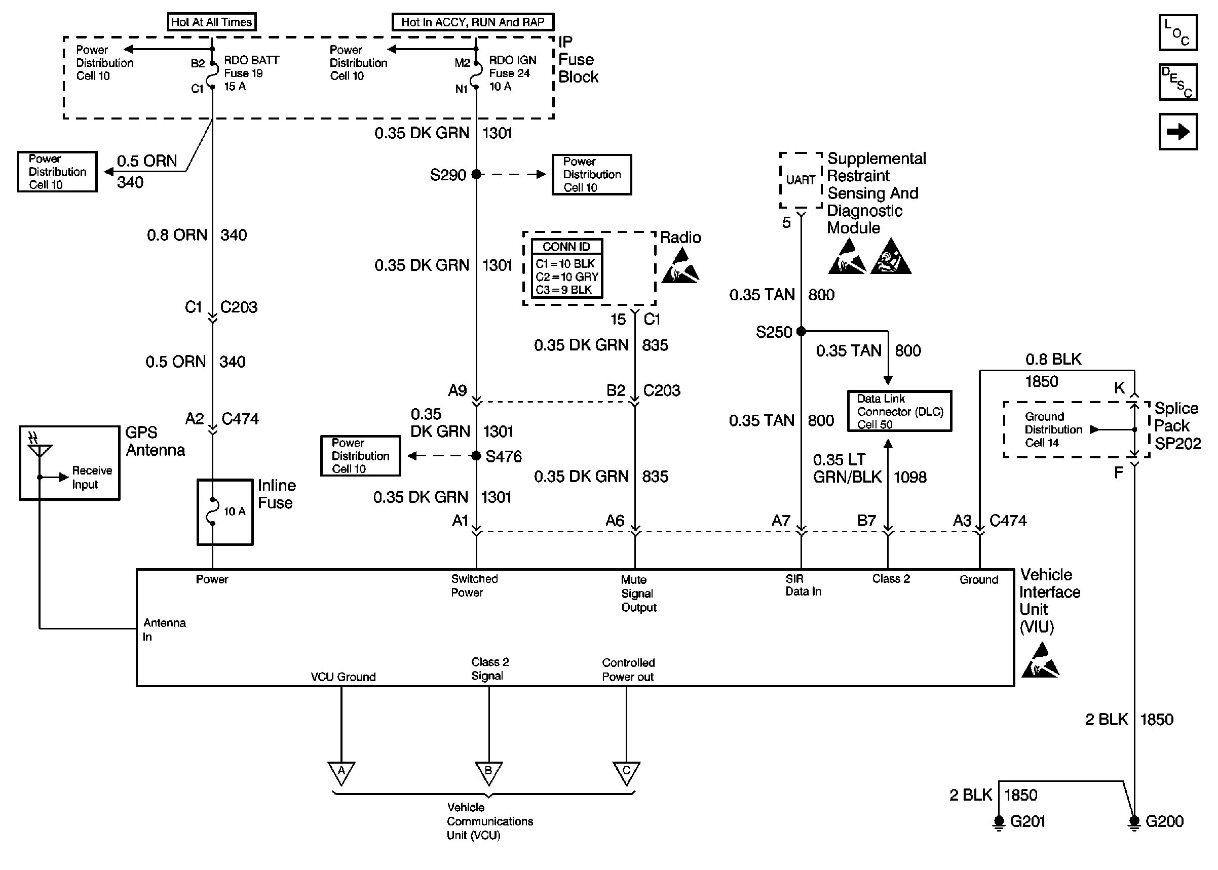
🢒 Cell 154: Vehicle Interface Unit (VIU)
Cell 154: Vehicle Interface Unit (VIU)
Cell 154: Vehicle Interface Unit (VIU)
Cell 10: AUX PWR, RDO BATT and HDLP SW Fuses
Cell 10: RDO IGN and STR WHL RDO IGN Fuses
Cell 10: AUX PWR, RDO BATT and HDLP SW Fuses
Cell 10: RDO IGN and STR WHL RDO IGN Fuses
Handling ESD Sensitive Parts Notice
Cell 50: Power, Ground, SDM and VIU
Cell 14: G200, G201 and G207 (2-Door Utility w/ Endgate)
Entertainment Connector End Views
Cell 86: Power and Ground (w/ Trip Computer)
Handling ESD Sensitive Parts Notice
Handling ESD Sensitive Parts Notice
SIR Handling Caution
Cellular Communication Components
OnStar Circuit Description
Cell 154: Vehicle Communication Unit (VCU) and Floor Handset
Cell 154: Vehicle Communication Unit (VCU) and Floor Handset