GM Service Manual Online
For 1990-2009 cars only
Makes
🢒
Chevrolet
🢒
2000
🢒
S10 Pickup - 2WD
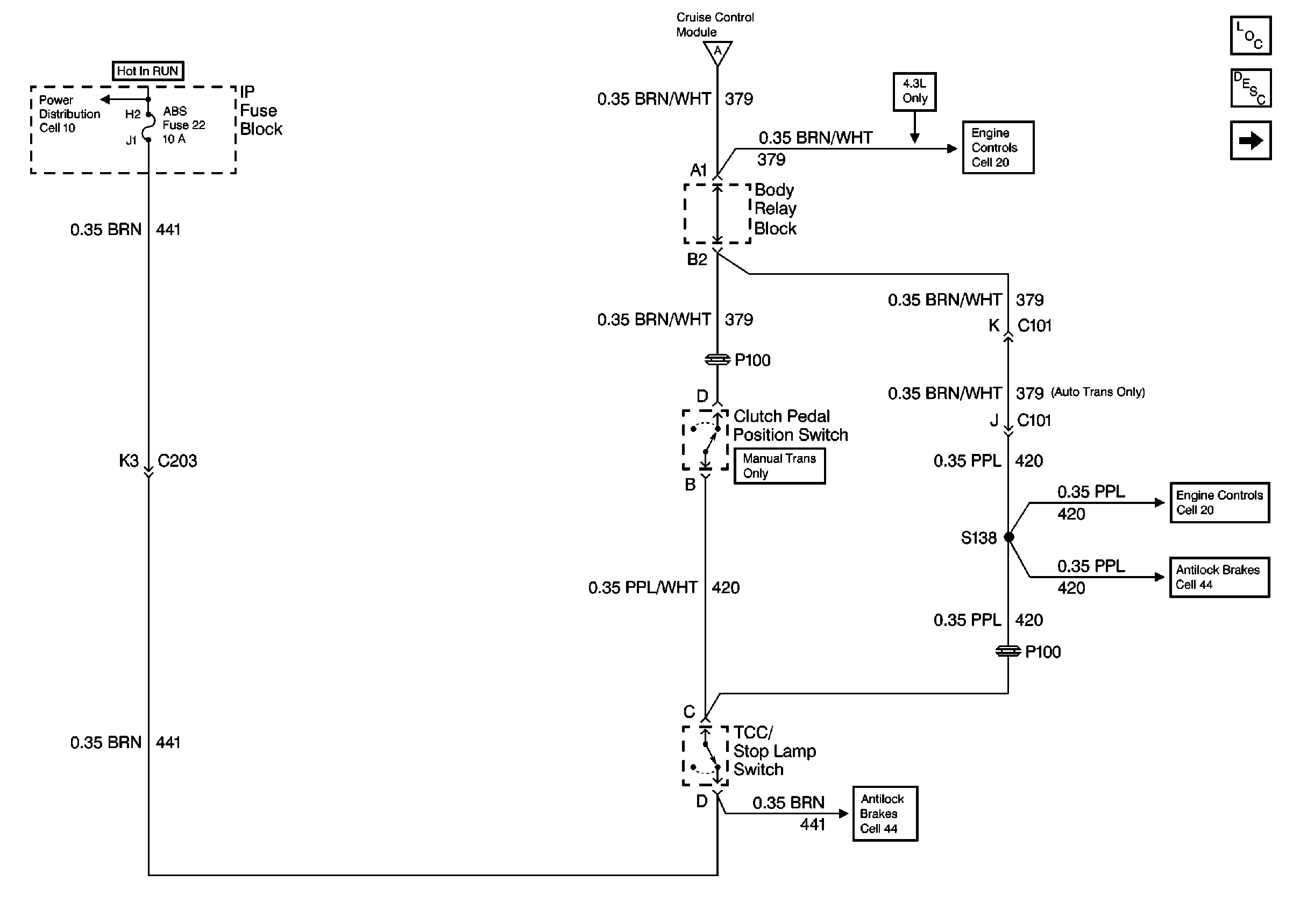
🢒 Cell 34: Clutch Pedal Position Switch and TCC/Stop Lamp Switch
Cell 34: Clutch Pedal Position Switch and TCC/Stop Lamp Switch
Cell 34: Clutch Pedal Position Switch and TCC/Stop Lamp Switch
Cell 10: STUD 2, ABS, TBC and RR W/W Fuses
Cell 34: Cruise Control Module and PCM/VCM
Cell 21: Data Link Connector
Cruise Control Components
Cruise Control System Circuit Description
Cell 34: Cruise Control Module and PCM/VCM
Cell 44: Power and Ground
Cell 20: Brake Switch Input
Cell 44: Power and Ground