GM Service Manual Online
For 1990-2009 cars only
Makes
🢒
Chevrolet
🢒
2000
🢒
S10 Pickup - 2WD
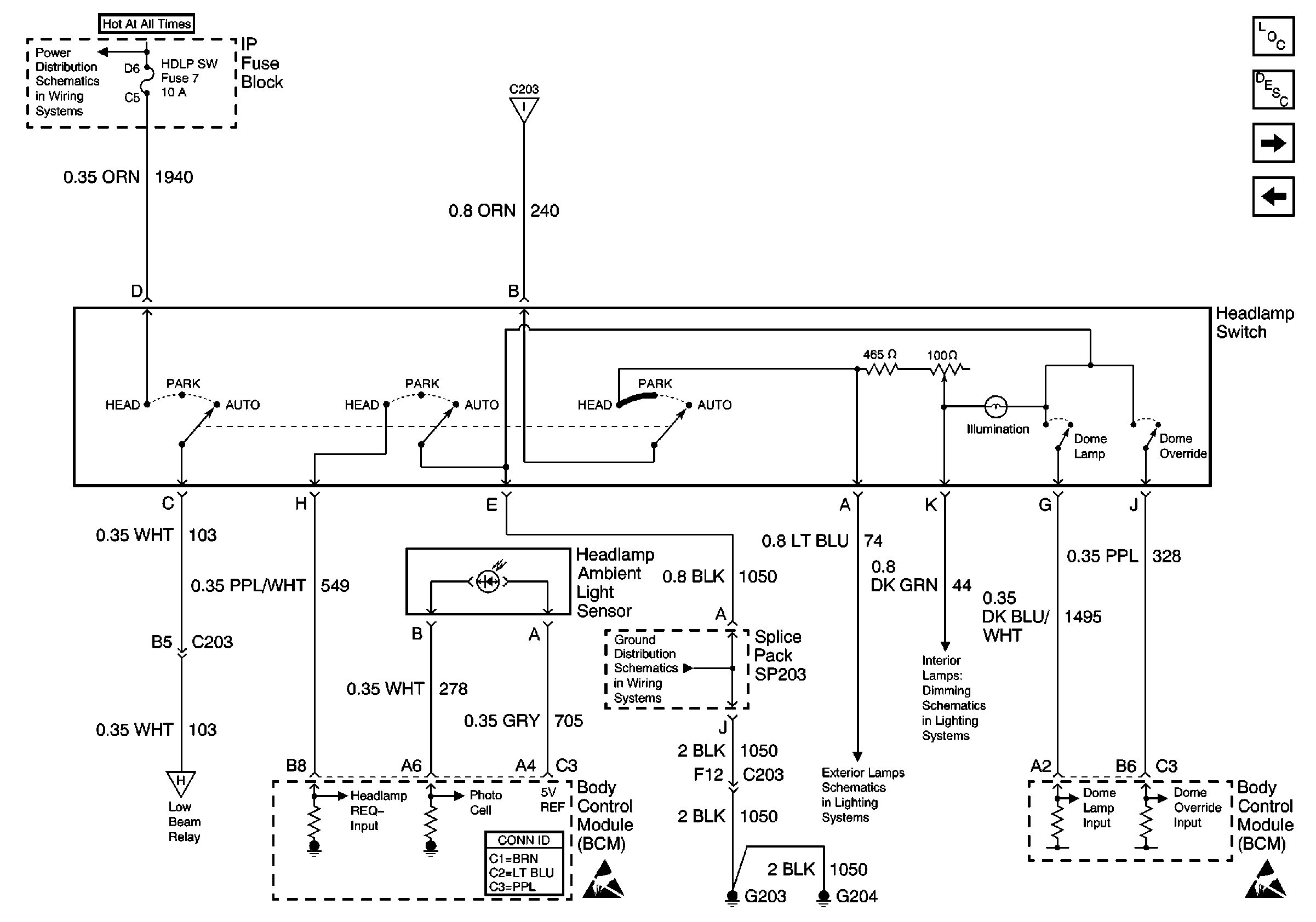
🢒 Headlamp Switch and BCM (Envoy/Diamond Edition 1SK)
Headlamp Switch and BCM (Envoy/Diamond Edition 1SK)
Headlamp Switch and BCM (Envoy/Diamond Edition 1SK)
Lighting Systems Components
Headlights Circuit Description
DRL, Low Beam Relays and BCM (Envoy/Diamond Edition 1SK)
Flash-To-Pass Switch, DRL Relay (ZR2) and BCM
AUX PWR, RDO BATT and HDLP SW Fuses
Park Lamp, High Beam Relays and BCM (Envoy/Diamond Edition 1SK)
DRL, Low Beam Relays and BCM (Envoy/Diamond Edition 1SK)
Body Control System Connector End Views
Handling ESD Sensitive Parts Notice
G203 and G204 (Utility w/ Manual A/C)
Park Lamps and Marker Lamps, Front
ILLUM Fuse 12
Handling ESD Sensitive Parts Notice