GM Service Manual Online
For 1990-2009 cars only
Makes
🢒
Chevrolet
🢒
2000
🢒
S10 Pickup - 2WD
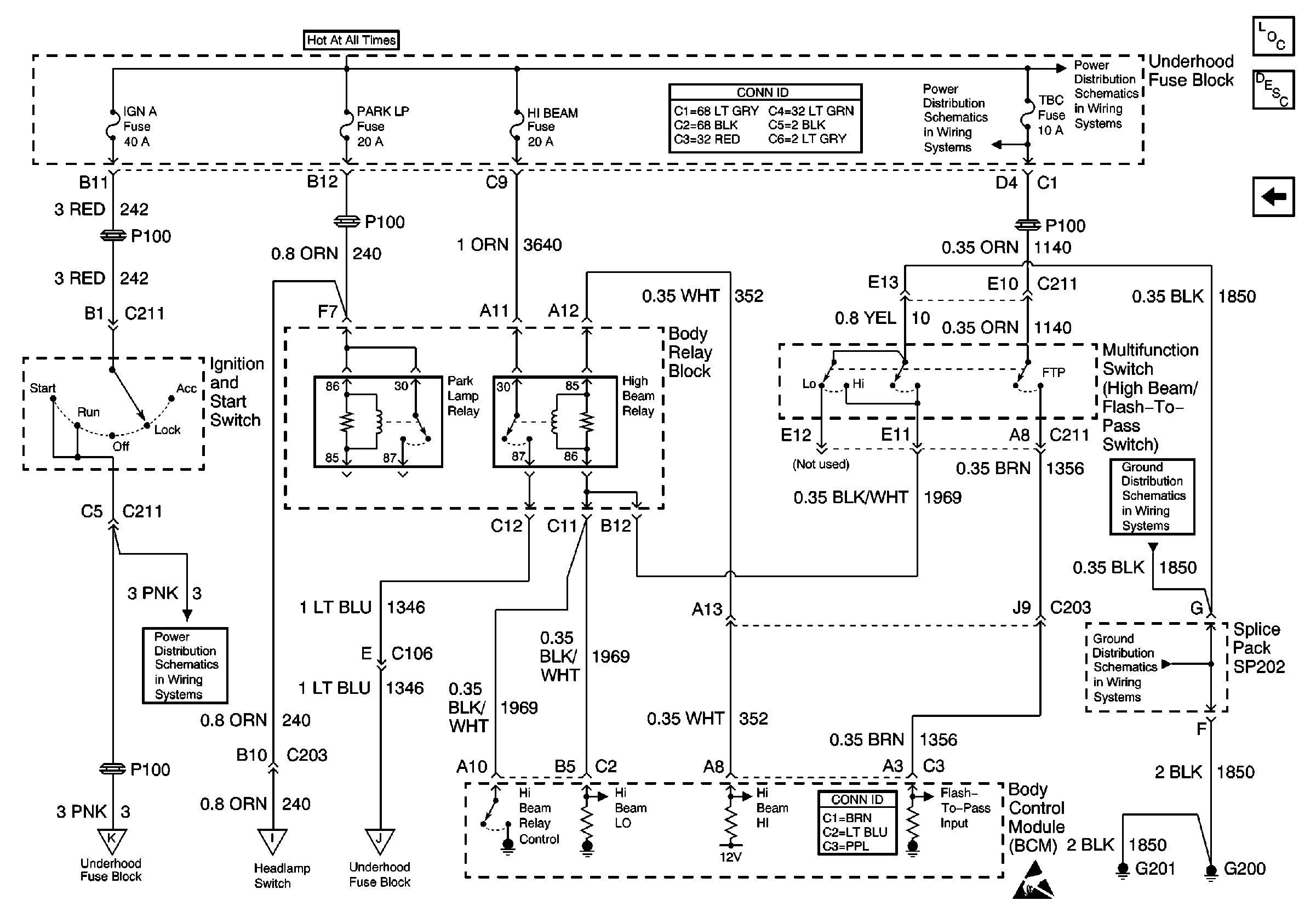
🢒 Park Lamp, High Beam Relays and BCM (Envoy/Diamond Edition 1SK)
Park Lamp, High Beam Relays and BCM (Envoy/Diamond Edition 1SK)
Park Lamp, High Beam Relays and BCM (Envoy/Diamond Edition 1SK)
Lighting Systems Components
Headlights Circuit Description
DRL, Low Beam Relays and BCM (Envoy/Diamond Edition 1SK)
Power and Grounding Connector End Views
STUD 2, ABS, TBC and RR W/W Fuses
B+ Bus Bar
Ign RUN and START Bus Bar
DRL, Low Beam Relays and BCM (Envoy/Diamond Edition 1SK)
Headlamp Switch and BCM (Envoy/Diamond Edition 1SK)
DRL, Low Beam Relays and BCM (Envoy/Diamond Edition 1SK)
Body Control System Connector End Views
Handling ESD Sensitive Parts Notice
G200, G201 and G207 (Envoy)
G200, G201 and G207 (Envoy)