GM Service Manual Online
For 1990-2009 cars only
Makes
🢒
Chevrolet
🢒
2000
🢒
S10 Pickup - 2WD
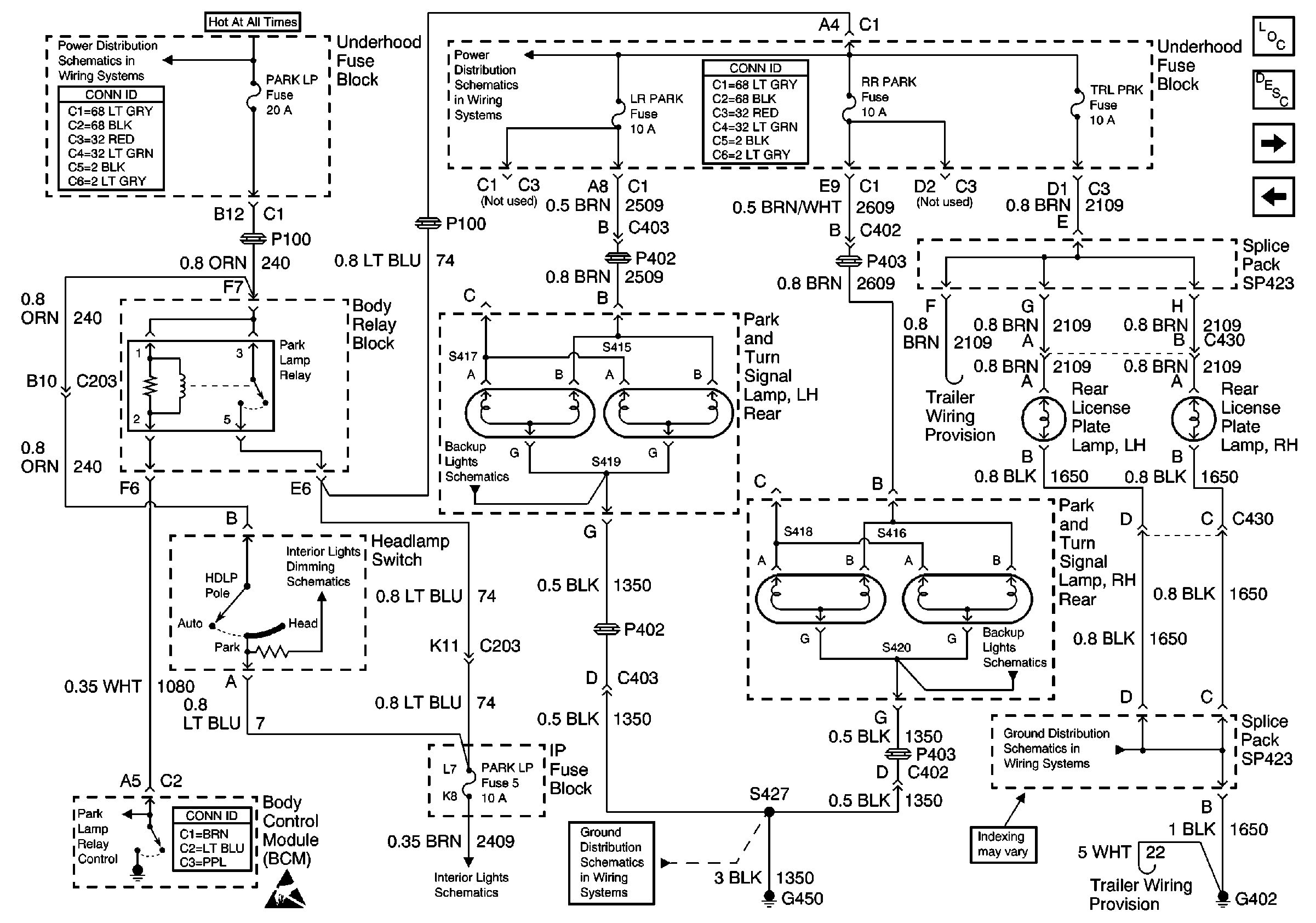
🢒 Park and License Lamps, Rear (Utility)
Park and License Lamps, Rear (Utility)
Park and License Lamps, Rear (Utility)
Lighting Systems Components
Exterior Lights Circuit Description
Tail, Stop and License Lamps (Export)
Turn Signal Lamps, Rear (Utility)
B+ Bus Bar
Power and Grounding Connector End Views
FR PRK, LR PRK, RR PRK, TRL PRK Fuses and Fog Lamp Relay (Utility)
Power and Grounding Connector End Views
Headlamp Switch
Body Control System Connector End Views
Handling ESD Sensitive Parts Notice
Utility
Headlamp Switch
G420 and G450 (Utility w/ Endgate)
Utility
G402 (Utility)