GM Service Manual Online
For 1990-2009 cars only
Makes
🢒
Chevrolet
🢒
2000
🢒
S10 Pickup - 2WD
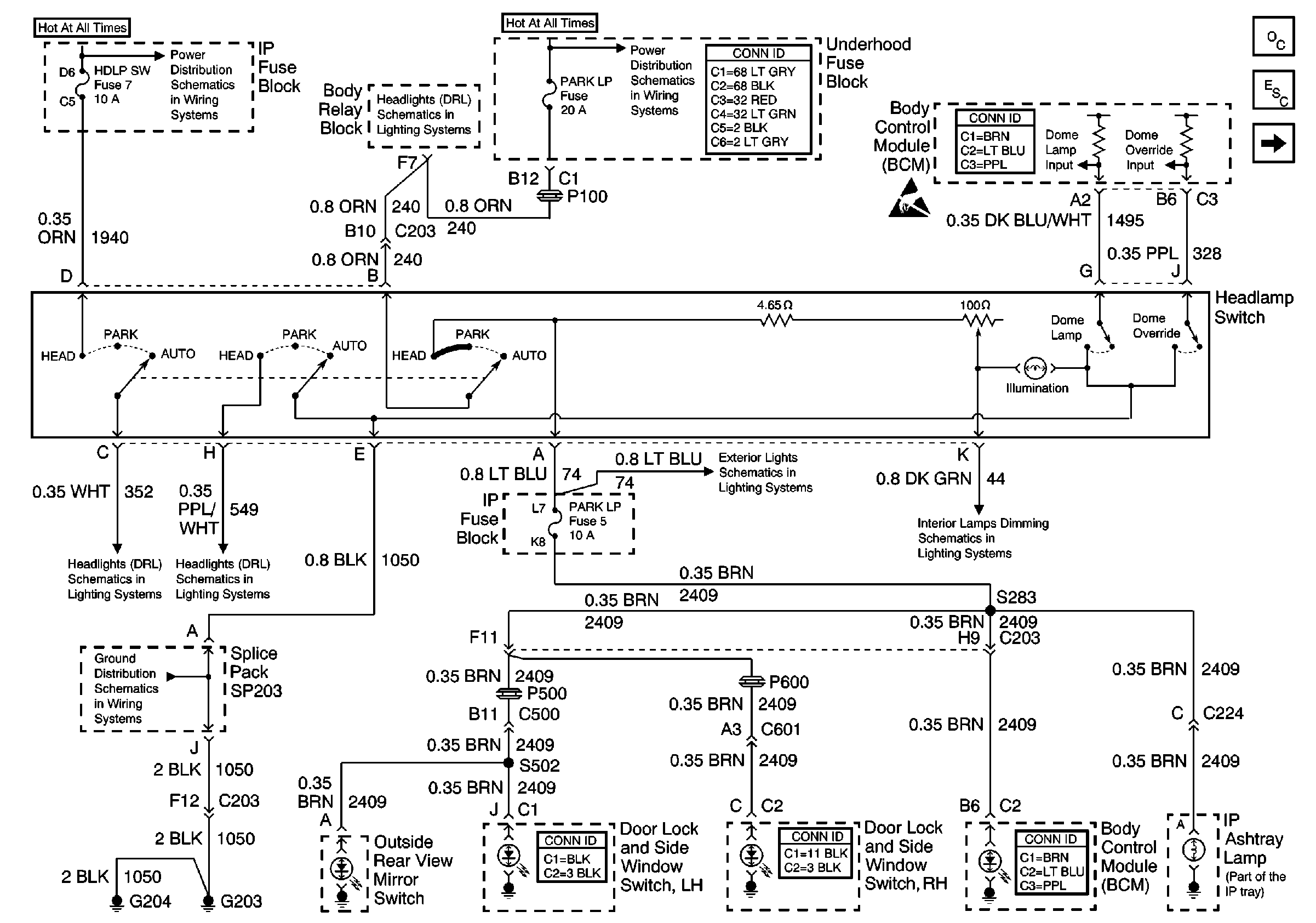
🢒 Headlamp Switch and HDLP SW, PARK LP Fuses
Headlamp Switch and HDLP SW, PARK LP Fuses
Headlamp Switch and HDLP SW, PARK LP Fuses
Lighting Systems Components
Interior Lights Circuit Description
CTSY LP Fuse, Courtesy Lamp Relay and Courtesy Lamps
AUX PWR, RDO BATT, HDLP SW Fuses and Inadvertent Power Lamp Relay
Headlamp Grounding Relay and Flash-to-Pass Switch
B+ Bus Bar
Power and Grounding Connector End Views
Handling ESD Sensitive Parts Notice
Body Control System Connector End Views
Headlamp Switch, Ambient Light Sensor and BCM
G203 and G204
Park, Marker, License and Turn Signal Lamps (Rear)
Headlamp Switch
Power Door Systems Connector End Views
Power Door Systems Connector End Views
Body Control System Connector End Views