GM Service Manual Online
For 1990-2009 cars only
Makes
🢒
Chevrolet
🢒
2000
🢒
S10 Pickup - 2WD
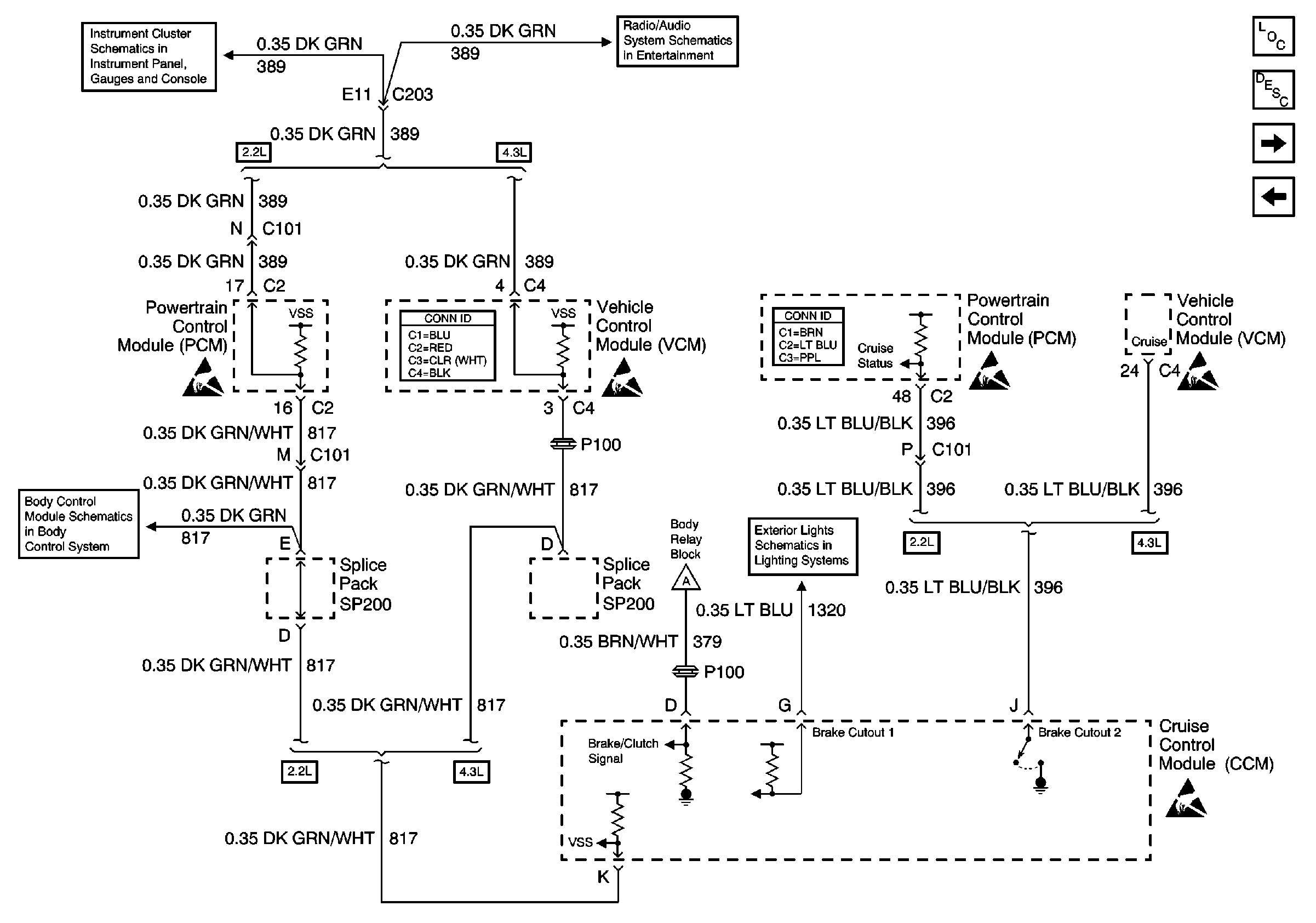
🢒 Cruise Control Module and PCM/VCM
Cruise Control Module and PCM/VCM
Cruise Control Module and PCM/VCM
Cruise Control Components
Cruise Control System Circuit Description
CRUISE Fuse, Multifunction Switch and Cruise Control Module
Clutch Pedal Position Switch and Stoplamp Switch
PCM/VCM
ILLUM, RDO IGN and RDO BATT Fuses and VSS Signal
Handling ESD Sensitive Parts Notice
VCM/PCM Speed Signal and Ambient Light Sensor
VCM Connector End Views
Handling ESD Sensitive Parts Notice
Clutch Pedal Position Switch and Stoplamp Switch
Powertrain Control Module Connector End Views
Instrument Cluster Turn Signal Indicators
Handling ESD Sensitive Parts Notice
Handling ESD Sensitive Parts Notice
Handling ESD Sensitive Parts Notice