GM Service Manual Online
For 1990-2009 cars only
Makes
🢒
Chevrolet
🢒
2000
🢒
S10 Pickup - 2WD
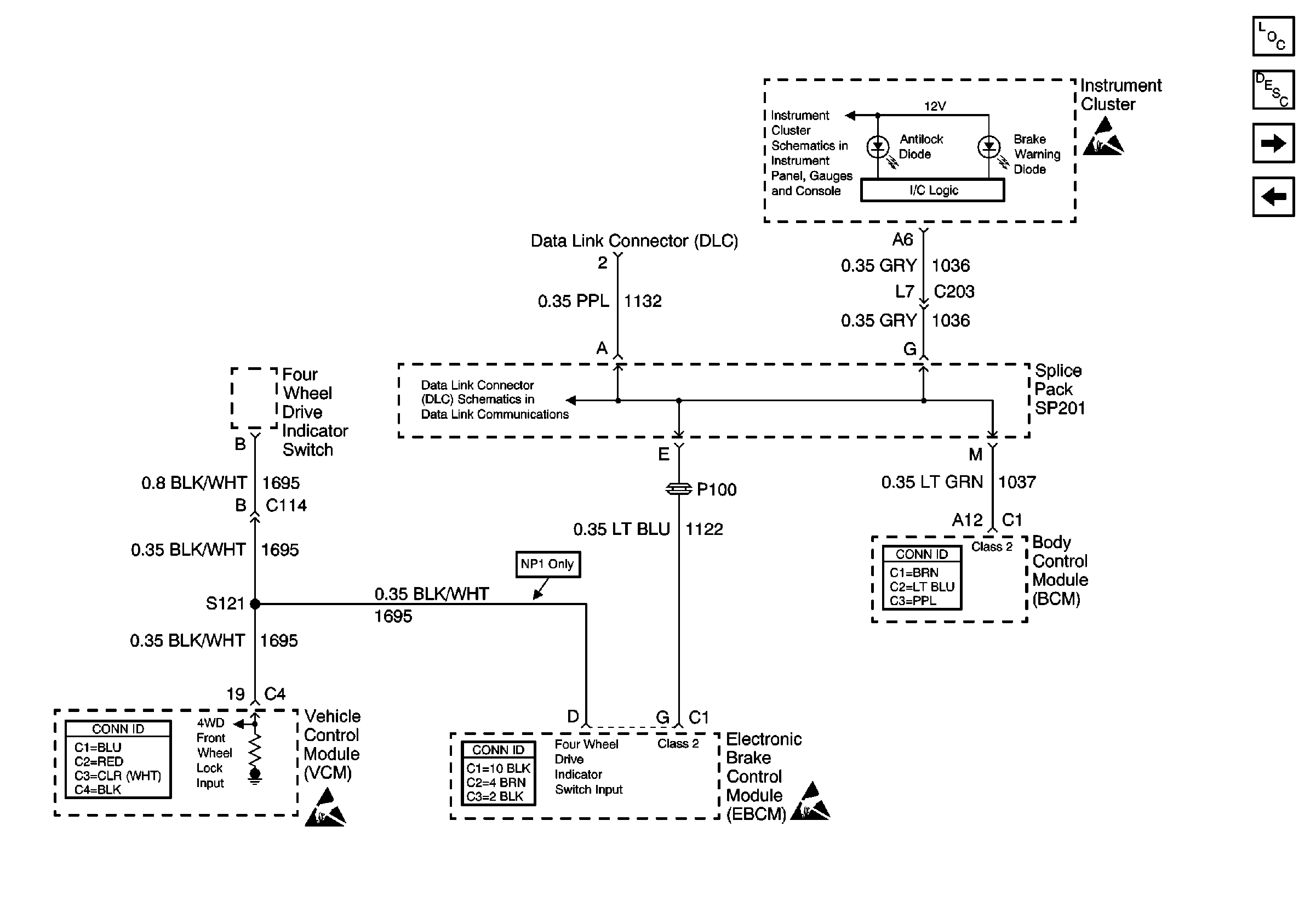
🢒 Class 2 Communication (310 ABS)
Class 2 Communication (310 ABS)
Class 2 Communication (310 ABS)
ABS Components
ABS Operation
Speed Sensor Signals (310 ABS)
Power and Ground (310 ABS)
PCM/VCM, Data Link Connector (DLC), Engine Oil Pressure Gauge Sensor
Handling ESD Sensitive Parts Notice
SP201 (4.3L)
Antilock Brake System Connector End Views
Body Control System Connector End Views
VCM Connector End Views
Handling ESD Sensitive Parts Notice
Handling ESD Sensitive Parts Notice