GM Service Manual Online
For 1990-2009 cars only
Makes
🢒
Chevrolet
🢒
2000
🢒
S10 Pickup - 2WD
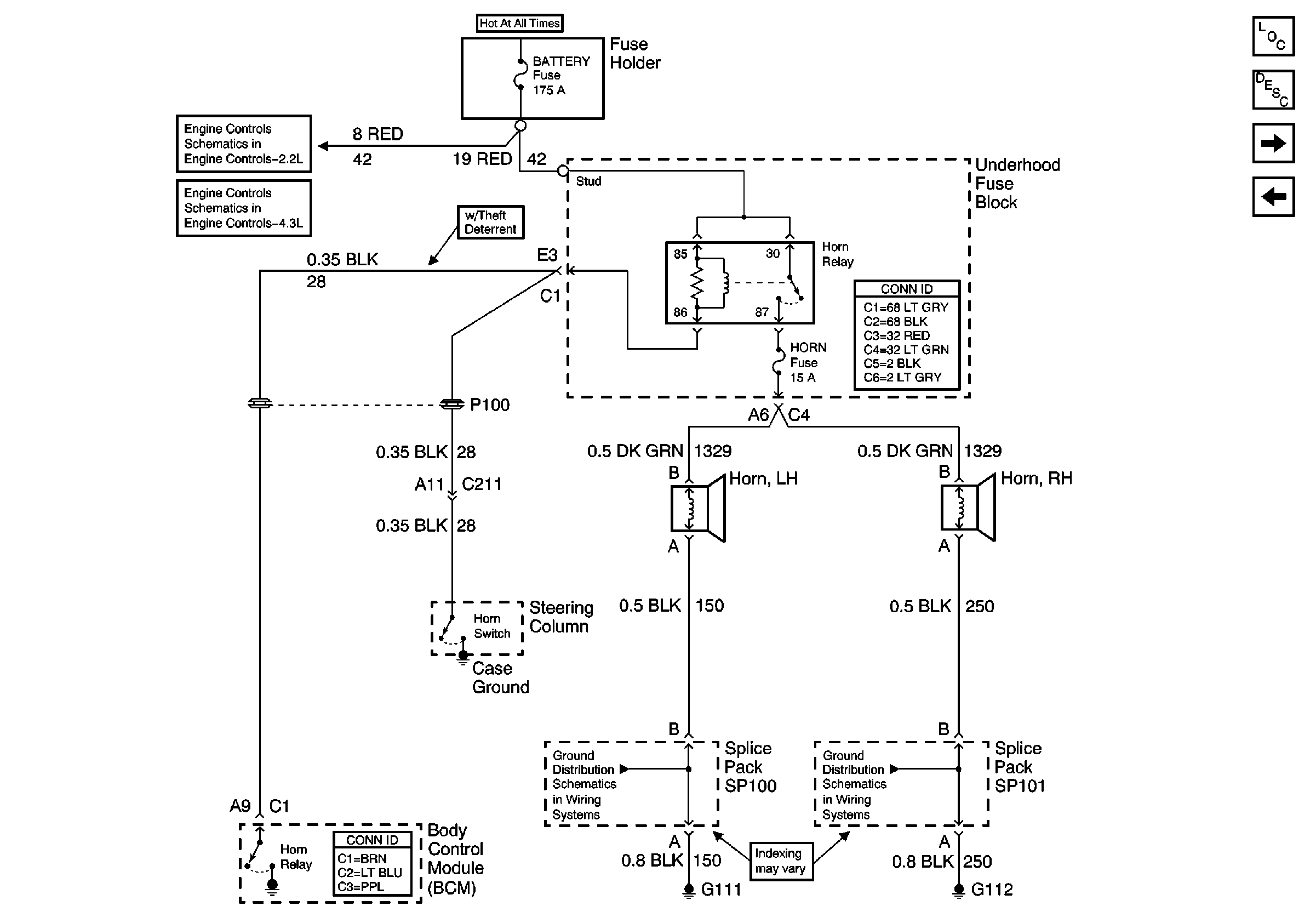
🢒 Horns
Horns
Horns
Body Control Module Components
Body Control System Circuit Description
Passlock ™ Sensor, Liftglass Relay and RAP Relay
Automatic Transmission Preference Switch
Secondary AIR Pump Control
Secondary AIR Pump Control
Power and Grounding Connector End Views
Body Control System Connector End Views
G109, G111, G112 and G113 (Except Export)
G109, G111, G112 and G113 (Except Export)