GM Service Manual Online
For 1990-2009 cars only
Makes
🢒
Chevrolet
🢒
2000
🢒
S10 Pickup - 2WD
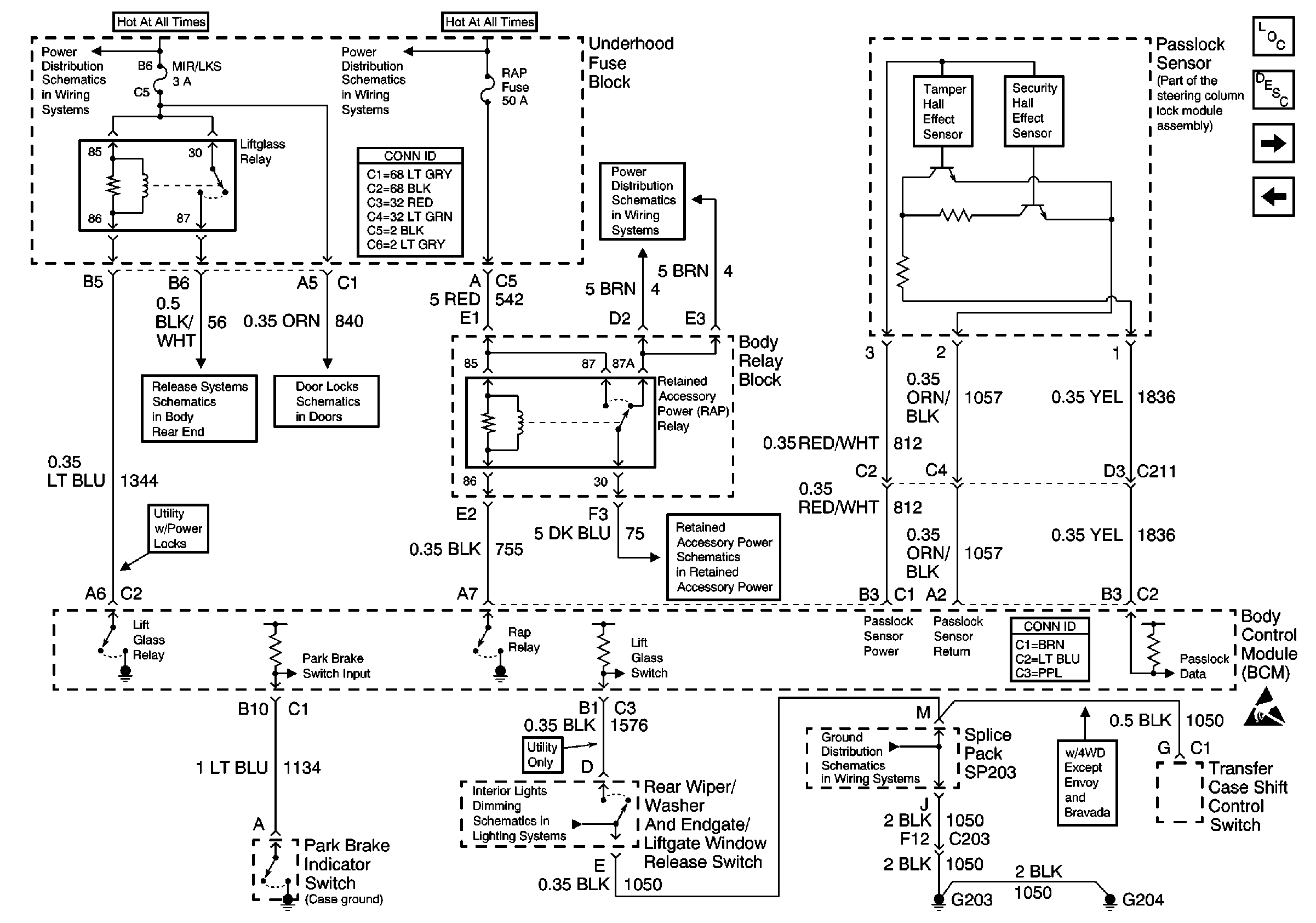
🢒 Passlock ™ Sensor, Liftglass Relay and RAP Relay
Passlock ™ Sensor, Liftglass Relay and RAP Relay
Passlock⢠Sensor, Liftglass Relay and RAP Relay
Body Control Module Components
Body Control System Circuit Description
Seat Belt Switch, Headlamp Ambient Light Sensor and PCM/VCM
Horns
B+ Bus Bar
B+ Bus Bar
Power and Grounding Connector End Views
Ign ACC, RUN and RAP Bus Bar
Output
Door Lock Switch Inputs
RAP Relay and Ignition and Start Switch
ILLUM Fuse 12
Body Control System Connector End Views
G203 and G204 (Pickup)
Handling ESD Sensitive Parts Notice