GM Service Manual Online
For 1990-2009 cars only
Makes
🢒
Chevrolet
🢒
2000
🢒
S10 Pickup - 2WD
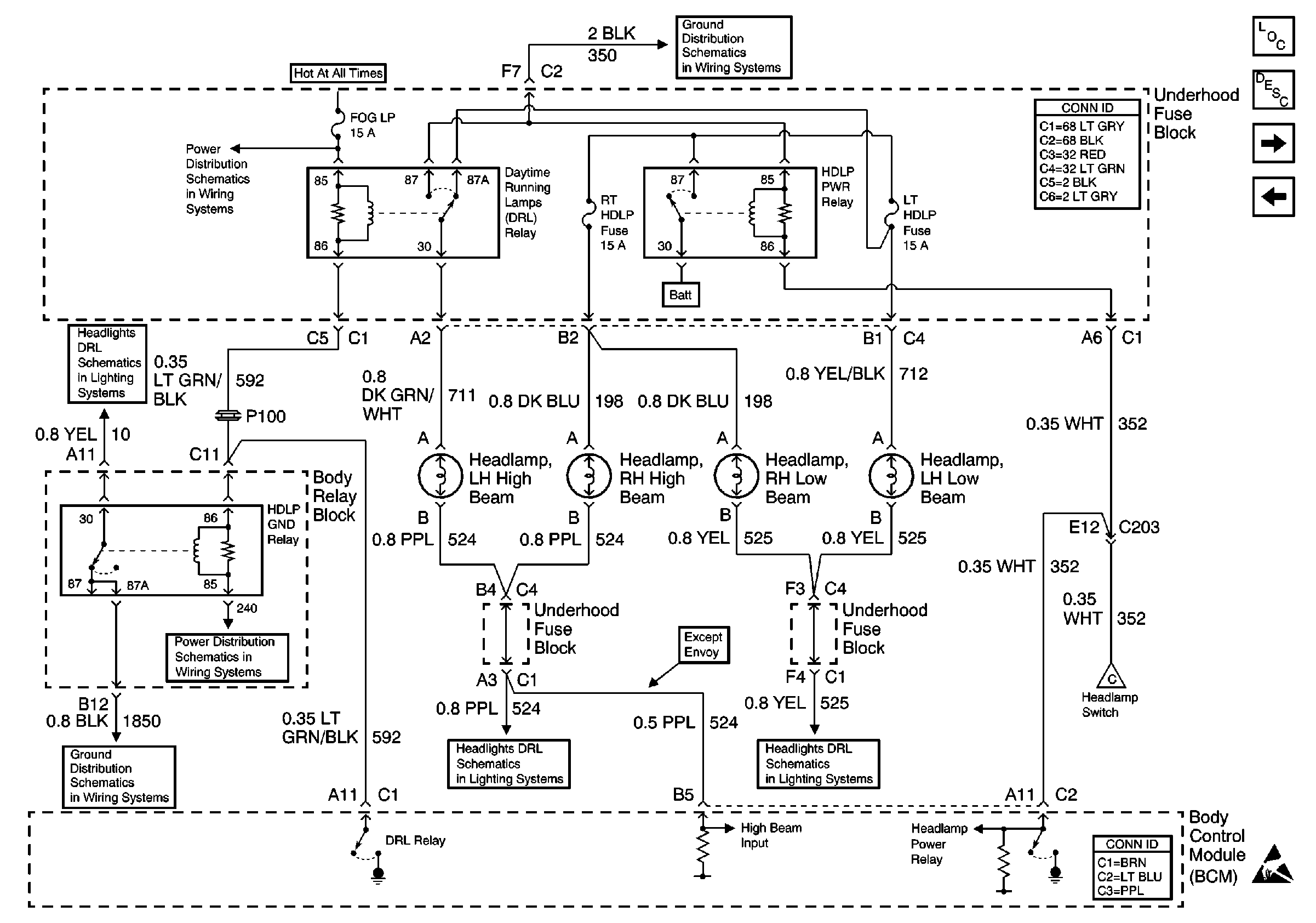
🢒 Headlamps (Except Envoy)
Headlamps (Except Envoy)
Headlamps (Except Envoy)
Body Control Module Components
Body Control System Circuit Description
Headlamps, High Beam (Envoy)
Turn Signals
G102 (Except Export)
B+ Bus Bar
Power and Grounding Connector End Views
Flash-To-Pass Switch, DRL Relay (ZR2) and BCM
ILLUM and PARK LP Fuses
G200, G201 and G207 (Pickup)
Flash-To-Pass Switch, DRL Relay (ZR2) and BCM
Flash-To-Pass Switch, DRL Relay (ZR2) and BCM
Interior Lights and Dome Lamps
Body Control System Connector End Views
Handling ESD Sensitive Parts Notice