GM Service Manual Online
For 1990-2009 cars only
Makes
🢒
Chevrolet
🢒
2000
🢒
S10 Pickup - 2WD
🢒 Interior Lights and Dome Lamps
Interior Lights and Dome Lamps
Interior Lights and Dome Lamps
Body Control Module Components
Body Control System Circuit Description
Turn Signals
Front Jamb Switches and Door Handle Switch
Headlamps (Except Envoy)
Headlamps, Low Beam and DRL Relay (Envoy)
Park and Turn Signal Lamps, Marker and License Lamps, Rear (Pickup)
G203 and G204 (Pickup)
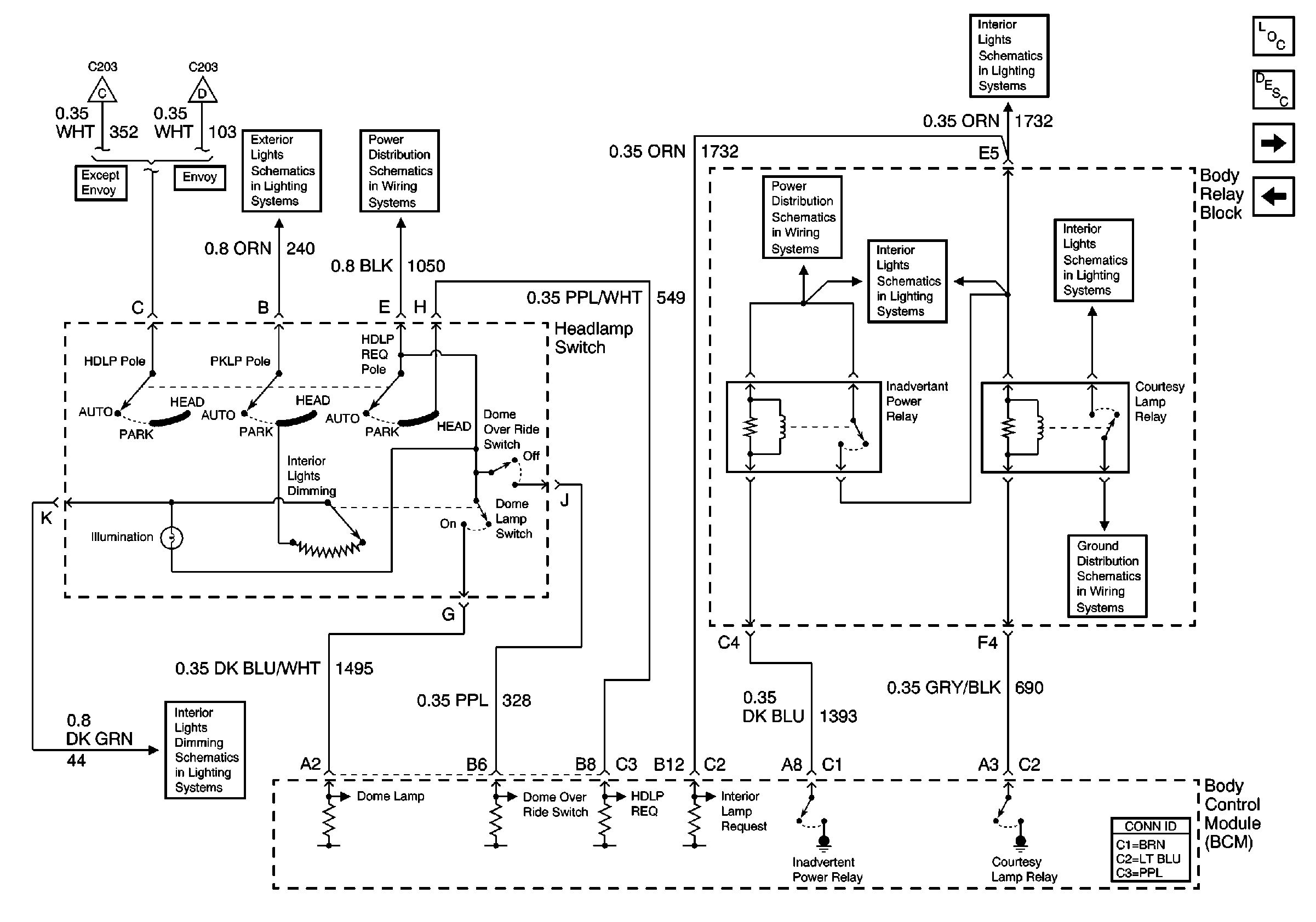
Headlamp Switch
Inadvertent Power Relay
Inadvertent Power Lamp Relay
Inadvertent Power Relay
CTSY LP Fuse and Courtesy Lamp Relay
G200, G201 and G207 (Pickup)
Body Control System Connector End Views