GM Service Manual Online
For 1990-2009 cars only
Makes
🢒
Chevrolet
🢒
2000
🢒
S10 Pickup - 2WD
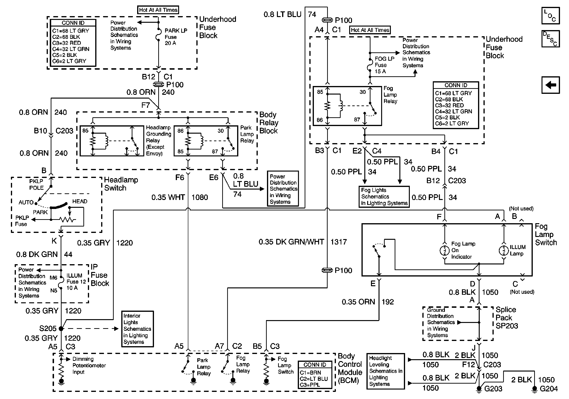
🢒 Fog Lamps and Park Lamp Relay
Fog Lamps and Park Lamp Relay
Fog Lamps and Park Lamp Relay
Body Control Module Components
Body Control System Circuit Description
Headlamps, Low Beam and DRL Relay (Envoy)
Power and Grounding Connector End Views
B+ Bus Bar
B+ Bus Bar
Power and Grounding Connector End Views
ILLUM and PARK LP Fuses
Front Fog Lamps
ILLUM and PARK LP Fuses
ILLUM Fuse 12
Body Control System Connector End Views
2000 S/T Headlight Leveling
G203 and G204 (Pickup)