GM Service Manual Online
For 1990-2009 cars only
Makes
🢒
Chevrolet
🢒
2000
🢒
S10 Pickup - 2WD
🢒 Lumbar without Memory Seats
Lumbar without Memory Seats
Lumbar without Memory Seats
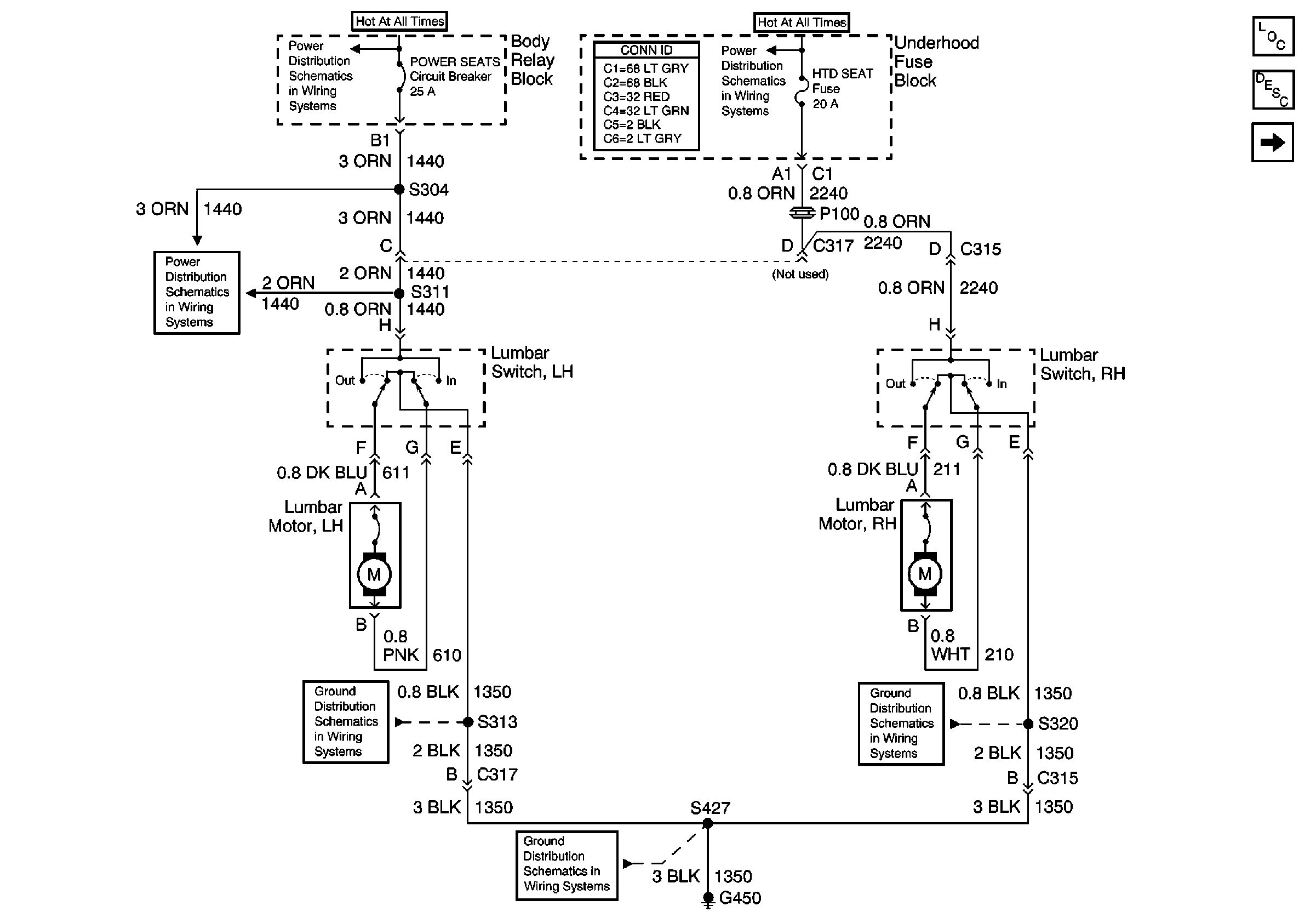
Power Seat Systems Components
Power Lumbar Circuit Description
Lumbar with Memory Seats
Power Seats, Power Windows Circuit Breakers and RAP Relay
HTD SEAT, ATC, HVAC and A/C Fuses
Power Seats, Power Windows Circuit Breakers and RAP Relay
Power and Grounding Connector End Views
S313 and S419
S313 and S419
S320 and S420