GM Service Manual Online
For 1990-2009 cars only
Makes
🢒
Chevrolet
🢒
2000
🢒
S10 Pickup - 2WD
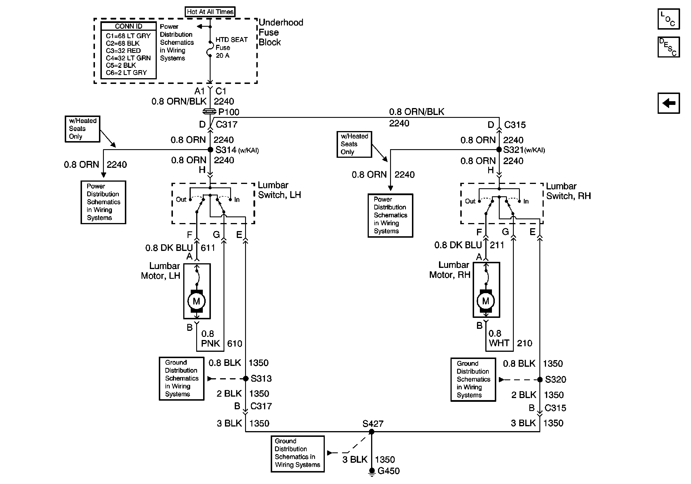
🢒 Lumbar with Memory Seats
Lumbar with Memory Seats
Lumbar with Memory Seats
Power Seat Systems Components
Power Lumbar Circuit Description
Lumbar without Memory Seats
Power and Grounding Connector End Views
HTD SEAT, ATC, HVAC and A/C Fuses
HTD SEAT, ATC, HVAC and A/C Fuses
HTD SEAT, ATC, HVAC and A/C Fuses
S313 and S419
S313 and S419
S320 and S420