GM Service Manual Online
For 1990-2009 cars only
Makes
🢒
Chevrolet
🢒
2000
🢒
S10 Pickup - 2WD
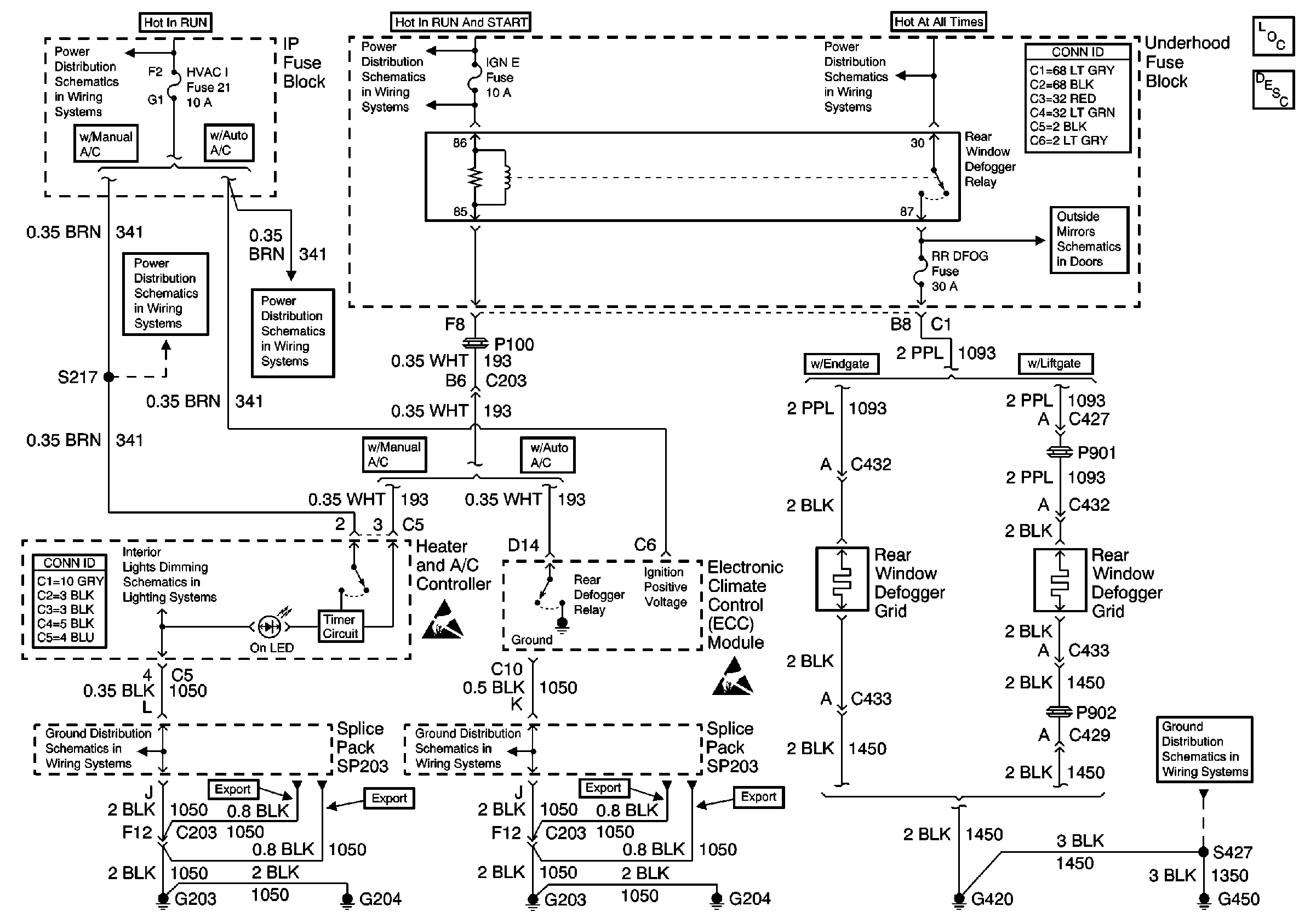
🢒 Defogger Schematic
Defogger Schematic
Stationary Windows Components
Rear Window Defogger Circuit Description
HVAC I Fuse
IGN E Fuse and A/C Compressor, Rear Defogger, DRL Relays
IGN E Fuse and A/C Compressor, Rear Defogger, DRL Relays
Power and Grounding Connector End Views
Heated Mirrors
HVAC I Fuse
HVAC Connector End Views
Handling ESD Sensitive Parts Notice
Handling ESD Sensitive Parts Notice
G203 and G204 (Utility w/ Manual A/C)
G203 and G204 (Utility w/ Automatic A/C)
G420 and G450 (Utility w/ Endgate)