GM Service Manual Online
For 1990-2009 cars only

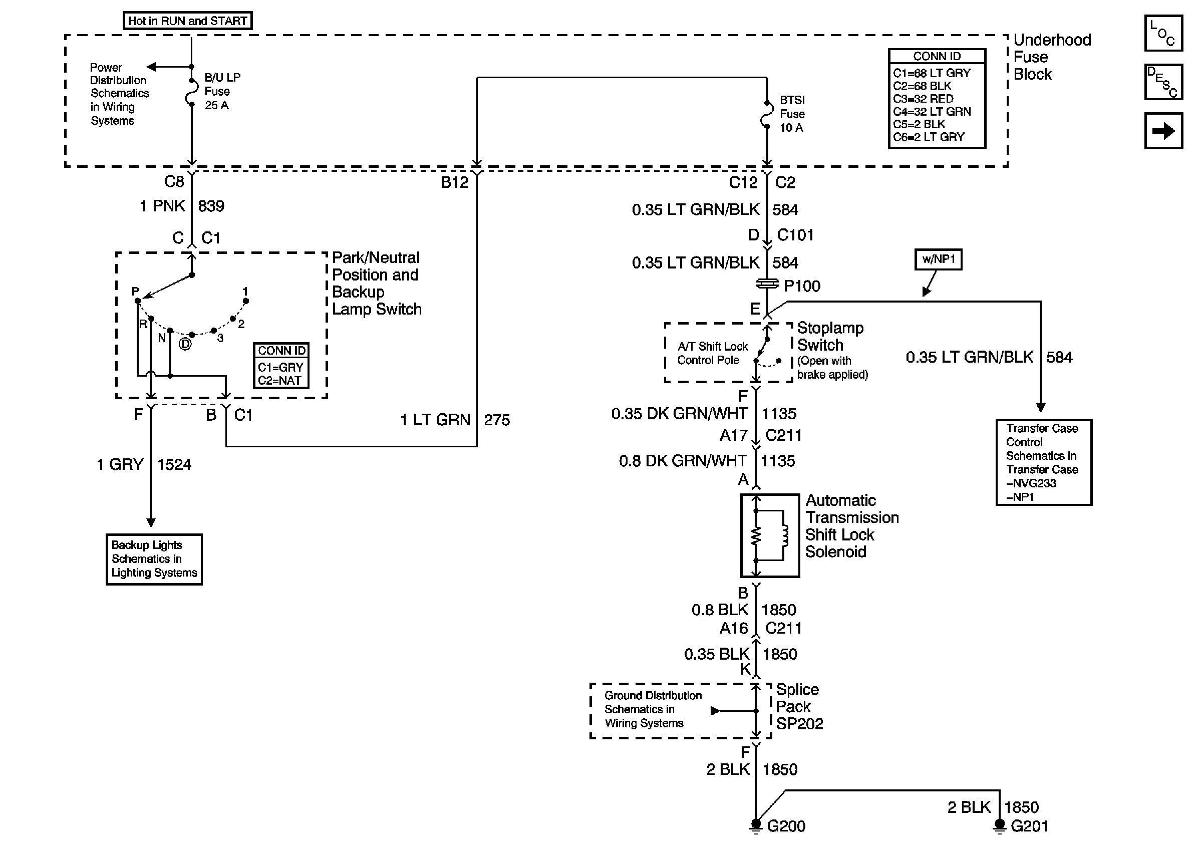
Park/Neutral Position and Backup Lamp Switch and Automatic Transmission Shift Lock Solenoid (Pickup and 2-Door Utility w/ Column Shift)

Park/Neutral Position and Backup Lamp Switch and Automatic Transmission Shift Lock Solenoid (Pickup and 2-Door Utility w/ Column Shift)


Object Number: 554094  Size: FS
Automatic Transmission Components
Automatic Transmission Shift Lock Control Description
Park/Neutral Position and Backup Lamp Switch, and Automatic Transmission Controller (Utility w/ Floor Shift)
B/U LP, TRL B/U and BTSI Fuses (Automatic Transmission)
Power and Grounding Connector End Views
Shift Lock Control Connector End Views
Utility
Four Wheel Drive Indicator Switch and Vehicle Control Module (VCM)
G200, G201 and G207 (Pickup)