GM Service Manual Online
For 1990-2009 cars only
Makes
🢒
Chevrolet
🢒
2000
🢒
S10 Pickup - 2WD
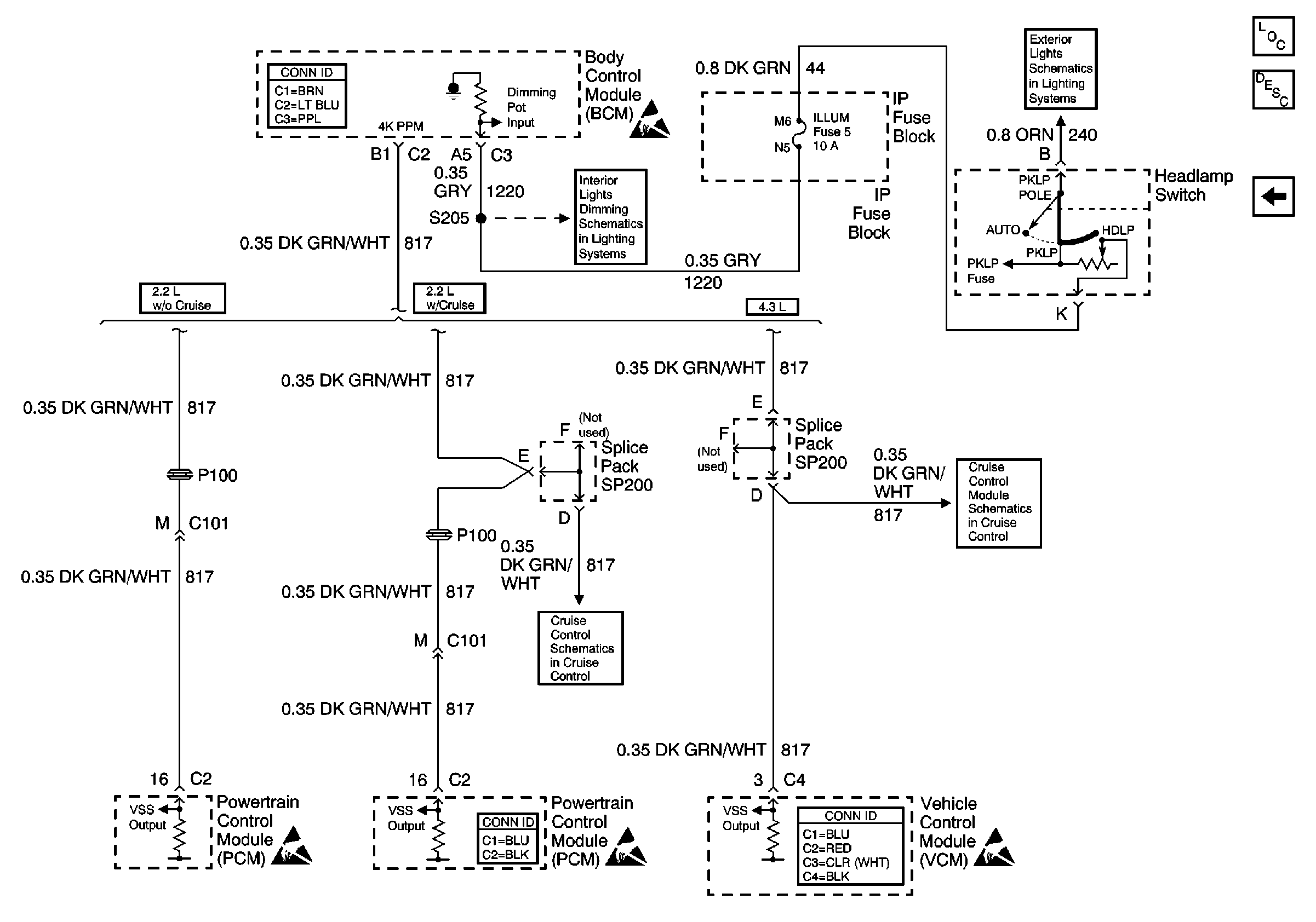
🢒 PCM/VCM and VSS Input
PCM/VCM and VSS Input
PCM/VCM and VSS Input
Audible Warnings Components
Audible Warnings Circuit Description
Turn Signals
Body Control System Connector End Views
Handling ESD Sensitive Parts Notice
ILLUM Fuse 12
Park and Marker Lamps (Front)
Cruise Control Module and PCM/VCM
Cruise Control Module and PCM/VCM
Handling ESD Sensitive Parts Notice
Powertrain Control Module Connector End Views
Handling ESD Sensitive Parts Notice
VCM Connector End Views
Handling ESD Sensitive Parts Notice