GM Service Manual Online
For 1990-2009 cars only

Refer to

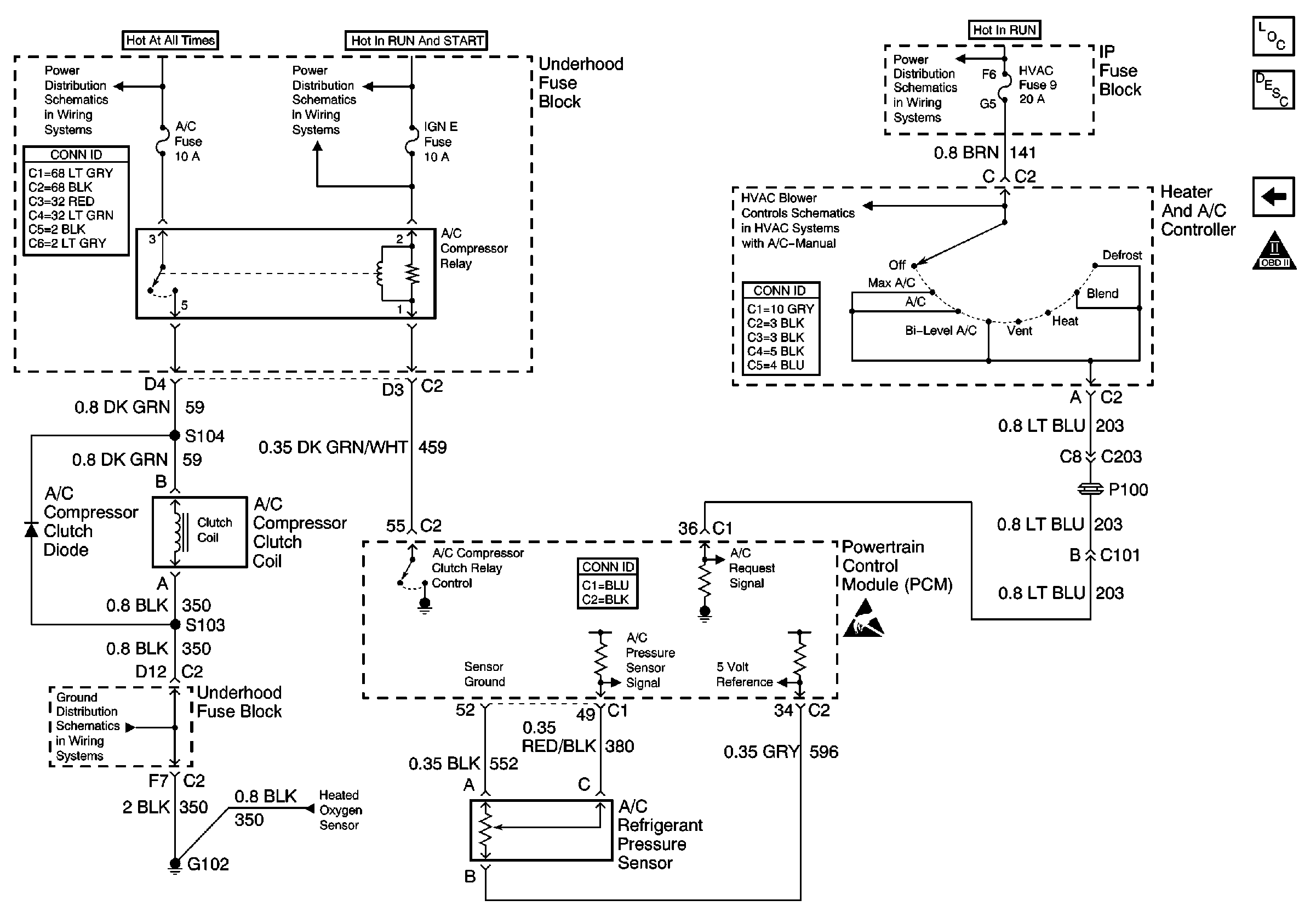
A/C Compressor Controls


Object Number: 538592  Size: FS
Engine Controls Components
Powertrain Control Module Controlled Air Conditioning Description
Automatic Transmission and PNP Switch Inputs
OBD II Symbol Description Notice
B+ Bus Bar
Power and Grounding Connector End Views
Ign RUN and START Bus Bar
G102 (Except Export)
Oxygen Sensors
Powertrain Control Module Connector End Views
Ign ACC, RUN and RAP Bus Bar
RPO C42
Handling ESD Sensitive Parts Notice
HVAC Connector End Views
.

Circuit Description

The A/C refrigerant pressure sensor responds to changes in A/C refrigerant high side pressure. This input indicates how much load the A/C compressor is putting on the engine. The powertrain control module (PCM) uses this input in order to determine the idle air control (IAC) position for idle speed. The PCM supplies the A/C refrigerant pressure sensor with a 5 volt reference and a ground circuit. A signal voltage is sent back to the PCM by the A/C refrigerant pressure sensor which is proportional to the A/C pressure. The operating range of the sensor is between 0 and 459 psi. At 0 psi the signal voltage will read between 0.20 volt varying to 5.0 volts at 459 psi or above.

Conditions for Running The DTC

The A/C refrigerant sensor pressure is more than 453 psi (4.90 volt) with the A/C requested.

OR

The A/C refrigerant sensor pressure is more than 363 psi (4.0 volt) with the A/C not requested

OR

The A/C refrigerant pressure sensor is less than 0 psi (0.10 volt) when the intake air temperature is more than 0°C (32°F) and DTC P0112 or P0113 is not set.

OR

The A/C refrigerant sensor pressure is less than 0 psi (0.10 volt) when an IAT sensor DTC is present.

Conditions for Setting the DTC

Any of the above conditions are met for 15 seconds.

Action Taken When the DTC Sets

    • The PCM records the operating conditions at the time the diagnostic fails. The Failure Records buffers stores this information.
    • The PCM stores a history DTC.
    • The PCM disables the A/C compressor clutch.

Conditions for Clearing the DTC

    • A history DTC clears after 40 consecutive warm up cycles without a fault.
    • Use a scan tool to clear the DTCs.

Diagnostic Aids

    • The DTC P0530 sets when the signal voltage falls outside of the normal possible range of the sensor.
    • If the actual pressure of the A/C system matches the scan tool readings, repair any A/C pressure problems before using this table. Refer to Diagnostic System Check in HVAC Systems.
    • Thoroughly inspect any suspected circuitry for the following conditions:
       - Backed out terminals
       - Improper mating of the terminals
       - Broken locks
       - Improperly formed or damaged terminals
       - Poor terminal to wiring connections
       - Physical damage to the wiring harness

Test Description

The numbers below refer to the step numbers on the diagnostic table

  1. If the A/C refrigerant pressure signal voltage stays high after disconnecting the A/C refrigerant pressure sensor electrical connector, the signal circuit is shorted to voltage or the PCM is faulty.

  2. Tests for a high resistance or an open in the ground circuit.

  3. This vehicle is equipped with a PCM which utilizes an electrically erasable programmable read only memory (EPROM). When the PCM is being replaced, the new PCM must be programmed.

Step

Action

Value(s)

Yes

No

1

Did you perform the Powertrain On-Board (OBD) Diagnostic System Check?

--

Go to Step 2

Go to Powertrain On Board Diagnostic (OBD) System Check

2

  1. Turn ON the ignition.
  2. With a scan tool, observe the A/C pressure sensor parameter.

Does the scan tool indicate the parameter is within the specified range?

0.1 V-4.9 V

Go to Diagnostic Aids

Go to Step 3

3

  1. Turn OFF the ignition.
  2. Disconnect the A/C pressure sensor
  3. Turn ON the ignition with the engine OFF.
  4. With a scan tool, observe the A/C pressure sensor parameter.

Does the scan tool indicate the parameter is less than the specified value?

0.1 V

Go to Step 4

Go to Step 10

4

  1. Turn OFF the ignition with the engine OFF.
  2. Connect a 3 amp fused jumper wire between the 5 volt reference circuit and the signal circuit.
  3. Turn ON the ignition.
  4. With a scan tool, observe the A/C pressure sensor parameter.

Does the scan tool indicate the parameter is more than the specified value?

4.9 V

Go to Step 5

Go to Step 8

5

  1. Disconnect the fused jumper wire.
  2. Measure the voltage between the 5 volt reference circuit and the ground circuit.

Does the voltage measure less than the specified value?

5.1 V

Go to Step 6

Go to Step 7

6

  1. Disconnect the negative battery cable.
  2. Measure the resistance from the ground circuit of the A/C pressure sensor to a good ground.

Does the resistance measure less than the specified value?

5 ohms

Go to Step 12

Go to Step 11

7

Test the 5 volt reference circuit for a short to voltage. Refer to Circuit Testing and Wiring Repairs in Wiring Systems.

Did you find and correct the condition?

--

Go to Step 16

Go to Step 13

8

Test the 5 volt reference circuit for a high resistance, or an open. Refer to Circuit Testing and Wiring Repairs in Wiring Systems.

Did you find and correct the condition?

--

Go to Step 16

Go to Step 9

9

Test the signal circuit for a short to ground, high resistance, or an open. Refer to Circuit Testing and Wiring Repairs in Wiring Systems.

Did you find and correct the condition?

--

Go to Step 16

Go to Step 13

10

Test the signal circuit for a short to voltage. Refer to Circuit Testing and Wiring Repairs in Wiring Systems.

Did you find and correct the condition?

--

Go to Step 16

Go to Step 13

11

Test the ground circuit for high resistance or an open. Refer to Circuit Testing and Wiring Repairs in Wiring Systems.

Did you find and correct the condition?

--

Go to Step 16

Go to Step 13

12

Inspect for poor connections at the A/C pressure sensor. Refer to Testing for Intermittent Conditions and Poor Connections and Connector Repairs in Wiring Systems.

Did you find and correct the condition?

--

Go to Step 16

Go to Step 14

13

Inspect for poor connections at the PCM. Refer to Testing for Intermittent Conditions and Poor Connections and Connector Repairs in Wiring Systems.

Did you find and correct the condition?

--

Go to Step 16

Go to Step 15

14

Replace the A/C pressure sensor.

Did you complete the replacement?

--

Go to Step 16

--

15

Important:: The replacement PCM must be programmed.

Replace the PCM. Refer to Powertrain Control Module Replacement/Programming .

Did you complete the replacement?

--

Go to Step 16

--

16

  1. Use a scan tool to clear the DTCs.
  2. Operate the vehicle within the Fail Record conditions and the Conditions for Running the DTC as specified in the supporting text.

Does the DTC reset?

--

Go to Step 2

System OK