GM Service Manual Online
For 1990-2009 cars only
Makes
🢒
Chevrolet
🢒
1999
🢒
S10 - Electric
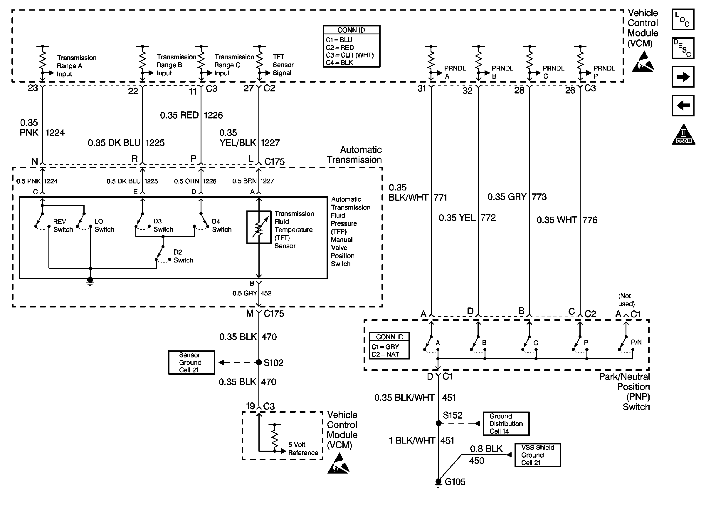
🢒 Cell 21: Automatic Transmission Switch Inputs
Cell 21: Automatic Transmission Switch Inputs
Cell 21: Automatic Transmission Switch Inputs
VCM Connector End Views
Engine Controls Components
Handling ESD Sensitive Parts Notice
Vehicle Control Module Description
Cell 21: A/C Compressor Control
Cell 21: Automatic Transmission Valve Controls
OBD II Symbol Description Notice
Tilt Wheel/Column Connector End Views
Cell 21: MAP, IAT, ECT, TP and Fuel Tank Pressure Sensors
Handling ESD Sensitive Parts Notice
Cell 14: G103 and G105 (4.3L)
Cell 21: Vehicle Speed Sensor