GM Service Manual Online
For 1990-2009 cars only
Makes
🢒
Chevrolet
🢒
2003
🢒
SSR
🢒
Body and Accessories
🢒
Doors
🢒 Door Lock/Indicator Schematics
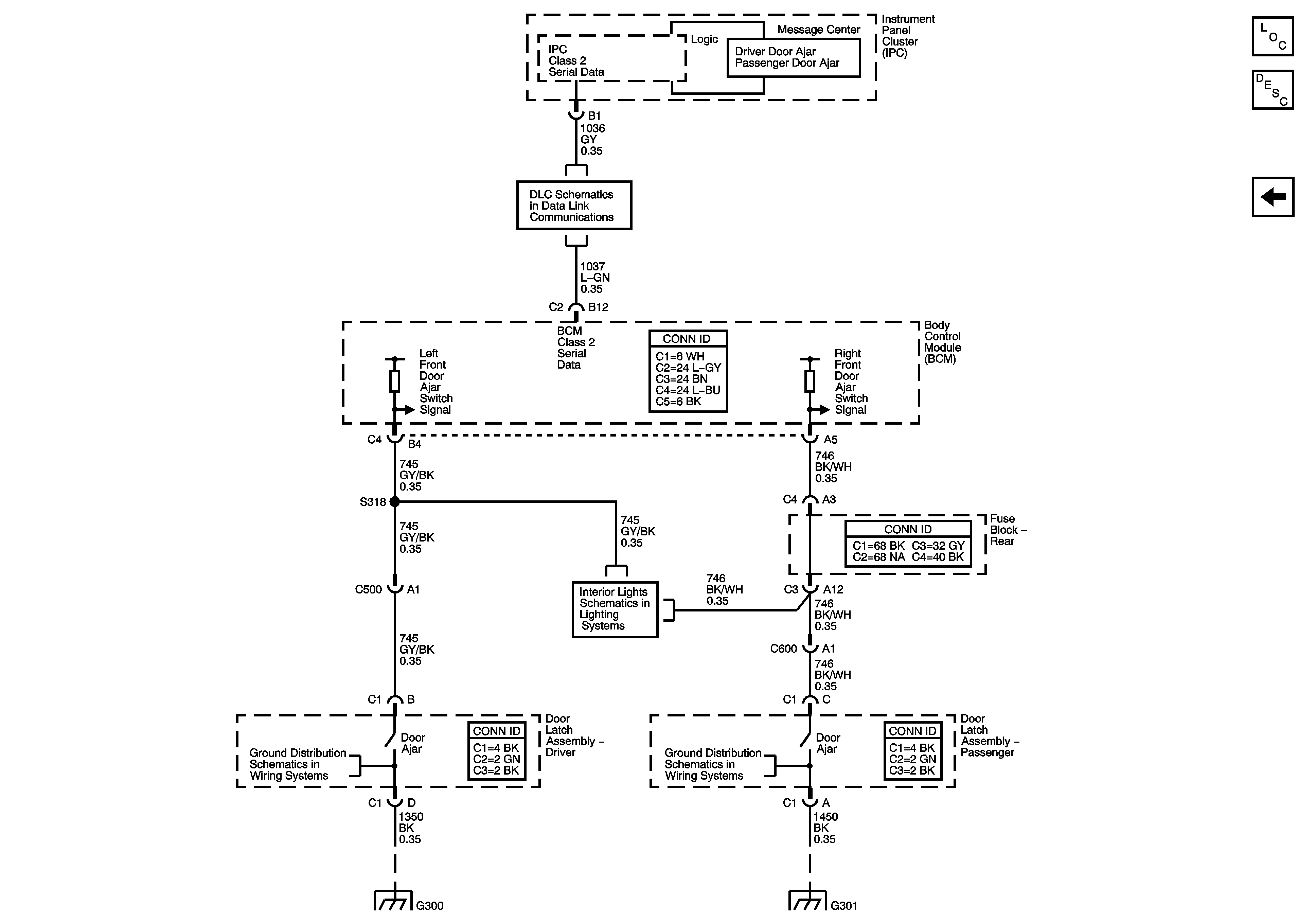
Figure
1:
Power Door Locks
Master Electrical Component List
Power Door Locks Description and Operation
Door Ajar and Indicator
B+ Bus - Fuse Block - Rear
G301, G302
RKE, DDM and AMP Fuses, ROOF PUMP and ROOF-DOOR MOD Circuit Breakers
Data Link Connector (DLC) Schematics
G300
G301, G302
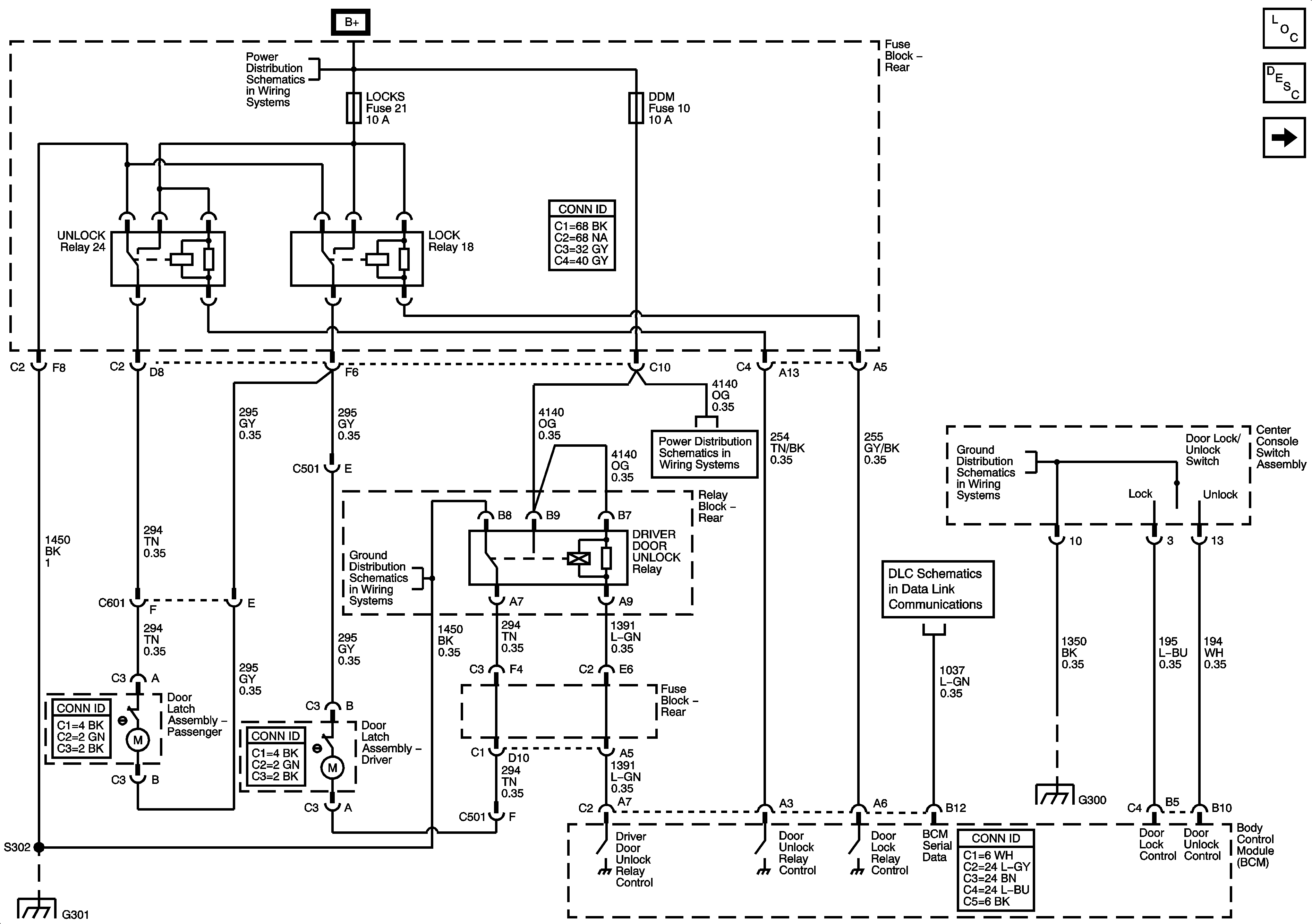
Figure
2:
Door Ajar and Indicator
Master Electrical Component List
Power Door Locks Description and Operation
Power Door Locks
Data Link Connector (DLC) Schematics
Door Ajar Switches
G300
G301, G302
G300
G301, G302