GM Service Manual Online
For 1990-2009 cars only
Makes
🢒
Chevrolet
🢒
2003
🢒
SSR
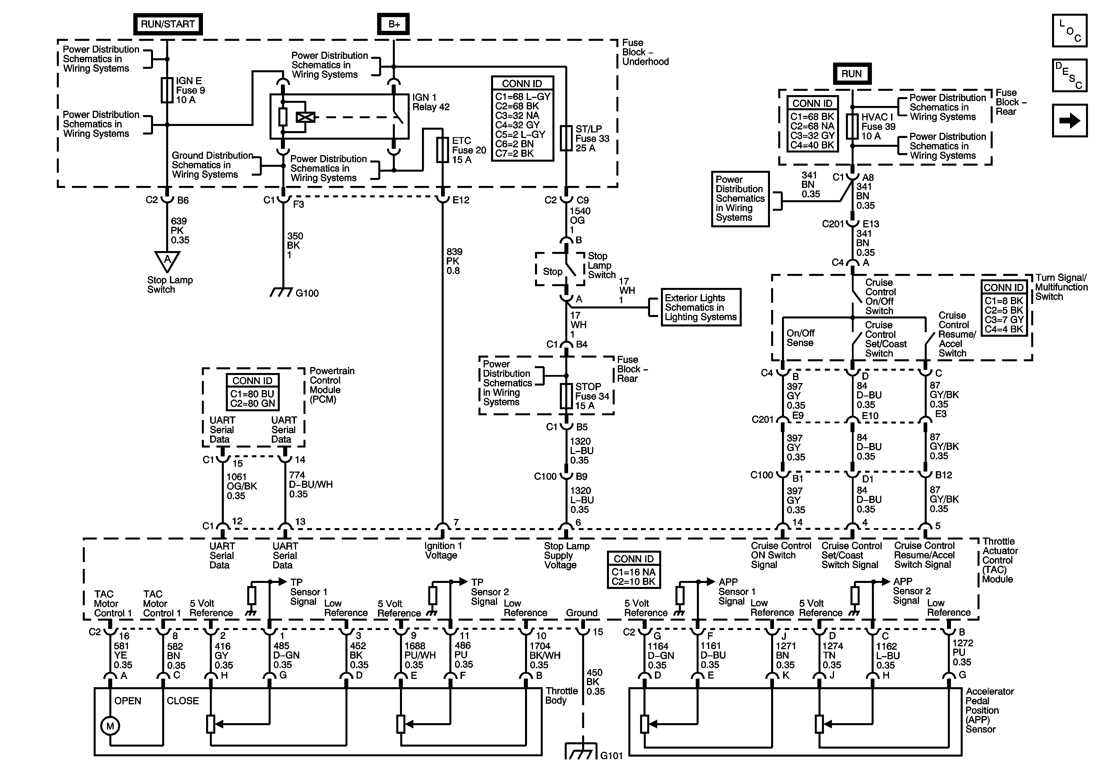
🢒 Power, Ground, TAC Module, APP Sensor and Throttle Body
Power, Ground, TAC Module, APP Sensor and Throttle Body
Power, Ground, TAC Module, APP Sensor and Throttle Body
Master Electrical Component List
Cruise Control Description and Operation
Stop Lamp Switch, EBCM and PCM
ACCY/RUN and RUN/START BUS BAR
IGN E, TBC IGN 1, BACK UP and BTSI Fuses
G100, G102
B+ BUS - Fuse Block Underhood
TAC, INJ A and INJ B Fuses
HVAC I and BRK Fuses
ACCY/RUN and RUN/START BUS BAR
HVAC I and BRK Fuses
Stop Lamp Switch, EBCM and PCM
ENG CLN FAN, ABS, BLOWER, CIGAR and ST/LP Fuses
Turn Signal Lamps
G101