GM Service Manual Online
For 1990-2009 cars only
Makes
🢒
Chevrolet
🢒
2007
🢒
Silverado - 2WD
🢒
Diagnostic Navigation
🢒
Vehicle Diagnostic Information
🢒 Instrument Cluster Schematics
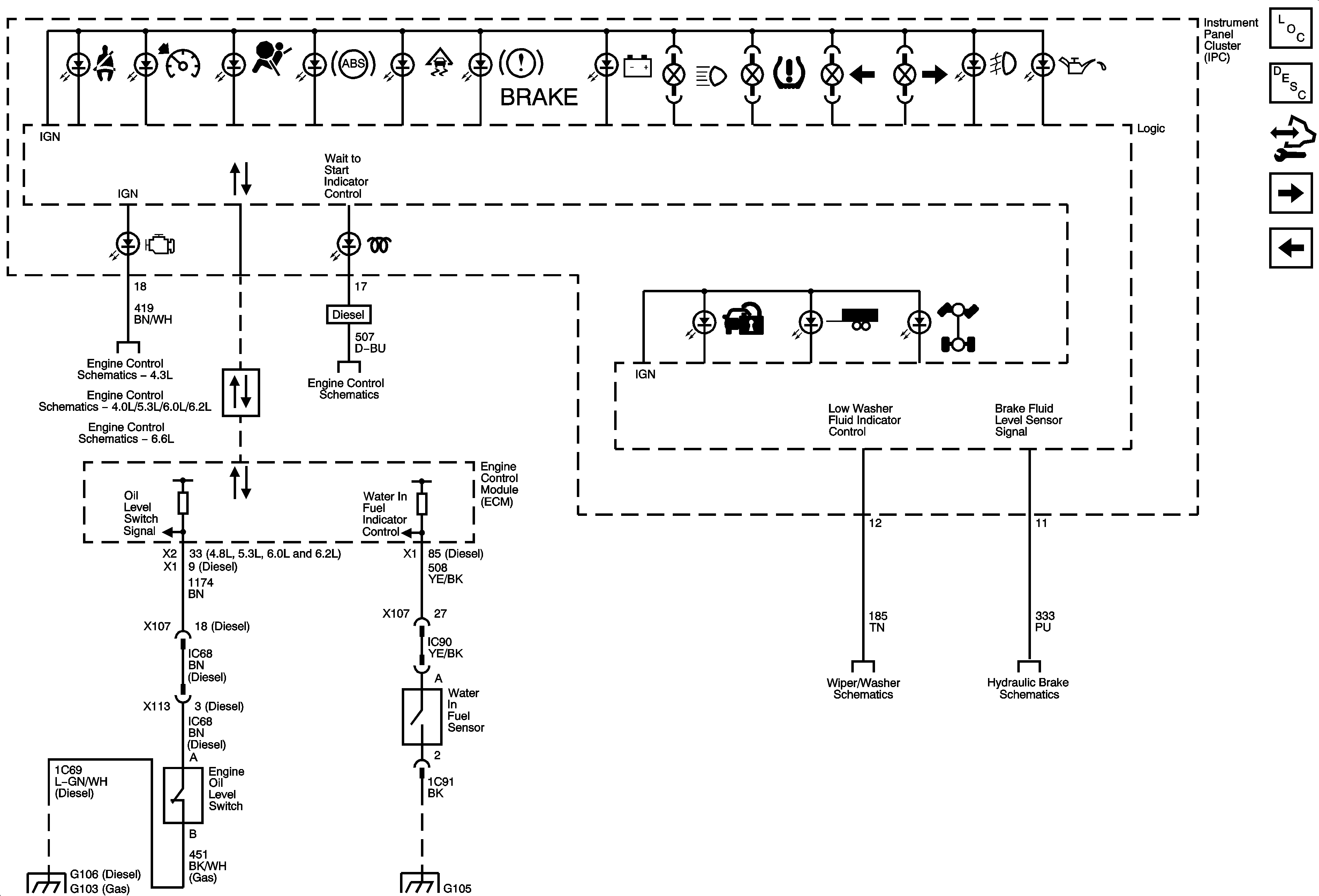
Figure
1:
Power, Ground and Driver Information Switch
Master Electrical Component List
Instrument Cluster Description and Operation
Control Module References
Indicators
RUN/CRANK BUS - AUX HVAC- IGN and HVAC-IGN Fuses
ECM-BATT, HDLP WASH, HVAC BATT, IPC, LTR, S/ROOF and TCM-BATT Fuses
Low Speed Bus - 1 of 3
Passenger Presence System 1 of 2
Seat Belt Schematics
G106 (4.3L) and G103
G102, G107 (4.3L), G104, G108
G201 1 of 2
G200 1 of 2
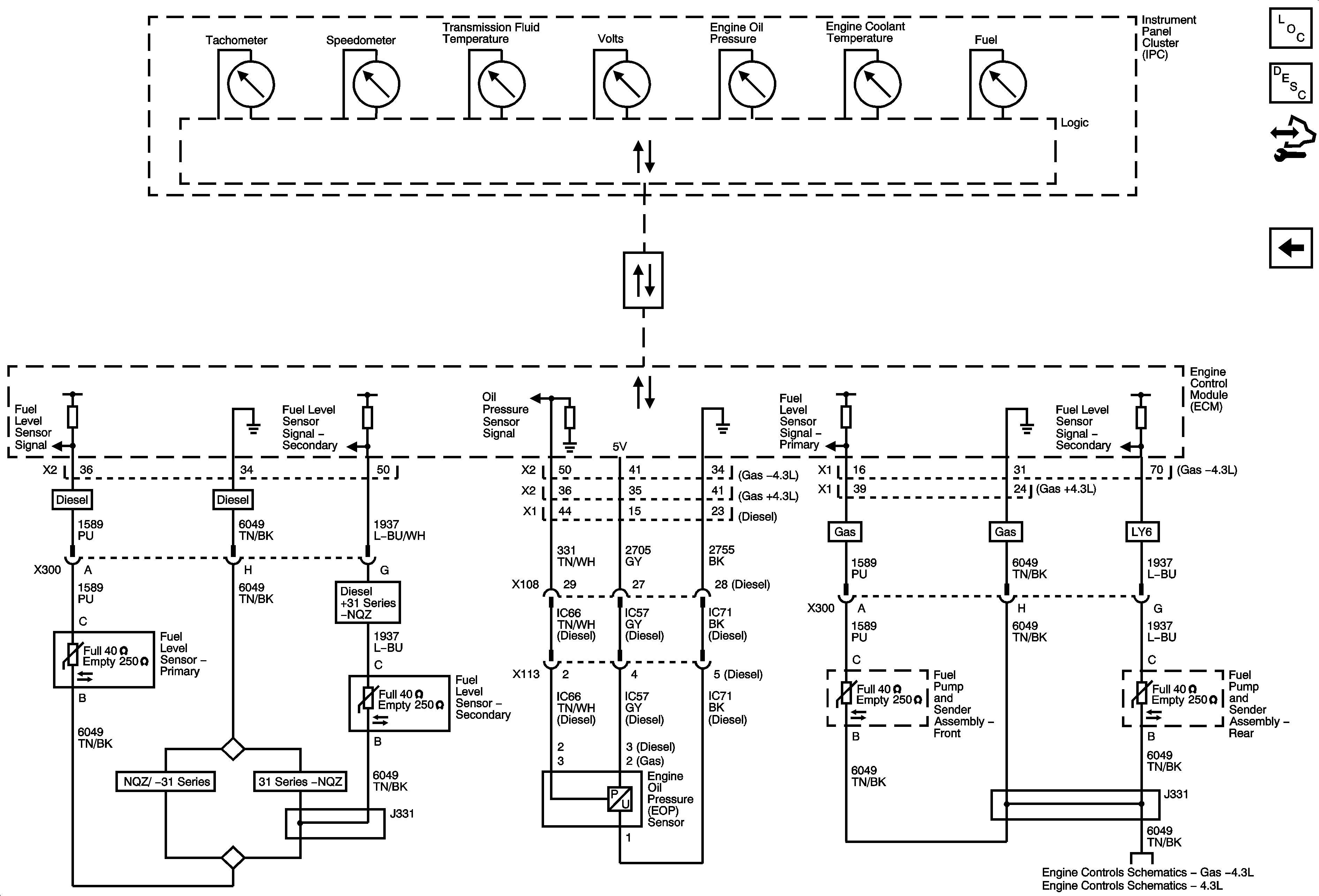
Figure
2:
Indicators
Master Electrical Component List
Instrument Cluster Description and Operation
Control Module References
Gages
Power, Ground and Driver Information Switch
Module Power, Ground and Serial Data
Module Power, Ground and Serial Data
Module Power, Ground, Serial Data and MIL
Low Speed Bus - 1 of 3
Engine Data Sensors - Glow Plug Controls and the IAH Module
Wiper and Washer Motor Control
Hydraulic Brake Schematics
G106 (4.3L) and G103
G106 (Diesel), G105, G110 and G111
Figure
3:
Gages
Master Electrical Component List
Instrument Cluster Description and Operation
Control Module References
Indicators
Low Speed Bus - 1 of 3
5-Volt and Low Reference
5-Volt and Low Reference