GM Service Manual Online
For 1990-2009 cars only
Makes
🢒
Chevrolet
🢒
2007
🢒
Silverado - 2WD
🢒
Transmission/Transaxle
🢒
Automatic Transmission - Allison
🢒 Automatic Transmission Controls Schematics
Figure
1:
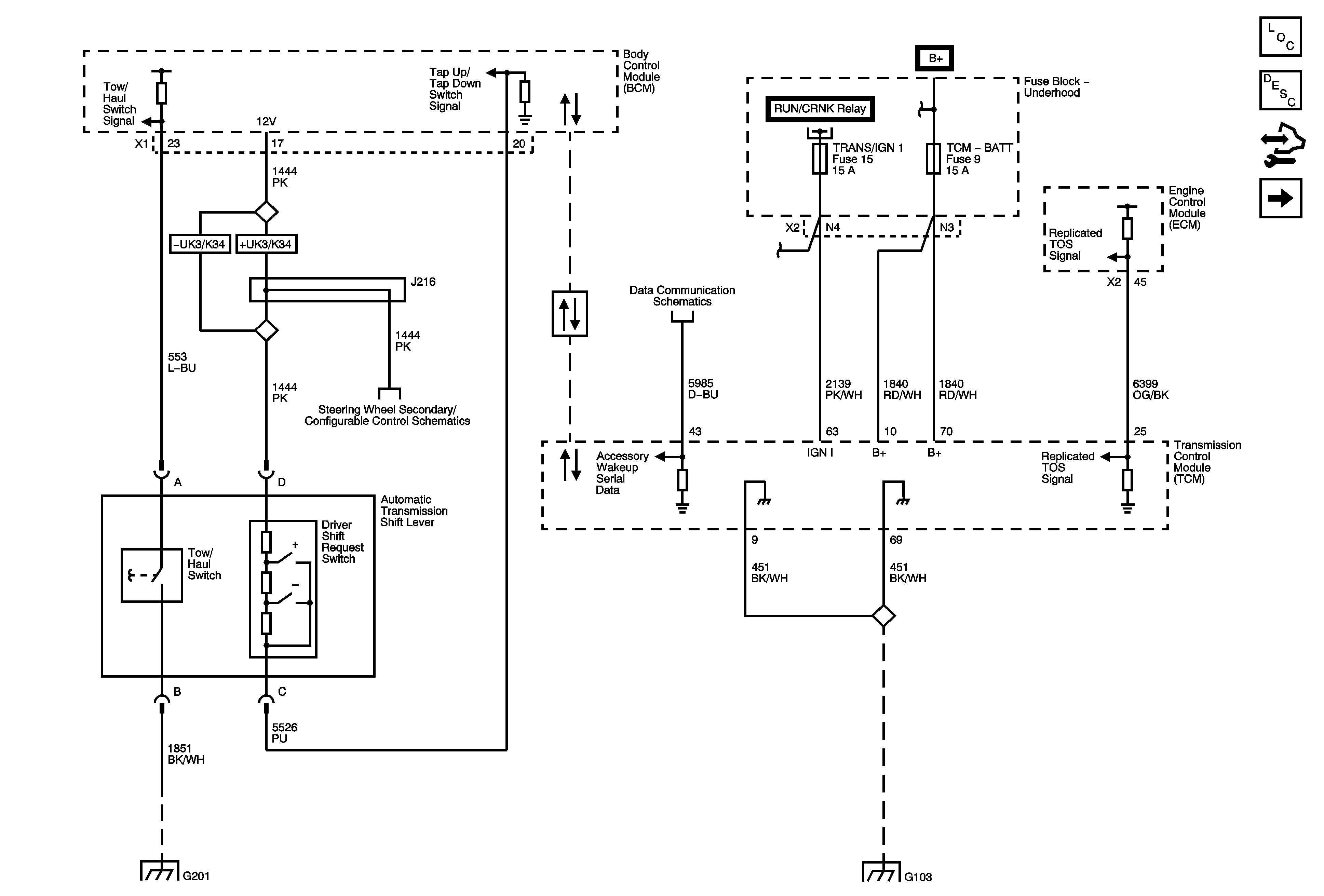
Power, Ground, Driver Shift Request Switch, Tow/Haul Switch, and Serial Data
Master Electrical Component List
Electronic Component Description
Control Module References
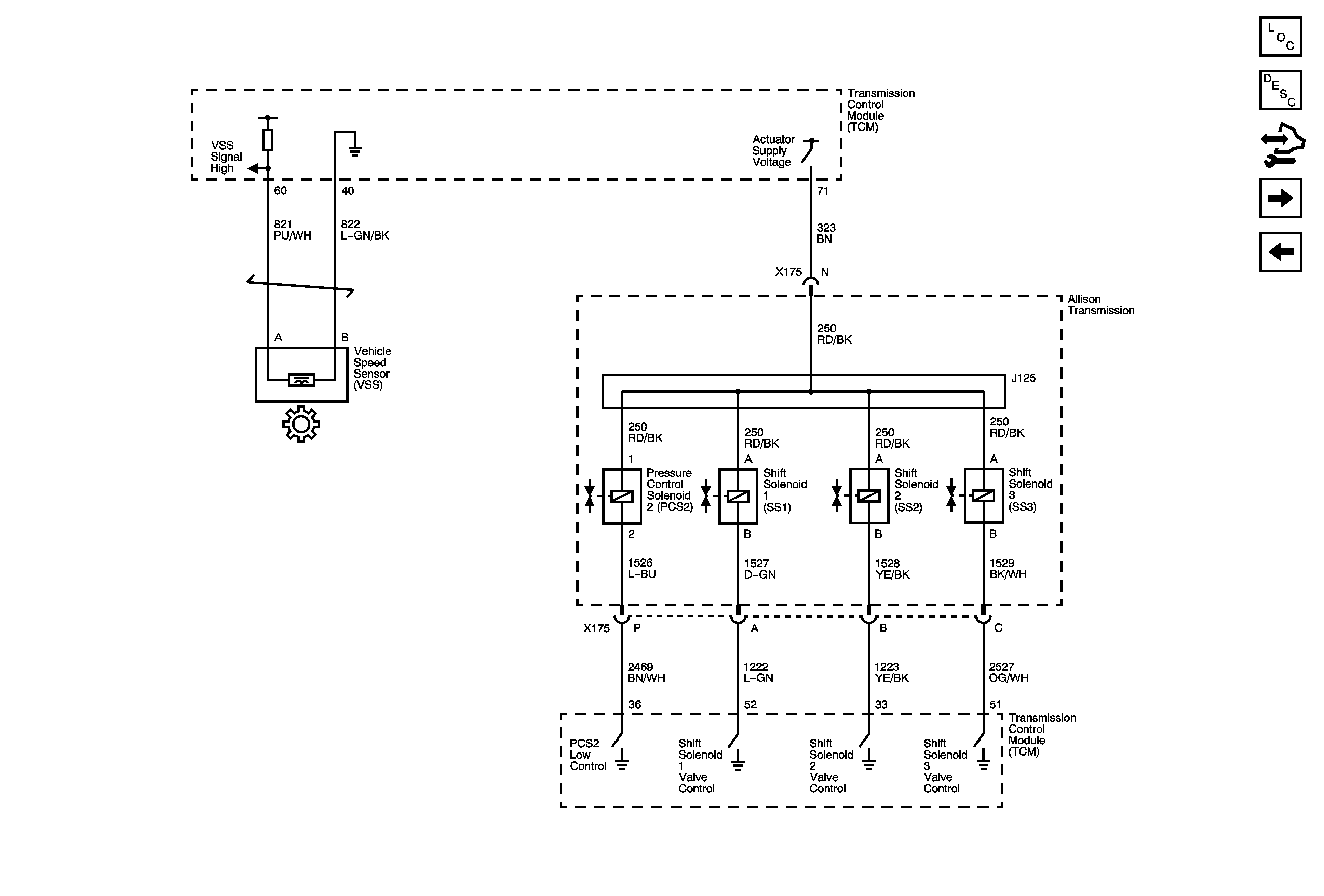
Shift Solenoids, PCS2, Torque Signals and Speed Sensors
Ignition II/III Voltage
RUN/CRANK BUS - ECM-IGN and TRANS IGN 1 Fuses
ECM-BATT, HDLP WASH, HVAC BATT, IPC, LTR, S/ROOF and TCM-BATT Fuses
Steering Wheel Controls
High Speed Bus - 3 of 3 (Diesel)
Accessory Wakeup Serial Data
Wiring Provisions - 2 of 2
G201 2 of 2
G106 (4.3L) and G103
Figure
2:
Shift Solenoids, PCS 2, Torque Signals and Speed Sensors
Master Electrical Component List
Electronic Component Description
Control Module References
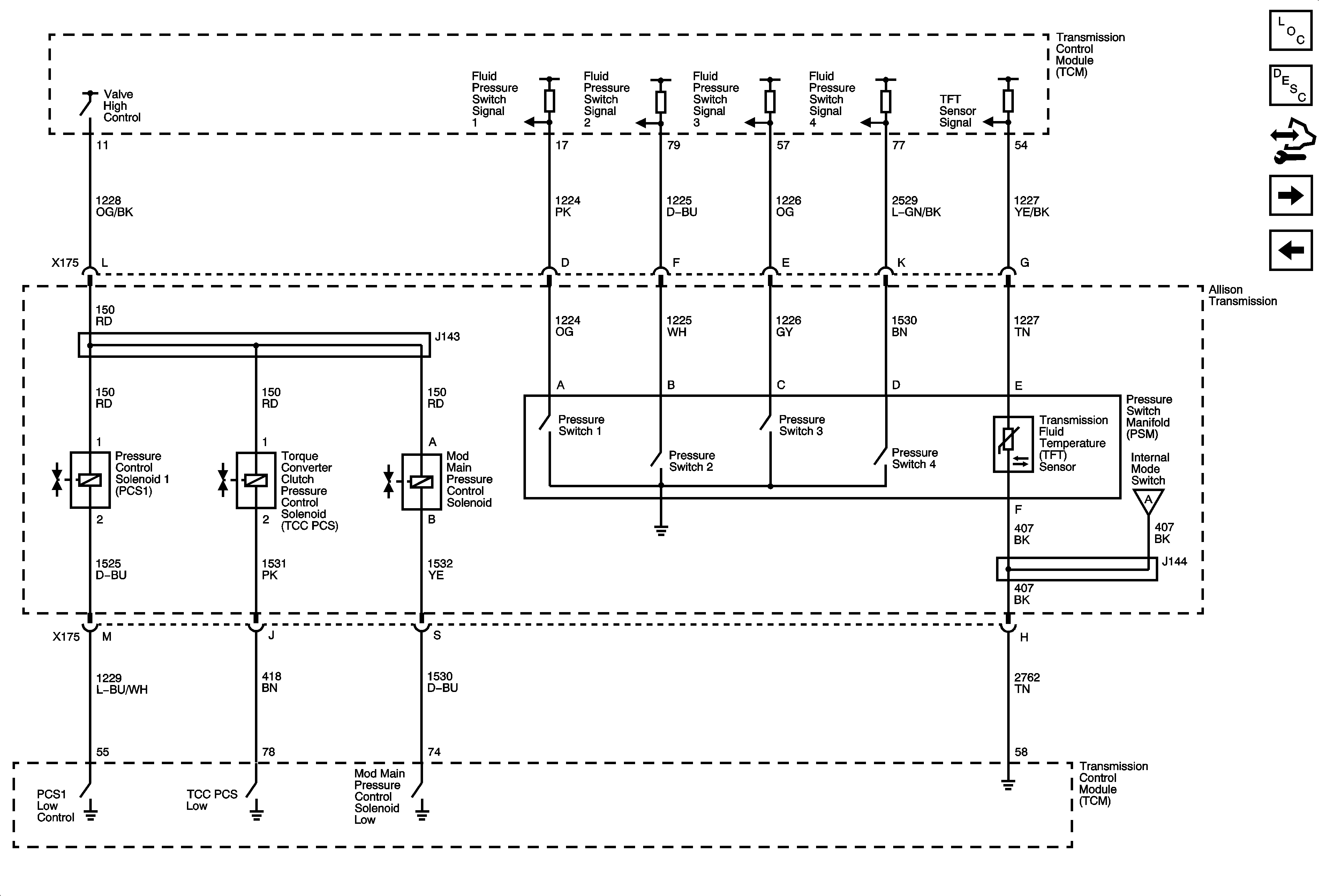
Fluid Pressure Switches, PCS1, TCC PCS, Mod Main Solenoid and FTP Sensor
Power, Ground, Driver Shift request Switch, Tow/Haul Switch, and Serial Data
Figure
3:
Fluid Pressure Switches, PCS 1, TCC PCS, Mod Main Solenoid, and FTP Sensor
Master Electrical Component List
Electronic Component Description
Control Module References
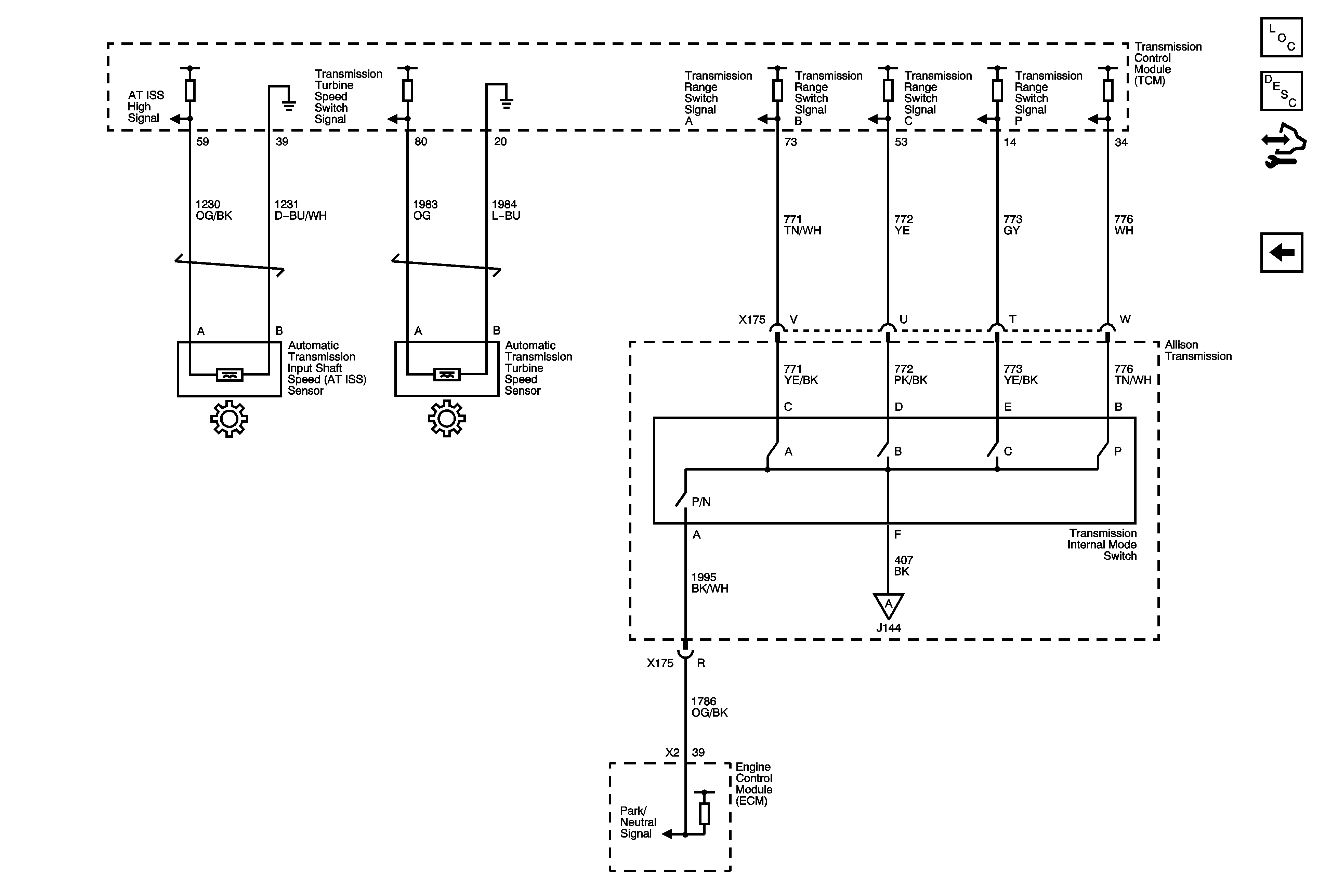
Internal Mode Switch (IMS) and Speed Sensors
Shift Solenoids, PCS2, Torque Signals and Speed Sensors
Internal Mode Switch (IMS) and Speed Sensors
Figure
4:
Internal Mode Switch (IMS) and Speed Sensors
Master Electrical Component List
Electronic Component Description
Control Module References
Fluid Pressure Switches, PCS1, TCC PCS, Mod Main Solenoid and FTP Sensor
Fluid Pressure Switches, PCS1, TCC PCS, Mod Main Solenoid and FTP Sensor