GM Service Manual Online
For 1990-2009 cars only
Makes
🢒
Chevrolet
🢒
2007
🢒
Silverado - 2WD
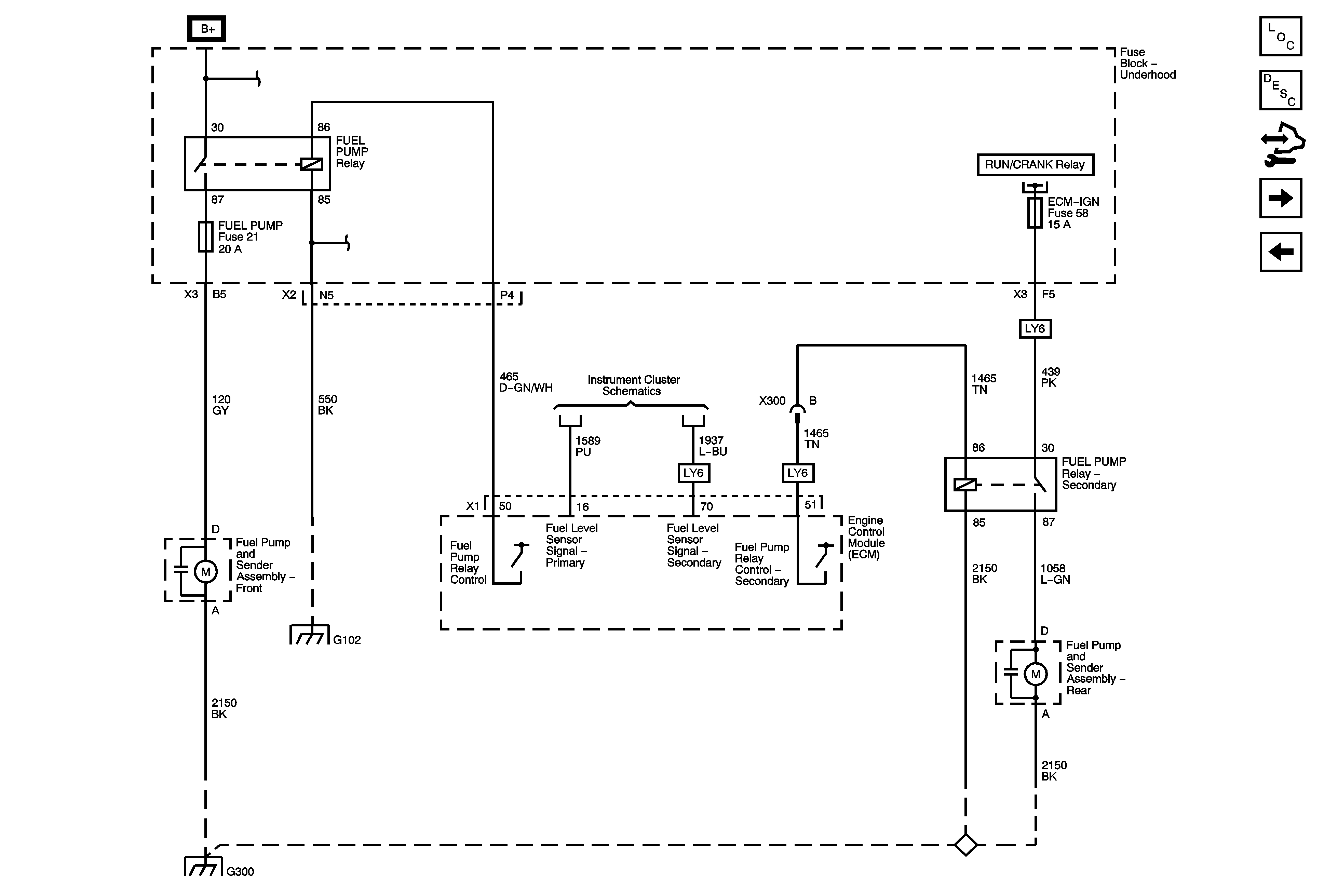
🢒 Fuel Pump Controls +LMG/LY6/LC9
Fuel Pump Controls +LMG/LY6/LC9
Fuel Pump Controls (+LMG/LY6/LC9)
Master Electrical Component List
Fuel System Description
Control Module References
Fuel Controls - Fuel Injectors
Fuel Controls - Fuel Pump Controls (-LMG/LY6/LC9)
Ignition II/III Voltage
A/C CMPRSR, FRT WASH, FUEL PUMP, HORN, HTD MIR, REAR DEFOG and STRTR Fuses
RUN/CRANK BUS - ECM-IGN and TRANS IGN 1 Fuses
Gages
G102, G107 (4.3L), G104, G108
G300