GM Service Manual Online
For 1990-2009 cars only
Makes
🢒
Chevrolet
🢒
2007
🢒
Silverado - 2WD
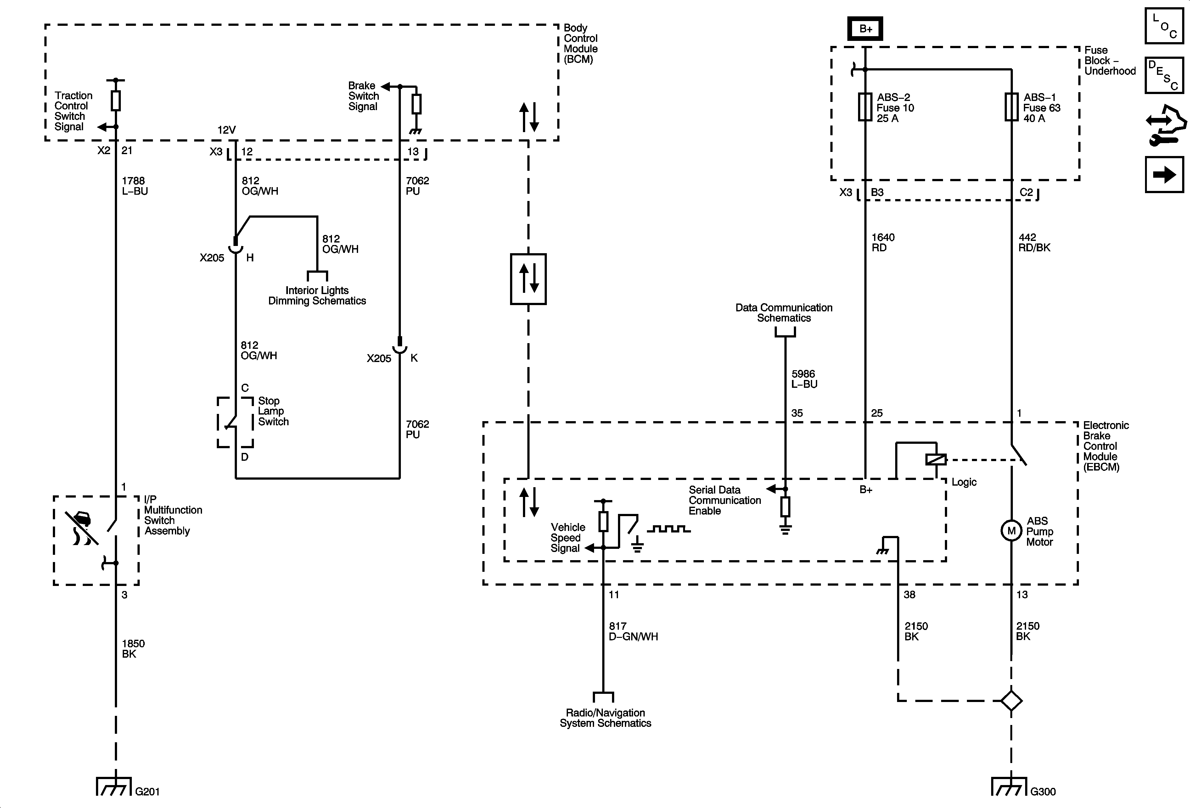
🢒 Module Power, Ground, Serial Data, Pump Motor and Brake Switch JL4
Module Power, Ground, Serial Data, Pump Motor and Brake Switch JL4
Module Power, Ground, Serial Data, Pump Motor and Brake Switch (JL4)
Master Electrical Component List
ABS Description and Operation (Under 8600 GVW)
Control Module References
Sensors JL4
ABS-1, ABS-2, HEAVY DUTY ABS, HVAC BLWR, STUD 1, STUD 2 and WSW/HTR Fuses
ABS-1, ABS-2, HEAVY DUTY ABS, HVAC BLWR, STUD 1, STUD 2 and WSW/HTR Fuses
Dimming Control and LED Dimming 1 of 3
High Speed Bus - 2 of 3
Serial Data Communication Enable
Radio Power, Ground and Serial Data
G201 1 of 2
G300