GM Service Manual Online
For 1990-2009 cars only
Makes
🢒
Chevrolet
🢒
2000
🢒
Tracker - 2WD
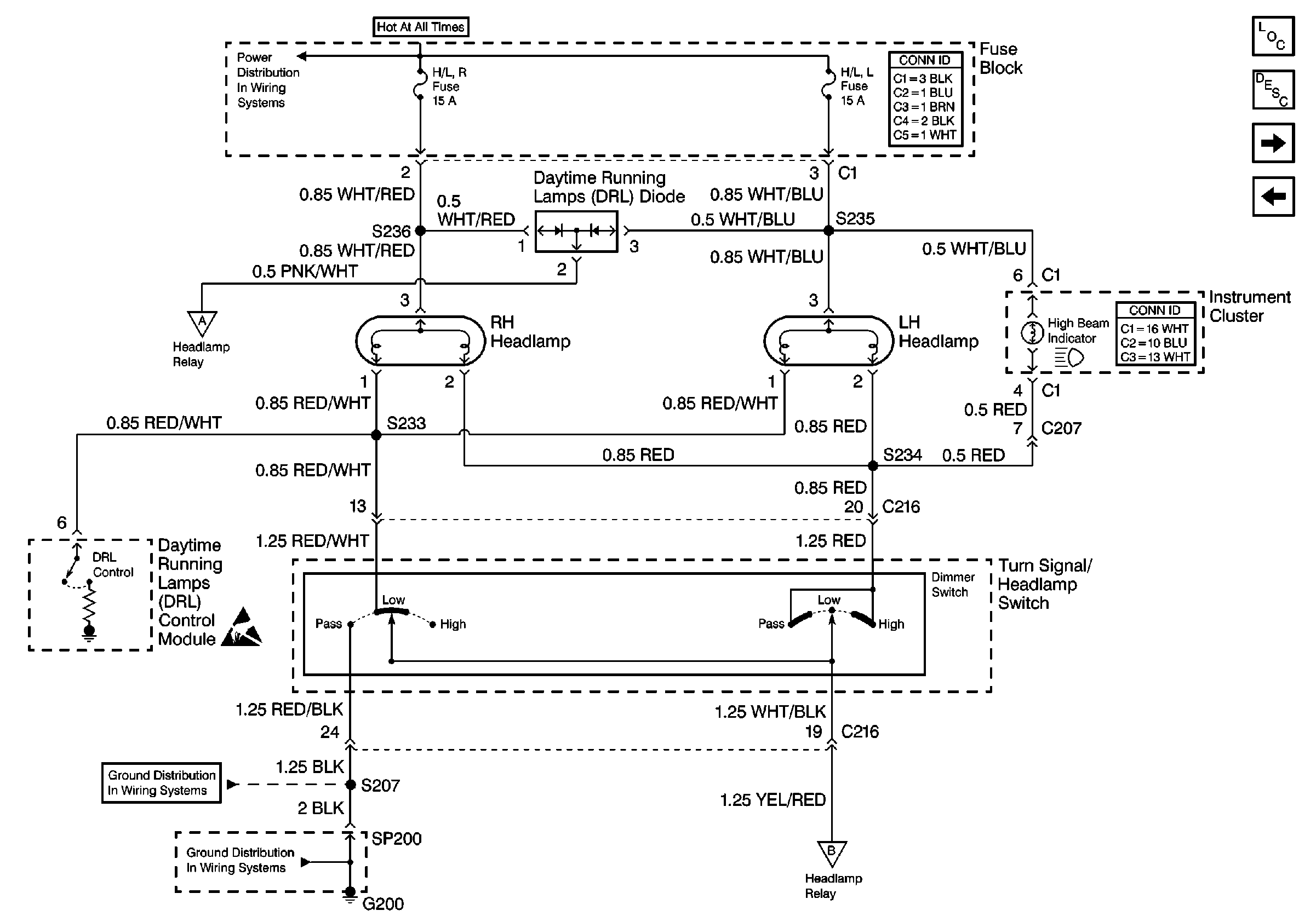
🢒 Headlamps, DRL Diode, Instrument Cluster
Headlamps, DRL Diode, Instrument Cluster
Headlamps, DRL Diode, Instrument Cluster
Lighting Systems Components
Headlights/Daytime Running Lights (DRL) Circuit Description
Ambient Light Sensor, Turn Signal/Headlamp Switch, HEAdlAmp RelAy
Power, Ground, Park Brake Switch, Generator
H/L, HTR, IG and LAMP Fuses
G200 (1 of 2)
G200-G201
Handling ESD Sensitive Parts Notice