GM Service Manual Online
For 1990-2009 cars only
Makes
🢒
Chevrolet
🢒
2001
🢒
Tracker - 2WD
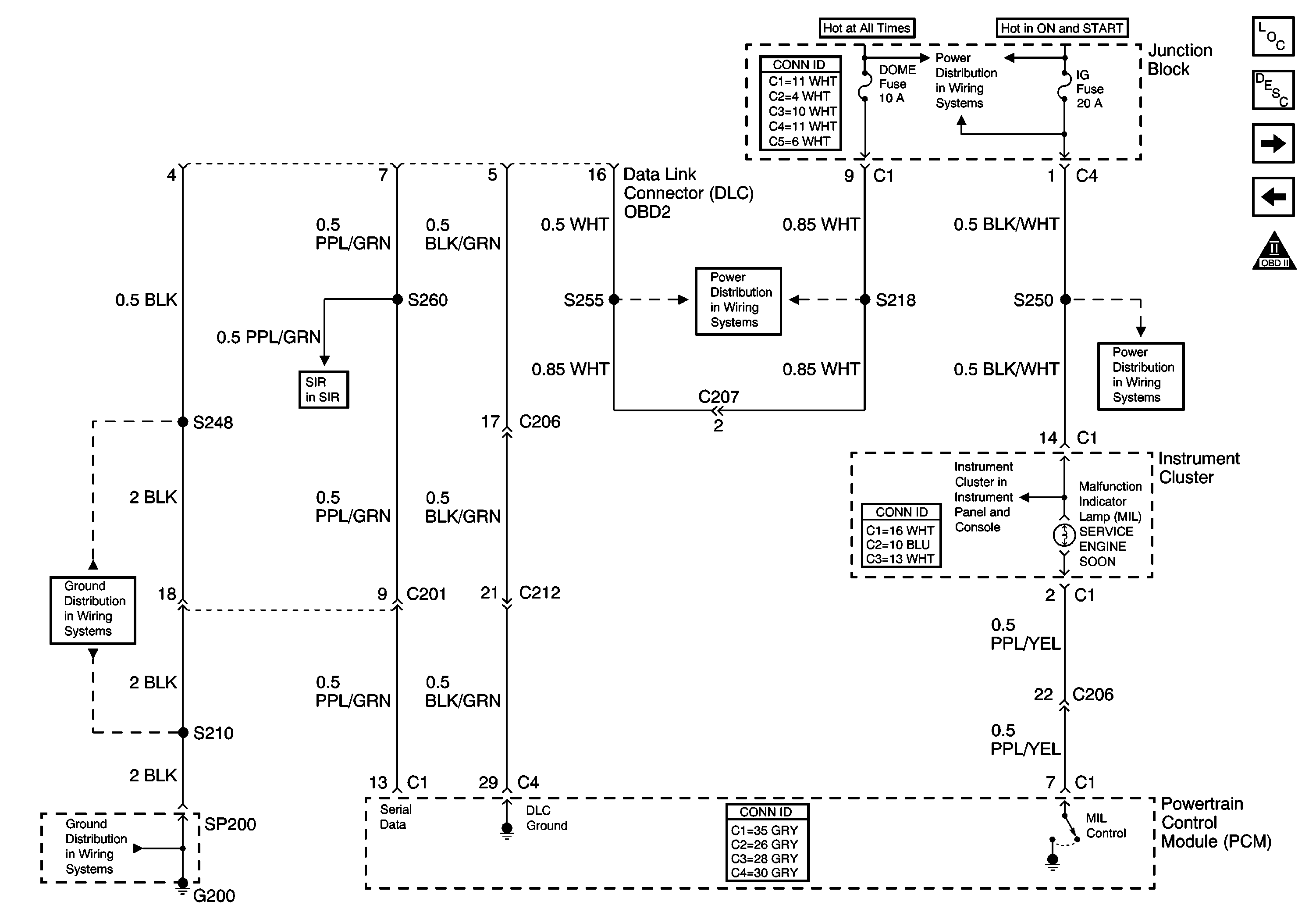
🢒 Data Link Connector (DLC) and Malfunction Indicator Lamp (MIL)
Data Link Connector (DLC) and Malfunction Indicator Lamp (MIL)
Data Link Connector (DLC) and Malfunction Indicator Lamp (MIL)
Master Electrical Component List
IGNITION COILS, CPP SWITCH
Main Relay, Powertrain Control Module (PCM) Power and Ground
IG, Turn and WIP Fuses
HAZ, D/L, TAIL, Stop and Dome Fuses
Instrument Cluster Indicators
HAZ, D/L, TAIL, Stop and Dome Fuses
NO TITLE SIR
G200 (1 of 2)
G200 (2 of 2)