GM Service Manual Online
For 1990-2009 cars only
Makes
🢒
Chevrolet
🢒
2001
🢒
Tracker - 2WD
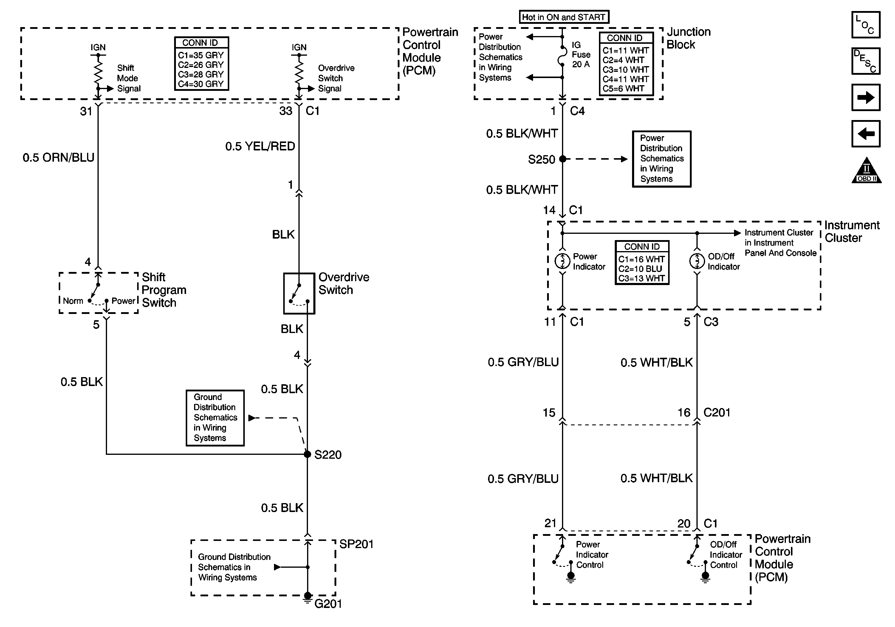
🢒 Shift Program Switch, Overdrive Switch
Shift Program Switch, Overdrive Switch
Shift Program Switch, Overdrive Switch
Master Electrical Component List
Powertrain Control Module (PCM) Idle-Up Inputs
Output Shaft Speed Sensor, Input Shaft Speed Sensor
OBD II Symbol Description Notice
Instrument Cluster Indicators
IG, Turn and WIP Fuses
H/L, HTR, IG, and Lamp Fuses
G201
G201