GM Service Manual Online
For 1990-2009 cars only
Makes
🢒
Chevrolet
🢒
2001
🢒
Tracker - 2WD
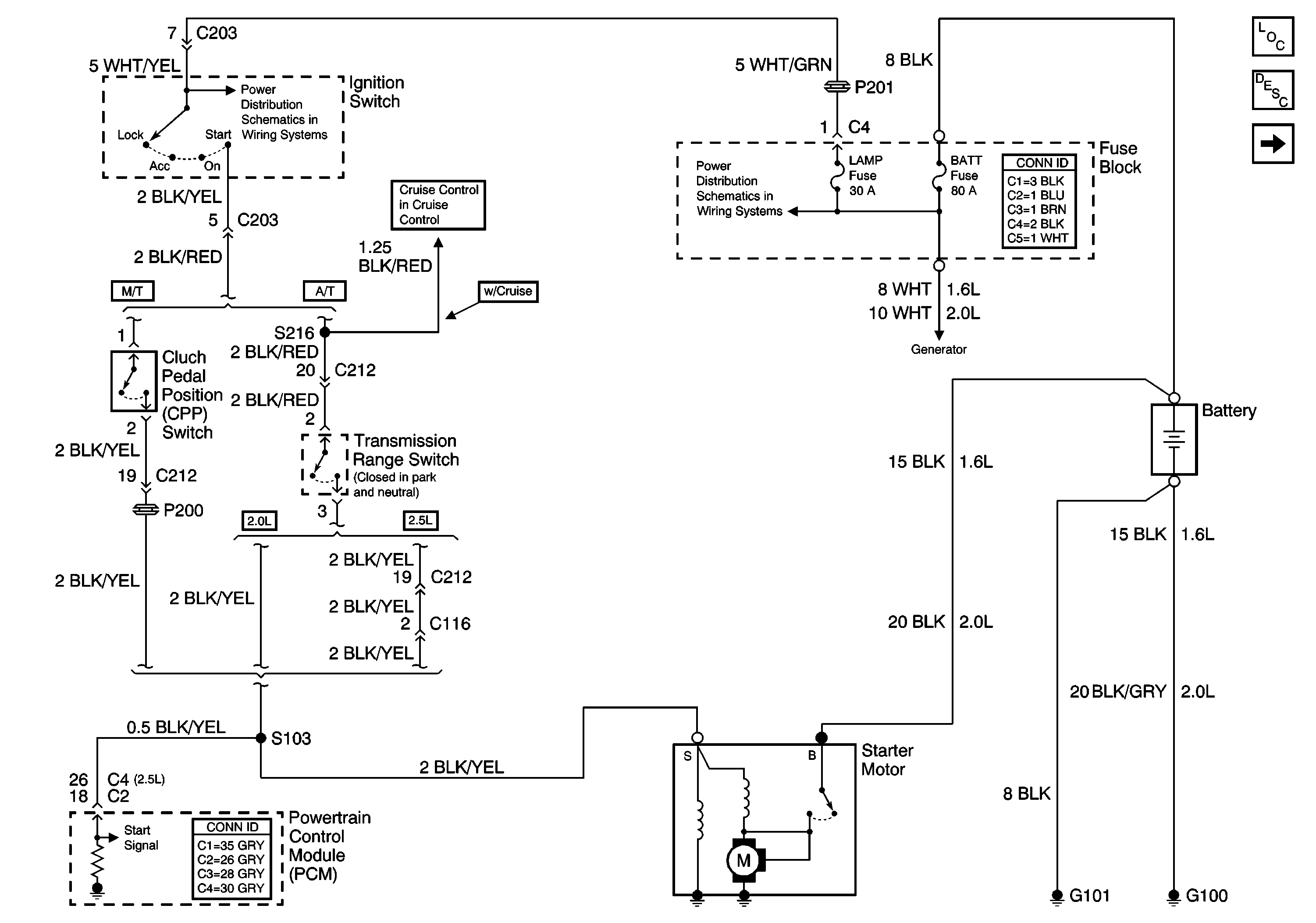
🢒 Starting System
Starting System
Starting System
Master Electrical Component List
Starting System Description and Operation
CHARGING SYSTEM
H/L, HTR, IG, and Lamp Fuses
Cruise Control Release Switch and Transmission Range Switch
Ignition Switch and SIR Fuse